GM Service Manual Online
For 1990-2009 cars only
Makes
🢒
Saturn
🢒
2004
🢒
ION
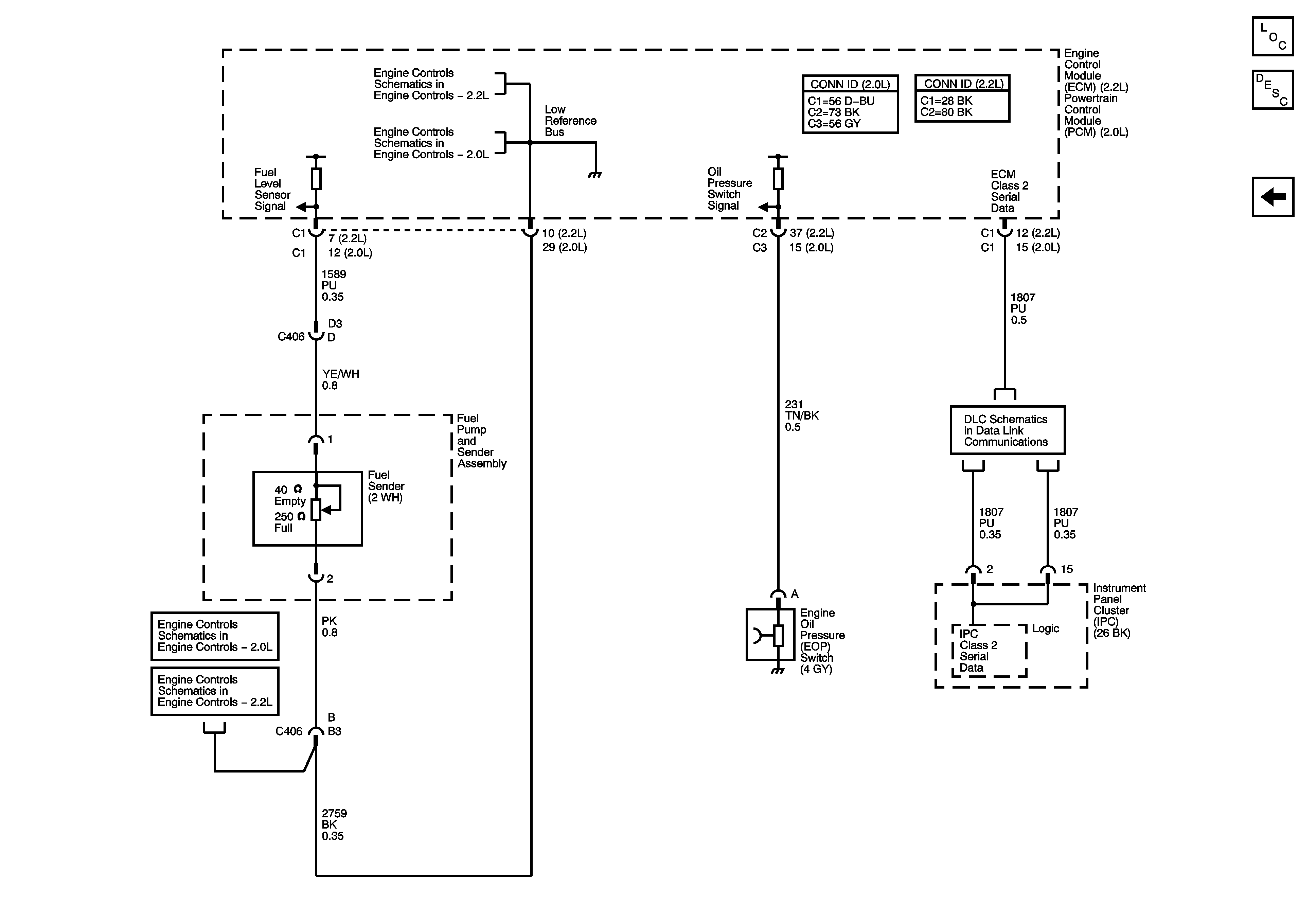
🢒 Fuel Level and Oil Pressure
Fuel Level and Oil Pressure
Fuel Level and Oil Pressure
Master Electrical Component List
Instrument Cluster Description and Operation
DLC, Gages, Ground, Indicators, and Power
Engine Data Sensors - 5 Volt and Low Reference Bussing
Engine Data Sensors-5Volt and Low Reference Busing
Engine Data Sensors-Pressure and Temperature
Engine Data Sensors - Pressure and Temperature
Data Link Communication Schematics