GM Service Manual Online
For 1990-2009 cars only
Makes
🢒
Saturn
🢒
2004
🢒
ION
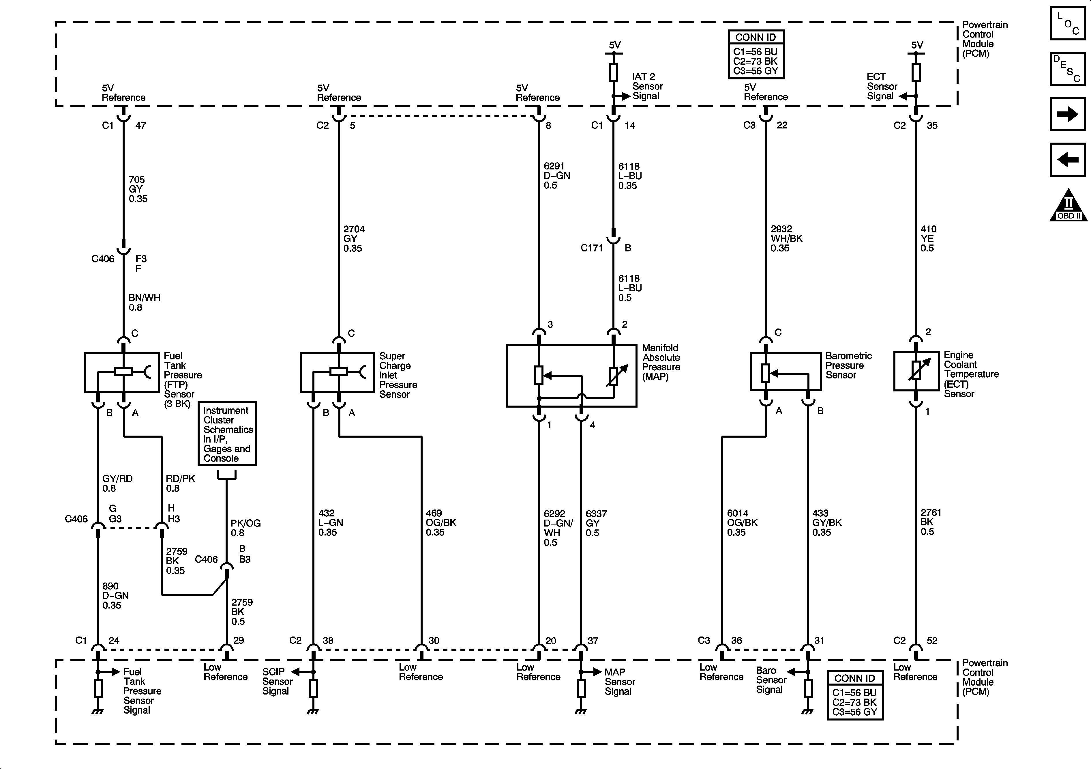
🢒 Engine Data Sensors-Pressure and Temperature
Engine Data Sensors-Pressure and Temperature
Engine Data Sensors - Pressure and Temperature
Master Electrical Component List
Powertrain Control Module Description
Engine Data Sensors-MAF/IAT,CKP,KS,CMP and Stop Lamp Switch-Lower
Engine Data Sensors-5Volt and Low Reference Busing
OBD II Symbol Description Notice
Fuel Level and Oil Pressure