GM Service Manual Online
For 1990-2009 cars only
Makes
🢒
Saturn
🢒
2004
🢒
ION
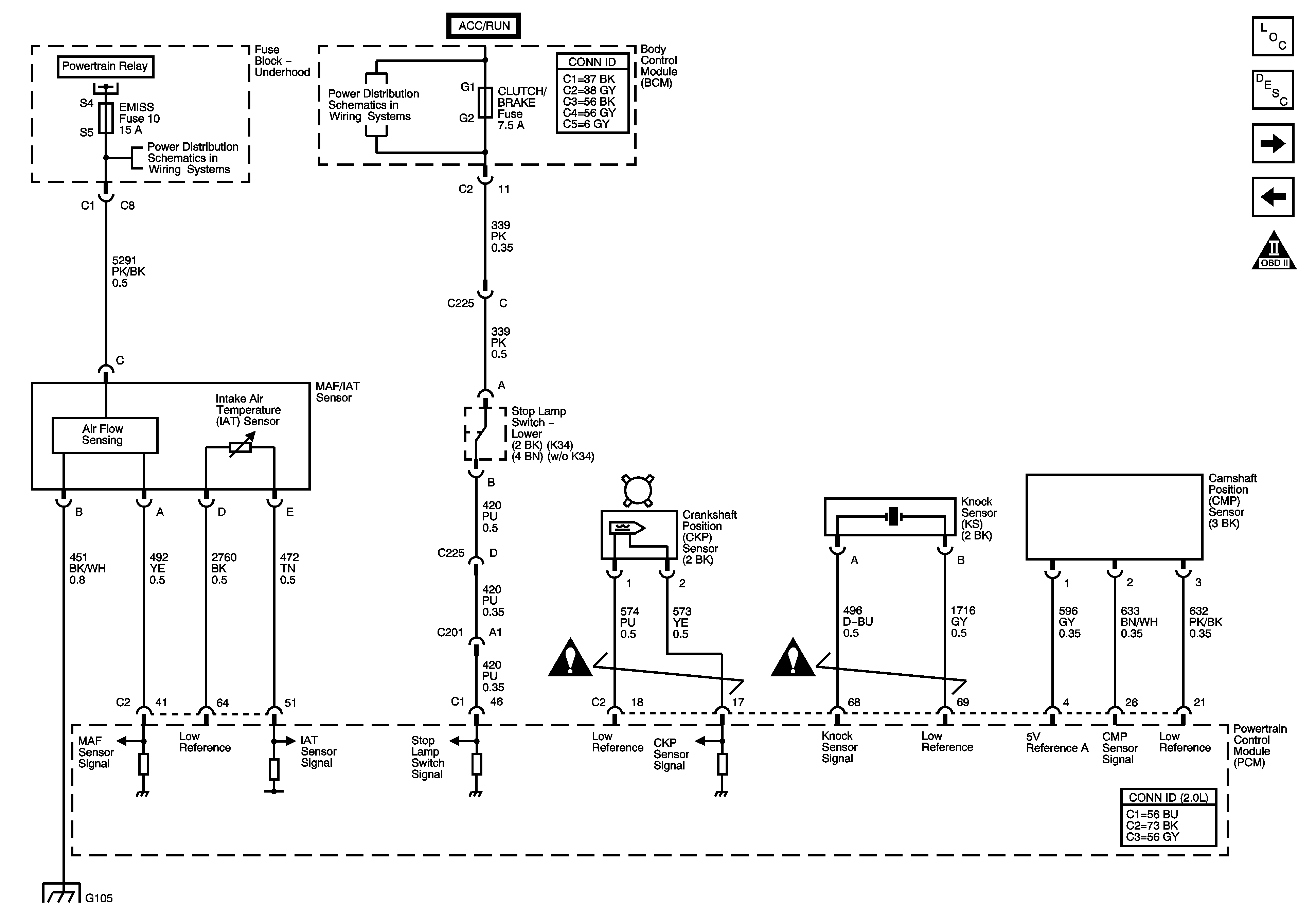
🢒 Engine Data Sensors-MAF/IAT,CKP,KS,CMP and Stop Lamp Switch-Lower
Engine Data Sensors-MAF/IAT,CKP,KS,CMP and Stop Lamp Switch-Lower
Engine Data Sensors - MAF/IAT, CKP, KS and Stop Lamp Switch - Lower
Master Electrical Component List
Powertrain Control Module Description
Engine Data Sensors-HO2S
Engine Data Sensors-Pressure and Temperature
OBD II Symbol Description Notice
Engine Controls Schematic Icons
Engine Controls Schematic Icons
Fuse Block Underhood (2.0L)-ECM/ETC, IGN, Injectors, EMISS, Cooling Fan 2, and ECM
Fuse Block Underhood (2.0L)-ECM/ETC, IGN, Injectors, EMISS, Cooling Fan 2, and ECM
Fuse Block - Underhood Fuses: ERLS and Injectors, BCM Fuses: Air Bag, EPS
G103(2.0L), G105(2.0L)