GM Service Manual Online
For 1990-2009 cars only
Makes
🢒
Saturn
🢒
2004
🢒
ION
🢒 Fuel Delivery
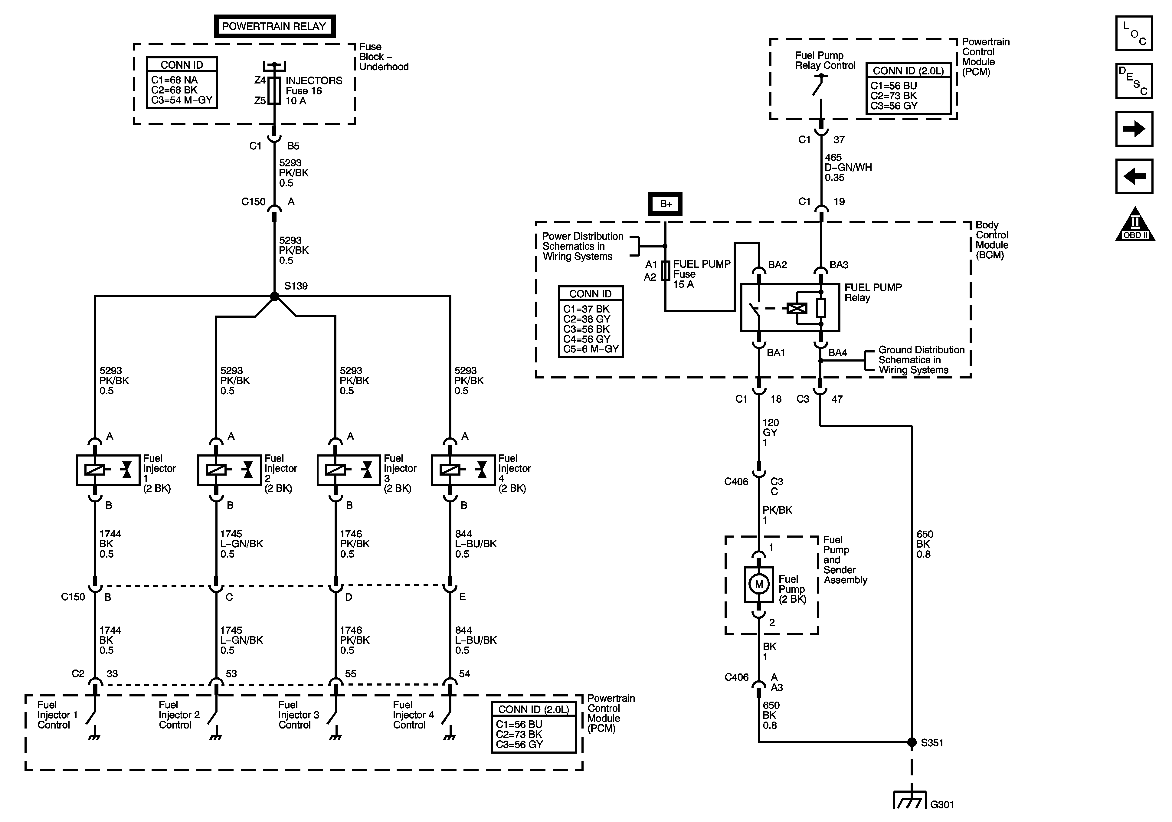
Fuel Delivery
Fuel Delivery
Master Electrical Component List
Powertrain Control Module Description
EVAP Controls, After Cooler Pump and Super Charger Boost Control Solenoid
Ignition Controls
OBD II Symbol Description Notice
Fuse Block Underhood (2.0L)-ECM/ETC, IGN, Injectors, EMISS, Cooling Fan 2, and ECM
Fuse Block - Underhood Fuses: IPBATT2 and RUN (IGN3) BCM Fuses: BCM Elect, Cluster, Fuel Pump, HVAC, IGN SW, and Stop
G301
G301