GM Service Manual Online
For 1990-2009 cars only
Makes
🢒
Saturn
🢒
2004
🢒
ION
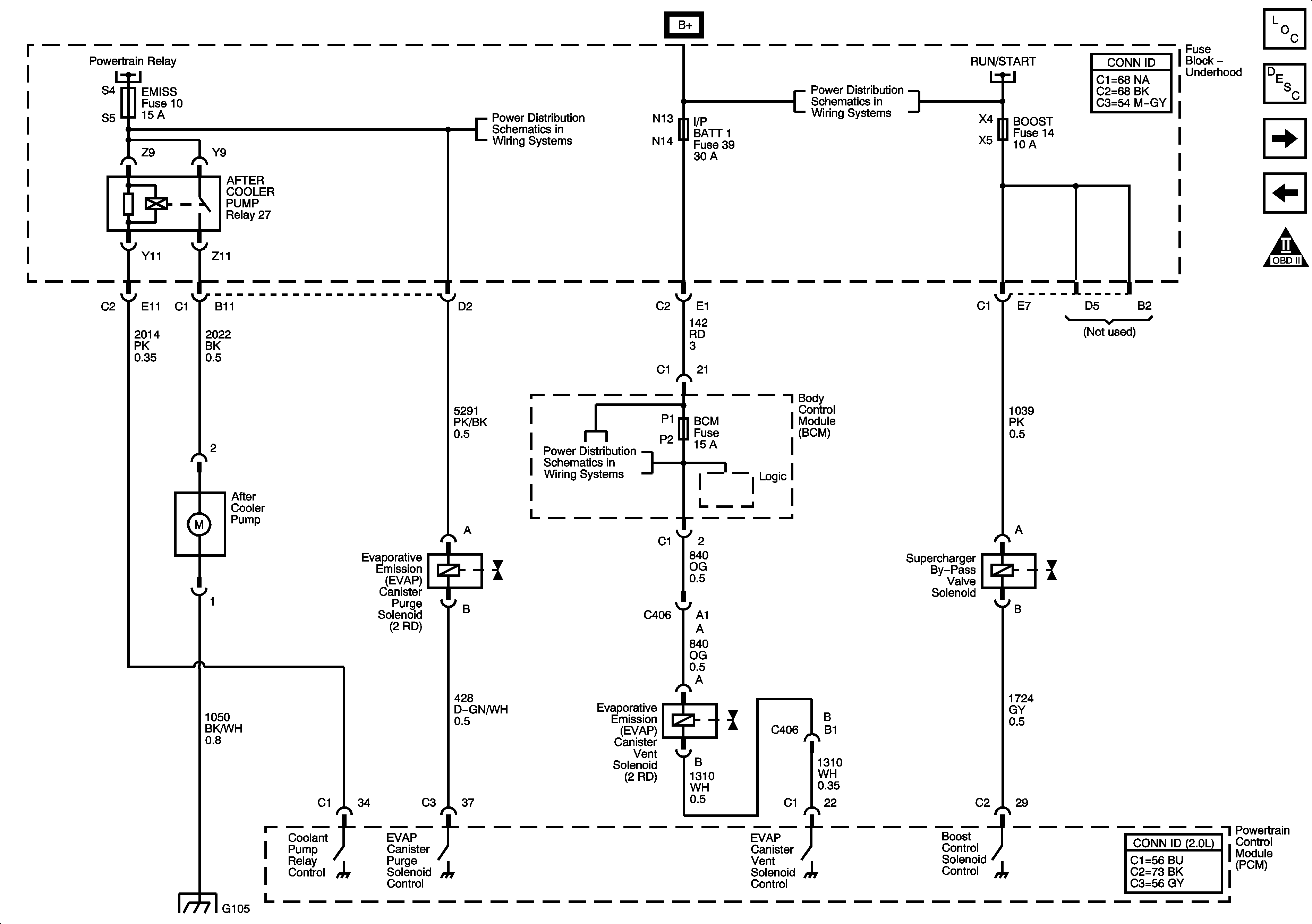
🢒 EVAP Controls, After Cooler Pump and Super Charger Boost Control Solenoid
EVAP Controls, After Cooler Pump and Super Charger Boost Control Solenoid
EVAP Controls, After Cooler Pump and Super Charger Boost Control Solenoid
Master Electrical Component List
Powertrain Control Module Description
Controlled/Monitored Subsystem Reference
Fuel Delivery
OBD II Symbol Description Notice
Fuse Block Underhood (2.0L)-ECM/ETC, IGN, Injectors, EMISS, Cooling Fan 2, and ECM
Fuse Block Underhood (2.0L)-ECM/ETC, IGN, Injectors, EMISS, Cooling Fan 2, and ECM
Fuse Block - Underhood BUS
Fuse Block - Underhood Fuses: ABS, ABS1, ABS2, ECM, ECM/TCM, IGN, LH HDLP, Prem Audio, RH HDLP, Run/Crank
Fuse Block - Underhood Fuses: IPBATT1, IPBATT1A, BCM Fuses: (BCM (PWR), DASH, Lighter, Onstar, Park, PWR Outlet, PWR Windows, Radio (ACC), Radio (BATT1), Sunroof, and Wiper Sw
G103(2.0L), G105(2.0L)