GM Service Manual Online
For 1990-2009 cars only

Object Number: 1403750  Size: MF

Circuit Description

The control module enables the appropriate fuel injector pulse for each cylinder. Ignition voltage is supplied to the fuel injectors. The control module controls each fuel injector by grounding the control circuit via a solid state device called a driver. The control module monitors the status of each driver. If the control module detects an incorrect voltage for the commanded state of the driver, a fuel injector control circuit DTC sets.

DTC Descriptor

This diagnostic procedure supports the following DTCs:

    • DTC P0201 Injector 1 Control Circuit
    • DTC P0202 Injector 2 Control Circuit
    • DTC P0203 Injector 3 Control Circuit
    • DTC P0204 Injector 4 Control Circuit

Conditions for Running the DTC

    • The engine is running.
    • The ignition voltage is more than 11 volts.
    • DTC P0201-P0204 run continuously once the above conditions are met.

Conditions for Setting the DTC

    • The control module detects an incorrect voltage on the fuel injector control circuit.
    • The above condition is met for 5 seconds.

Action Taken When the DTC Sets

    • The control module illuminates the malfunction indicator lamp (MIL) on the second consecutive ignition cycle that the diagnostic runs and fails.
    • The control module records the operating conditions at the time the diagnostic fails. The first time the diagnostic fails, the control module stores this information in the Failure Records. If the diagnostic reports a failure on the second consecutive ignition cycle, the control module records the operating conditions at the time of the failure. The control module writes the operating conditions to the Freeze Frame and updates the Failure Records.

Conditions for Clearing the MIL/DTC

    • The control module turns OFF the malfunction indicator lamp (MIL) after 3 consecutive ignition cycles that the diagnostic runs and does not fail.
    • A current DTC, Last Test Failed, clears when the diagnostic runs and passes.
    • A history DTC clears after 40 consecutive warm-up cycles, if no failures are reported by this or any other emission related diagnostic.
    • Clear the MIL and the DTC with a scan tool.

Diagnostic Aids

    • Performing the Fuel Injector Coil Test may help isolate an intermittent condition. Refer to Fuel Injector Solenoid Coil Test .
    • For an intermittent condition, refer to Intermittent Conditions .

Step

Action

Yes

No

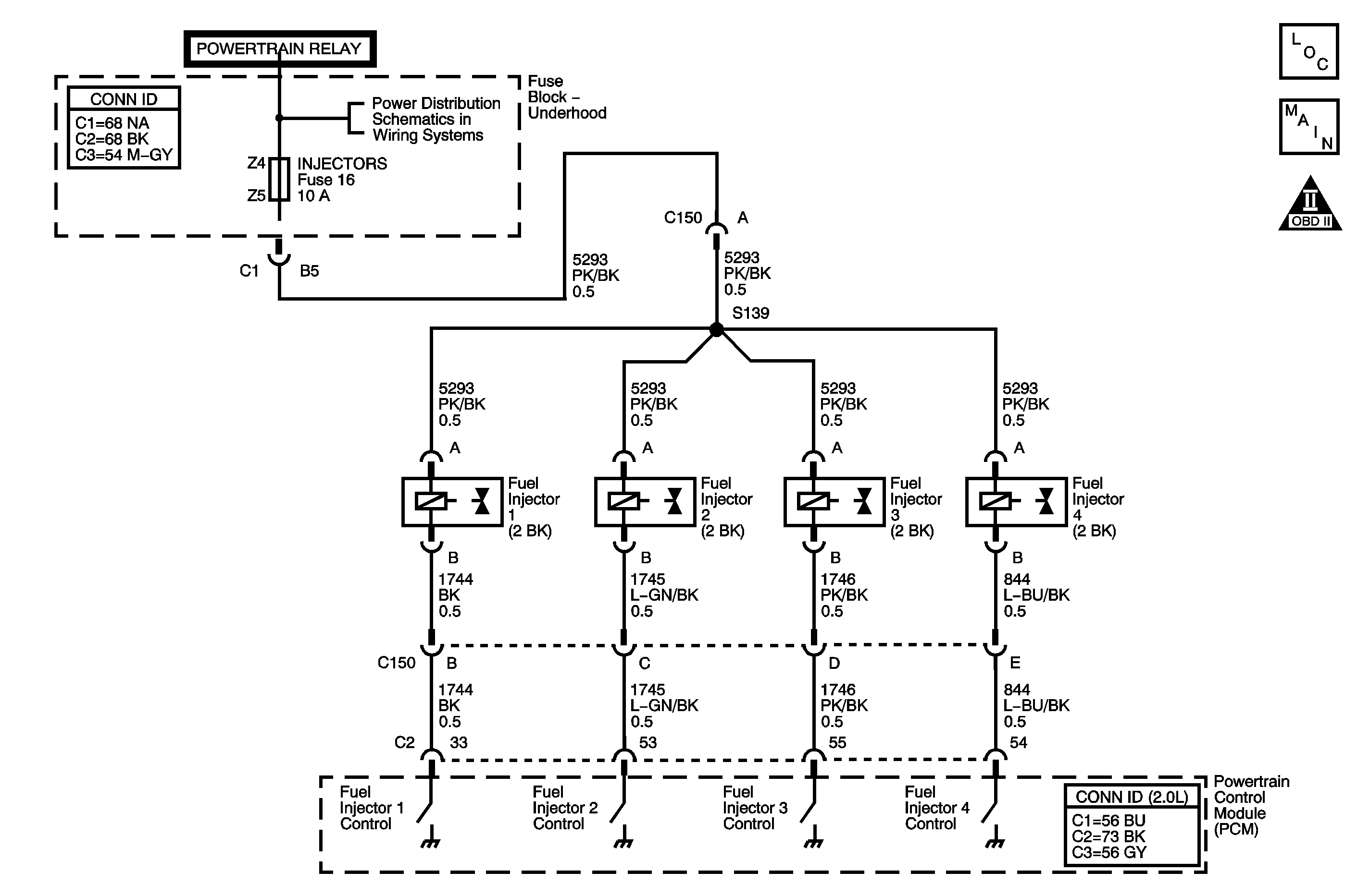
Schematic Reference: Engine Controls Schematics

Connector End View Reference: Powertrain Control Module Connector End Views or Engine Controls Connector End Views

1

Did you perform the Diagnostic System Check - Engine Controls?

Go to Step 2

Go to Diagnostic System Check - Engine Controls

2

  1. Observe the Freeze Frame/Failure Records for this DTC.
  2. Turn OFF the ignition for 30 seconds.
  3. Start the engine.
  4. Operate the vehicle within the Conditions for Running the DTC. You may also operate the vehicle within the conditions that you observed from the Freeze Frame/Failure Records.

Did the DTC fail this ignition?

Go to Step 3

Go to Diagnostic Aids

3

  1. Turn OFF the ignition.
  2. Disconnect the multi-way harness connector of the fuel injectors.
  3. Probe the appropriate fuel injector control circuit, powertrain control module (PCM) side, with a test lamp that is connected to battery voltage. Refer to Probing Electrical Connectors in Wiring Systems.
  4. Crank the engine.

Does the test lamp flash when cranking the engine?

Go to Step 7

Go to Step 4

4

Does the test lamp remain illuminated at all times?

Go to Step 6

Go to Step 5

5

Test the control circuit of the fuel injector for a short to voltage or for an open between the multi-way connector and the PCM. Refer to Circuit Testing and Wiring Repairs in Wiring Systems.

Did you find and correct the condition?

Go to Step 18

Go to Step 14

6

Test the control circuit of the fuel injector for a short to ground between the multi-way connector and the PCM. Refer to Circuit Testing and Wiring Repairs in Wiring Systems.

Did you find and correct the condition?

Go to Step 18

Go to Step 17

7

Inspect the accessible fuel injector jumper harness between the multi-way connector and the fuel rail for the following:

    • Poor connections at the multi-way connector
    • Damaged or pinched wiring
    • Broken wires inside the insulation

Refer to Testing for Intermittent Conditions and Poor Connections and Connector Repairs in Wiring Systems.

Did you find and correct the condition?

Go to Step 18

Go to Step 8

8

Probe the appropriate fuel injector control circuit, fuel injector side, at the multi-way connector, with a test lamp that is connected to battery voltage. Refer to Probing Electrical Connectors in Wiring Systems.

Does the test lamp illuminate?

Go to Step 15

Go to Step 9

9

With a DMM, test for continuity between the ignition 1 voltage circuit terminal and the appropriate fuel injector control circuit terminal, at the multi-way connector. Refer to Testing for Continuity in Wiring Systems.

Does the DMM indicate OL?

Go to Step 10

Go to Step 12

10

Test the control circuit of the fuel injector for an open. Refer to Circuit Testing and Wiring Repairs in Wiring Systems.

Did you find and correct the condition?

Go to Step 18

Go to Step 11

11

Test the ignition 1 voltage circuit of the fuel injector for an open between the fuel injector and the splice. Refer to Circuit Testing and Wiring Repairs in Wiring Systems.

Did you find and correct the condition?

Go to Step 18

Go to Step 13

12

Test the control circuit of the fuel injector for a short to voltage or a short to another circuit. Refer to Circuit Testing and Wiring Repairs in Wiring Systems.

Did you find and correct the condition?

Go to Step 18

Go to Step 16

13

Test for an intermittent and for a poor connection at the fuel injector. Refer to Testing for Intermittent Conditions and Poor Connections and Connector Repairs in Wiring Systems.

Did you find and correct the condition?

Go to Step 18

Go to Step 16

14

Test for an intermittent and for a poor connection at the PCM. Refer to Testing for Intermittent Conditions and Poor Connections and Connector Repairs in Wiring Systems.

Did you find and correct the condition?

Go to Step 18

Go to Step 17

15

Repair the short to ground in the fuel injector control circuit. Refer to Wiring Repairs in Wiring Systems.

Did you complete the repair?

Go to Step 18

--

16

Replace the affected fuel injector. Refer to Fuel Injector Replacement .

Did you complete the replacement?

Go to Step 18

--

17

Replace the PCM. Refer to Powertrain Control Module Replacement .

Did you complete the replacement?

Go to Step 18

--

18

  1. Clear the DTCs with a scan tool.
  2. Turn OFF the ignition for 30 seconds.
  3. Start the engine.
  4. Operate the vehicle within the Conditions for Running the DTC. You may also operate the vehicle within the conditions that you observed from the Freeze Frame/Failure Records.

Did the DTC fail this ignition?

Go to Step 2

Go to Step 19

19

Observe the Capture Info with a scan tool.

Are there any DTCs that have not been diagnosed?

Go to Diagnostic Trouble Code (DTC) List

System OK