GM Service Manual Online
For 1990-2009 cars only
Figure 1:

Power, Ground, MIL, and Serial Data


Object Number: 1374390  Size: FS
Master Electrical Component List
Powertrain Control Module Description
Engine Data Sensors-5Volt and Low Reference Busing
OBD II Symbol Description Notice
Fuse Block - Underhood Fuses: ABS, ABS1, ABS2, ECM, ECM/TCM, IGN, LH HDLP, Prem Audio, RH HDLP, Run/Crank
Fuse Block - Underhood BUS
Fuse Block - Underhood Fuses: ABS, ABS1, ABS2, ECM, ECM/TCM, IGN, LH HDLP, Prem Audio, RH HDLP, Run/Crank
Ignition Switch
Ignition Switch
G103(2.0L), G105(2.0L)
Data Link Communication Schematics
G101 - Early Production
Figure 2:

Engine Data Sensors - 5-Volt and Low Reference Busing


Object Number: 1374396  Size: FS
Master Electrical Component List
Powertrain Control Module Description
Engine Data Sensors-Pressure and Temperature
Power, Ground, MIL, and Serial Data
OBD II Symbol Description Notice
Figure 3:

Engine Data Sensors - Pressure and Temperature


Object Number: 1374399  Size: FS
Master Electrical Component List
Powertrain Control Module Description
Engine Data Sensors-MAF/IAT,CKP,KS,CMP and Stop Lamp Switch-Lower
Engine Data Sensors-5Volt and Low Reference Busing
OBD II Symbol Description Notice
Fuel Level and Oil Pressure
Figure 4:

Engine Data Sensors - MAF/IAT, CKP, KS and Stop Lamp Switch - Lower


Object Number: 1374402  Size: FS
Master Electrical Component List
Powertrain Control Module Description
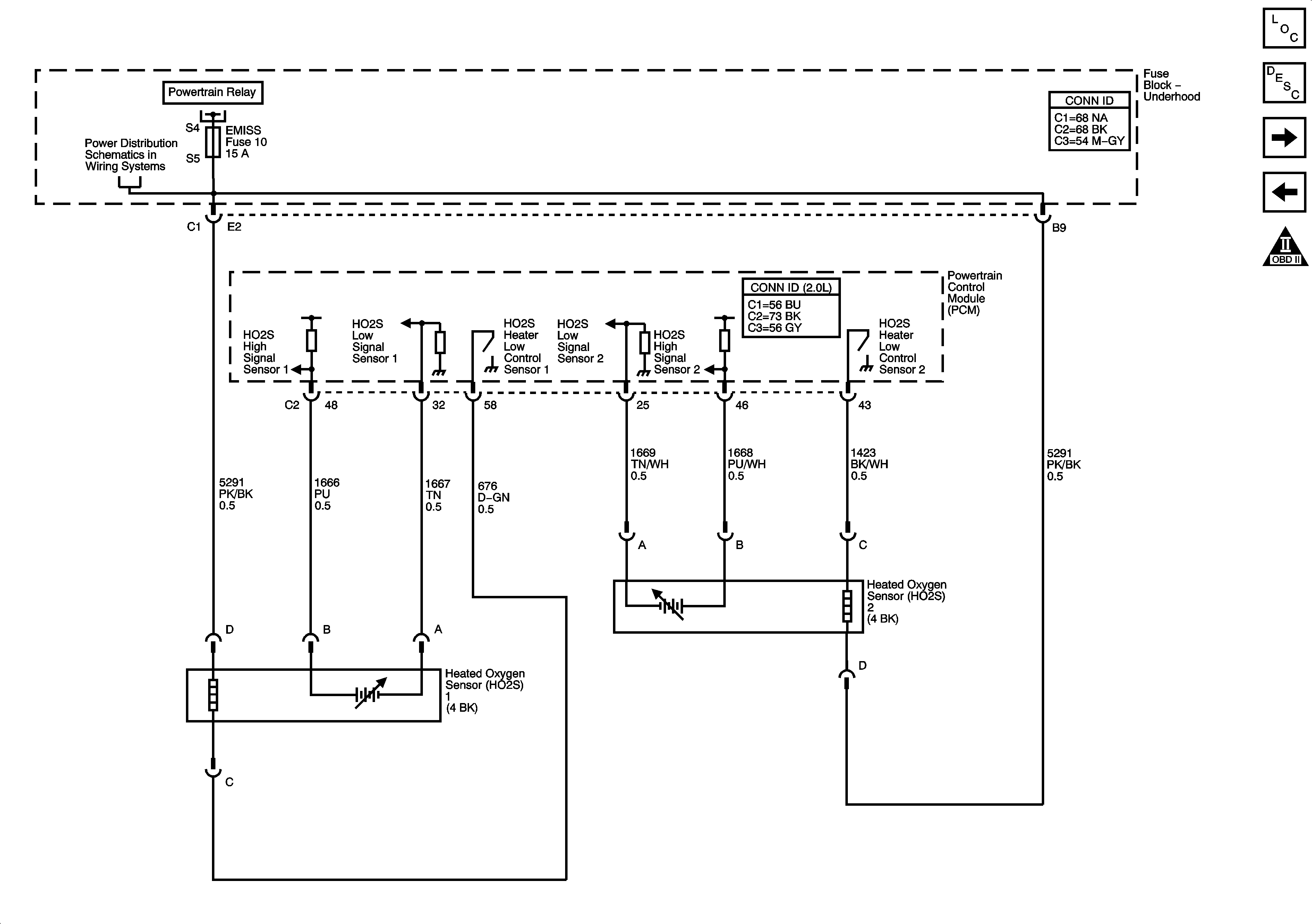
Engine Data Sensors-HO2S
Engine Data Sensors-Pressure and Temperature
OBD II Symbol Description Notice
Engine Controls Schematic Icons
Engine Controls Schematic Icons
Fuse Block Underhood (2.0L)-ECM/ETC, IGN, Injectors, EMISS, Cooling Fan 2, and ECM
Fuse Block Underhood (2.0L)-ECM/ETC, IGN, Injectors, EMISS, Cooling Fan 2, and ECM
Fuse Block - Underhood Fuses: ERLS and Injectors, BCM Fuses: Air Bag, EPS
G103(2.0L), G105(2.0L)
Figure 5:

Engine Data Sensors - HO2S


Object Number: 1374405  Size: FS
Master Electrical Component List
Powertrain Control Module Description
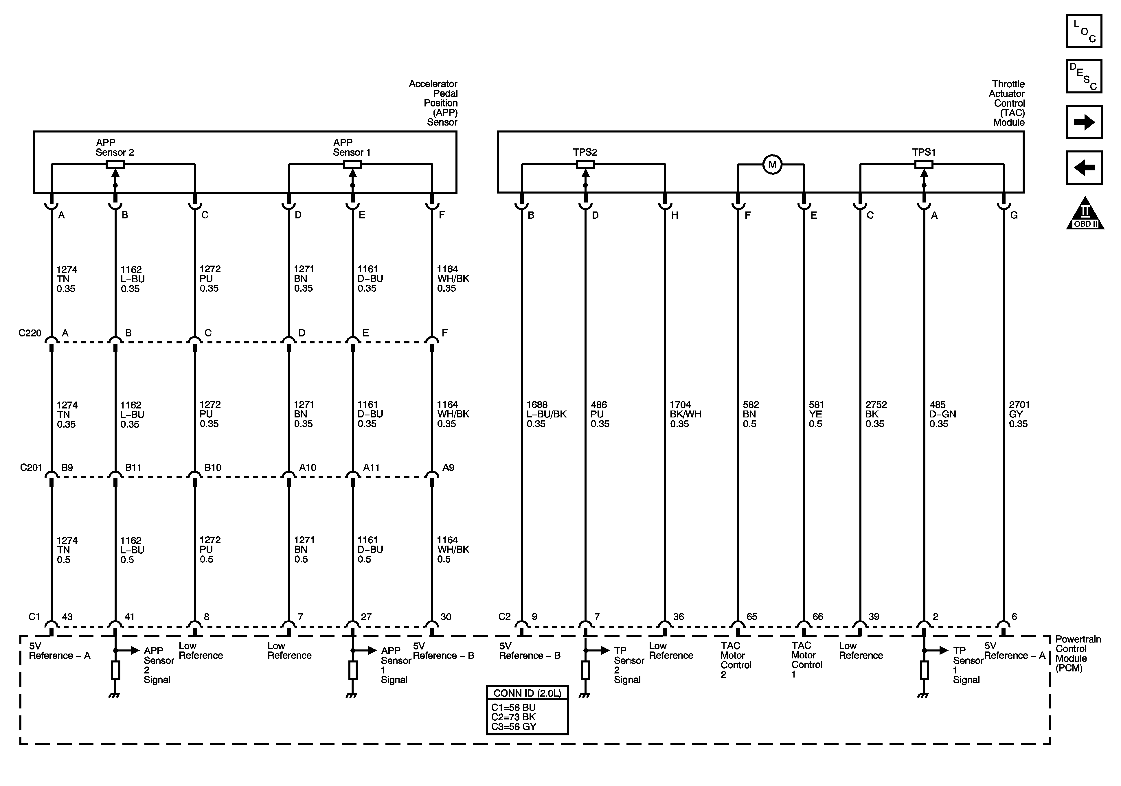
Engine Data Sensors-APP and TAC
Engine Data Sensors-MAF/IAT,CKP,KS,CMP and Stop Lamp Switch-Lower
OBD II Symbol Description Notice
Fuse Block Underhood (2.0L)-ECM/ETC, IGN, Injectors, EMISS, Cooling Fan 2, and ECM
Fuse Block Underhood (2.0L)-ECM/ETC, IGN, Injectors, EMISS, Cooling Fan 2, and ECM
Figure 6:

Engine Data Sensors - APP and TAC


Object Number: 1374407  Size: FS
Master Electrical Component List
Powertrain Control Module Description
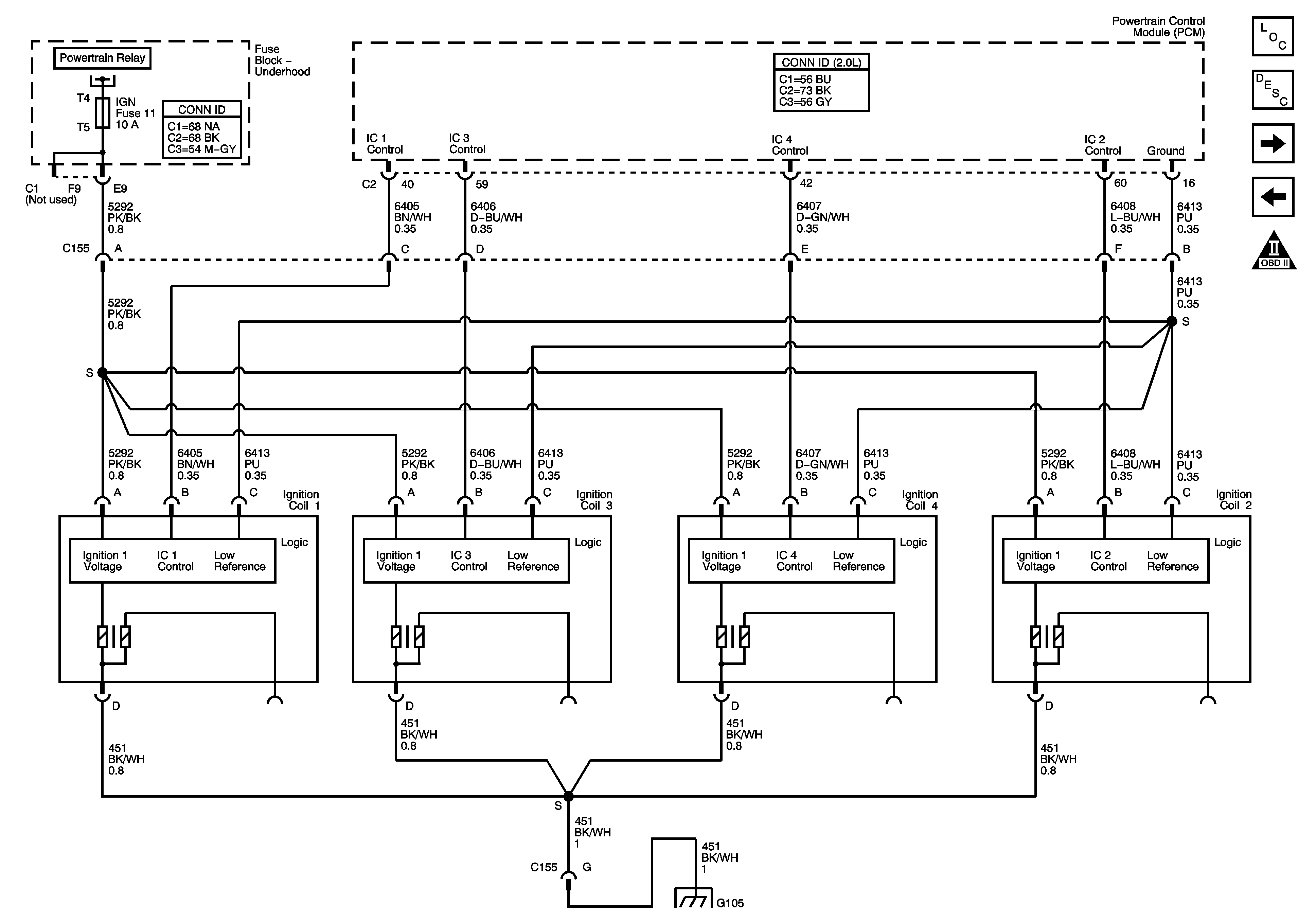
Ignition Controls
Engine Data Sensors-HO2S
OBD II Symbol Description Notice
Figure 7:

Ignition Controls


Object Number: 1374408  Size: FS
Master Electrical Component List
Powertrain Control Module Description
Fuel Delivery
Engine Data Sensors-APP and TAC
OBD II Symbol Description Notice
Fuse Block Underhood (2.0L)-ECM/ETC, IGN, Injectors, EMISS, Cooling Fan 2, and ECM
G103(2.0L), G105(2.0L)
Figure 8:

Fuel Delivery


Object Number: 1374410  Size: FS
Master Electrical Component List
Powertrain Control Module Description
EVAP Controls, After Cooler Pump and Super Charger Boost Control Solenoid
Ignition Controls
OBD II Symbol Description Notice
Fuse Block Underhood (2.0L)-ECM/ETC, IGN, Injectors, EMISS, Cooling Fan 2, and ECM
Fuse Block - Underhood Fuses: IPBATT2 and RUN (IGN3) BCM Fuses: BCM Elect, Cluster, Fuel Pump, HVAC, IGN SW, and Stop
G301
G301
Figure 9:

EVAP Controls, After Cooler Pump and Super Charger Boost Control Solenoid


Object Number: 1374411  Size: FS
Master Electrical Component List
Powertrain Control Module Description
Controlled/Monitored Subsystem Reference
Fuel Delivery
OBD II Symbol Description Notice
Fuse Block Underhood (2.0L)-ECM/ETC, IGN, Injectors, EMISS, Cooling Fan 2, and ECM
Fuse Block Underhood (2.0L)-ECM/ETC, IGN, Injectors, EMISS, Cooling Fan 2, and ECM
Fuse Block - Underhood BUS
Fuse Block - Underhood Fuses: ABS, ABS1, ABS2, ECM, ECM/TCM, IGN, LH HDLP, Prem Audio, RH HDLP, Run/Crank
Fuse Block - Underhood Fuses: IPBATT1, IPBATT1A, BCM Fuses: (BCM (PWR), DASH, Lighter, Onstar, Park, PWR Outlet, PWR Windows, Radio (ACC), Radio (BATT1), Sunroof, and Wiper Sw
G103(2.0L), G105(2.0L)
Figure 10:

Controlled/Monitored Subsystem Reference


Object Number: 1374431  Size: FS
Master Electrical Component List
Powertrain Control Module Description
EVAP Controls, After Cooler Pump and Super Charger Boost Control Solenoid
OBD II Symbol Description Notice
Fuel Level and Oil Pressure
Ground, Power, and Steering Wheel
Stop Lamp Switch
2.0L
A/C Compressor Controls (C60)
Charging
Starting - Early Production
Manual Transmission Schematics-MU3