GM Service Manual Online
For 1990-2009 cars only

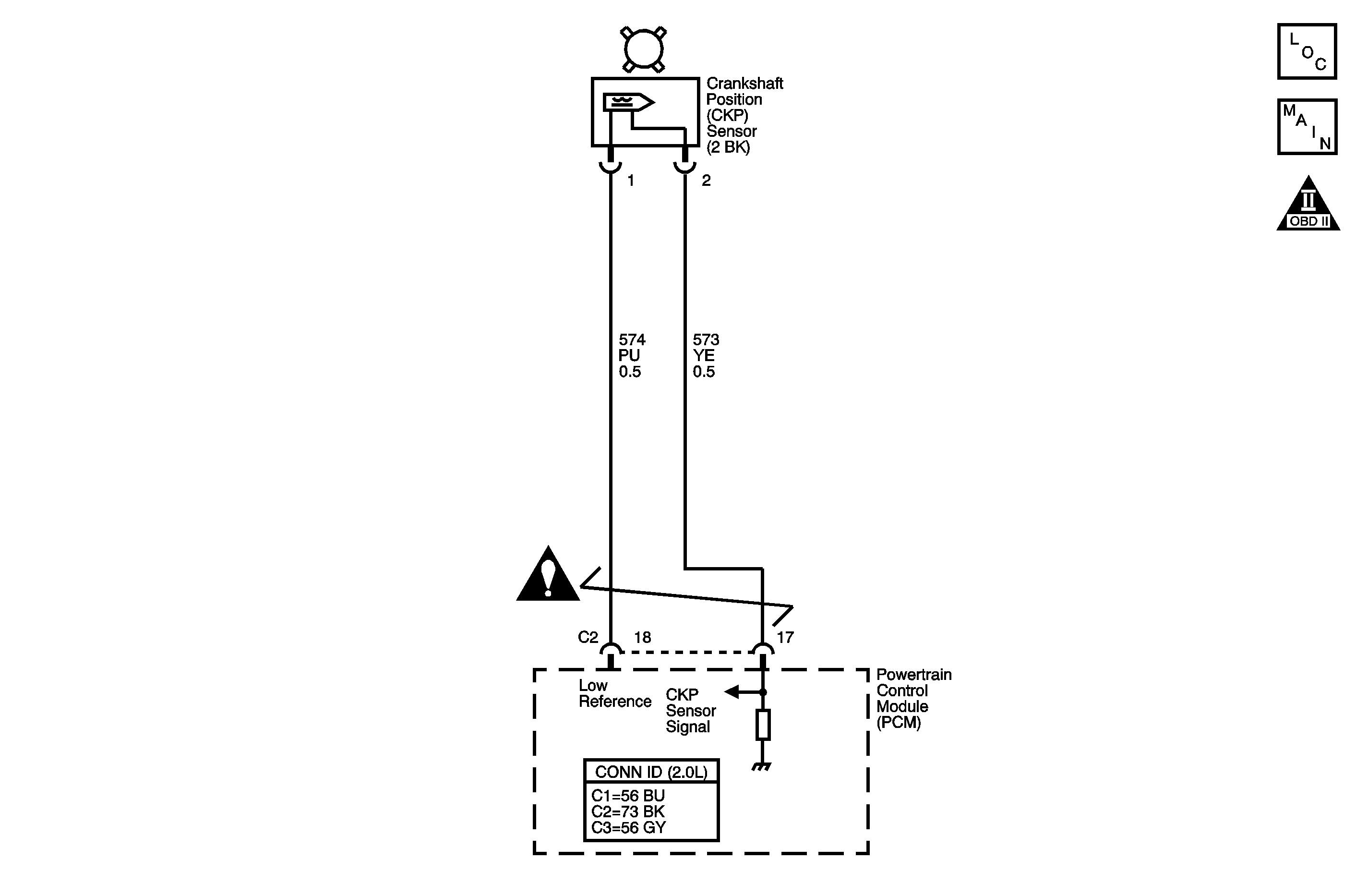
Object Number: 1397284  Size: MF

Circuit Description

The crankshaft position (CKP) sensor signal indicates the crankshaft speed and position. The CKP sensor produces an AC voltage of varying amplitude and frequency. The frequency depends on the velocity of the crankshaft, and the AC output voltage depends on crankshaft position and battery voltage. The CKP sensor works in conjunction with a 58-tooth reluctor wheel attached to the crankshaft. The powertrain control module (PCM) determines the crankshaft position by the reference gap. The PCM can synchronize the ignition timing, fuel injector timing, and the spark knock control based on the CKP sensor and the camshaft position (CMP) sensor inputs. The CKP sensor is also used to detect a misfire. The CKP sensor circuits connect directly to the PCM. The circuits between the CKP sensor and the PCM consists of the following:

    • A CKP sensor signal
    • A low reference

If the PCM detects an incorrect number of pulses from the CKP sensor, DTC P0335 sets.

DTC Descriptor

This diagnostic procedure supports the following DTC:

DTC P0335 Crankshaft Position (CKP) Sensor Circuit

Conditions for Running the DTC

    • The engine is cranking or running.
    • DTC P0335 runs continuously once the above condition is met.

Conditions for Setting the DTC

    • The PCM detects an incorrect number of CKP pulses during engine cranking for 4 seconds.
    • The PCM detects an incorrect number of CKP pulses while the engine is running for 2 seconds.

Action Taken When the DTC Sets

    • The control module illuminates the malfunction indicator lamp (MIL) on the second consecutive ignition cycle that the diagnostic runs and fails.
    • The control module records the operating conditions at the time the diagnostic fails. The first time the diagnostic fails, the control module stores this information in the Failure Records. If the diagnostic reports a failure on the second consecutive ignition cycle, the control module records the operating conditions at the time of the failure. The control module writes the operating conditions to the Freeze Frame and updates the Failure Records.

Conditions for Clearing the MIL/DTC

    • The control module turns OFF the malfunction indicator lamp (MIL) after 3 consecutive ignition cycles that the diagnostic runs and does not fail.
    • A current DTC, Last Test Failed, clears when the diagnostic runs and passes.
    • A history DTC clears after 40 consecutive warm-up cycles, if no failures are reported by this or any other emission related diagnostic.
    • Clear the MIL and the DTC with a scan tool.

Diagnostic Aids

For an intermittent condition, the vehicle may need to be operated within the conditions captured in the Freeze Frame/Failure Records. Inspect for one of the following conditions, if the code does set intermittently while operating within the conditions captured in the Freeze Frame/Failure Records. If one of the following conditions are not present, refer to Intermittent Conditions for inspections that would help aid in diagnosing an intermittent condition.

    • Damage to the CKP reluctor wheel
    • Incorrect sensor installation
    • The sensor coming in contact with the CKP reluctor wheel
    • A cracked or damaged sensor
    • Foreign material passing between the sensor and the CKP reluctor wheel

Step

Action

Values

Yes

No

Schematic Reference: Engine Controls Schematics

Connector End View Reference: Powertrain Control Module Connector End Views or Engine Controls Connector End Views

1

Did you perform the Diagnostic System Check - Engine Controls?

--

Go to Step 2

Go to Diagnostic System Check - Engine Controls

2

Attempt to start the engine.

Does the engine start and run?

--

Go to Step 3

Go to Step 4

3

  1. Observe the Freeze Frame/Failure Records for this DTC.
  2. Turn OFF the ignition for 30 seconds.
  3. Start the engine.
  4. Operate the vehicle within the Conditions for Running the DTC. You may also operate the vehicle within the conditions that you observed from the Freeze Frame/Failure Records.

Did the DTC fail this ignition?

--

Go to Step 4

Go to Diagnostic Aids

4

  1. Turn OFF the ignition.
  2. Disconnect the harness connector of the powertrain control module (PCM).
  3. Measure the resistance between the signal circuit and the low reference circuit of the crankshaft position (CKP) sensor with a DMM. Refer to Circuit Testing in Wiring Systems.

Is the resistance within the specified range?

600-1,100 ohms

Go to Step 5

Go to Step 7

5

Measure the resistance between the signal circuit of the CKP sensor and a good ground with a DMM. Refer to Circuit Testing in Wiring Systems.

Is the resistance less than the specified value?

OL

Go to Step 6

Go to Step 9

6

  1. Turn ON the ignition, with the engine OFF.
  2. Connect a test lamp between the signal circuit of the CKP sensor and a good ground.

Does the test lamp illuminate?

--

Go to Step 9

Go to Step 11

7

  1. Disconnect the harness connector of the CKP sensor.
  2. Measure the resistance of the signal circuit of the CKP sensor from the harness connector of the PCM to the harness connector of the CKP sensor with a DMM.

Is the resistance less than the specified value?

5 ohms

Go to Step 8

Go to Step 14

8

Measure the resistance of the low reference circuit of the CKP sensor from the harness connector of the PCM to the harness connector of the CKP sensor with a DMM.

Is the resistance less than the specified value?

5 ohms

Go to Step 10

Go to Step 15

9

Test the signal circuit for one of the following conditions:

    • A short to voltage
    • A short to ground
        Refer to Circuit Testing and Wiring Repairs in Wiring Systems.

Did you find and correct the condition?

--

Go to Step 18

Go to Step 11

10

Test for shorted terminals or a poor connection at the CKP sensor. Refer to Testing for Intermittent Conditions and Poor Connections and Connector Repairs in Wiring Systems.

Did you find and correct the condition?

--

Go to Step 18

Go to Step 12

11

Test for shorted terminals or a poor connection at the PCM. Refer to Testing for Intermittent Conditions and Poor Connections and Connector Repairs in Wiring Systems.

Did you find and correct the condition?

--

Go to Step 18

Go to Step 17

12

  1. Remove the CKP sensor. Refer to Crankshaft Position Sensor Replacement .
  2. Inspect the CKP sensor for the following conditions:
  3. • Physical damage
    • Excessive play or looseness
    • Improper installation
    • Foreign material passing between the CKP sensor and the reluctor wheel
    • Electromagnetic interference in the CKP sensor circuits

Did you find and correct the condition?

--

Go to Step 18

Go to Step 13

13

Inspect the CKP reluctor wheel for the following conditions:

    • Physical damage
    • Excessive end play or looseness
    • Improper installation--Refer to Crankshaft and Bearing Cleaning and Inspection in Engine Mechanical.

Did you find and correct the condition?

--

Go to Step 18

Go to Step 16

14

Repair an open or high resistance in the signal circuit of the CKP sensor. Refer to Wiring Repairs in Wiring Systems.

Did you complete the repair?

--

Go to Step 18

--

15

Repair an open or high resistance in the low reference circuit of the CKP sensor. Refer to Wiring Repairs in Wiring Systems.

Did you complete the repair?

--

Go to Step 18

--

16

Replace the CKP sensor. Refer to Crankshaft Position Sensor Replacement .

Did you complete the replacement?

--

Go to Step 18

--

17

Replace the PCM. Refer to Powertrain Control Module Replacement .

Did you complete the replacement?

--

Go to Step 18

--

18

  1. Clear the DTCs with a scan tool.
  2. Turn OFF the ignition for 30 seconds.
  3. Start the engine.
  4. Operate the vehicle within the Conditions for Running the DTC. You may also operate the vehicle within the conditions that you observed from the Freeze Frame/Failure Records.

Did the DTC fail this ignition?

--

Go to Step 2

Go to Step 19

19

Observe the Capture Info with a scan tool.

Are there any other DTCs that have not been diagnosed?

--

Go to Diagnostic Trouble Code (DTC) List

System OK