GM Service Manual Online
For 1990-2009 cars only

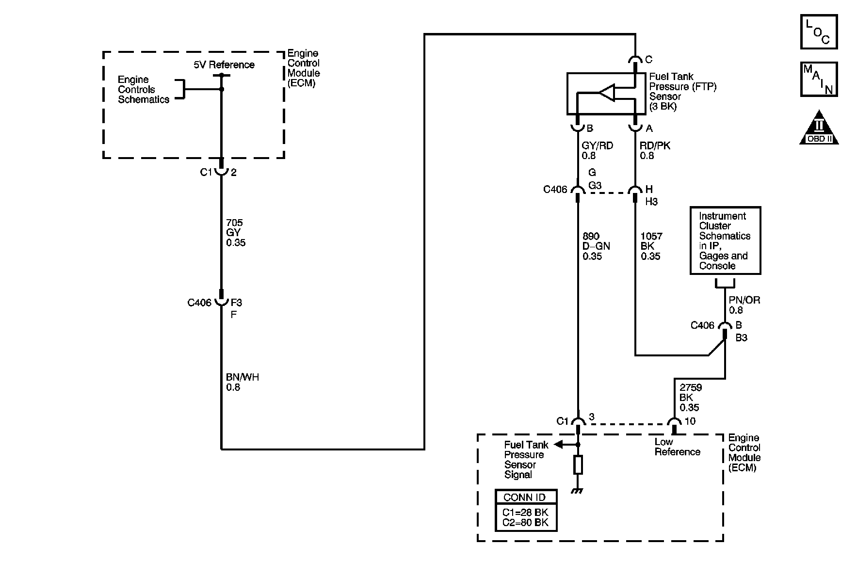
Object Number: 891255  Size: MF

System Description

This DTC tests the evaporative emission (EVAP) system for a restricted or blocked EVAP vent path. The control module commands the EVAP canister purge solenoid valve Open and the EVAP canister vent solenoid valve Closed. This allows vacuum to be applied to the EVAP system. Once a calibrated vacuum level has been reached, the control module commands the EVAP canister purge solenoid valve Closed and the EVAP canister vent solenoid valve Open. The control module monitors the fuel tank pressure (FTP) sensor for a decrease in vacuum. If the vacuum does not decrease to near 0 inches H2O in a calibrated time, this DTC sets.

The following table illustrates the relationship between the ON and OFF states, and the Open or Closed states of the EVAP canister purge and vent solenoid valves.

Control Module Command

EVAP Canister Purge Solenoid Valve

EVAP Canister Vent Solenoid Valve

ON

Open

Closed

OFF

Closed

Open

Conditions for Running the DTC

    • DTCs P0106, P0107, P0108, P0112, P0113, P0117, P0118, P0122, P0123, P0452, P0453, P0500, P0601, P0602, P0606, P0641 are not set.
    • The ignition voltage is between 11-18 volts.
    • The barometric pressure (BARO) is more than 81 kPa.
    • The fuel level is between 15-85 percent.
    • The engine coolant temperature (ECT) is between 5-32°C (41-90°F).
    • The intake air temperature (IAT) is between 5-32°C (41-90°F).
    • The start-up ECT and IAT are within 9°C (16°F) of each other.
    • The engine is running.
    • The engine run time is less than 144 seconds.
    • No vehicle speed DTCs are set in the transmission control module (TCM).

Conditions for Setting the DTC

The fuel tank vacuum is more than 12 inch H2O for 1.6 seconds.

Action Taken When the DTC Sets

    • The control module illuminates the malfunction indicator lamp (MIL) on the second consecutive ignition cycle that the diagnostic runs and fails.
    • The control module records the operating conditions at the time the diagnostic fails. The first time the diagnostic fails, the control module stores this information in the Failure Records. If the diagnostic reports a failure on the second consecutive ignition cycle, the control module records the operating conditions at the time of the failure. The control module writes the operating conditions to the Freeze Frame and updates the Failure Records.

Conditions for Clearing the MIL/DTC

    • The control module turns OFF the malfunction indicator lamp (MIL) after 3 consecutive ignition cycles that the diagnostic runs and does not fail.
    • A current DTC, Last Test Failed, clears when the diagnostic runs and passes.
    • A history DTC clears after 40 consecutive warm-up cycles, if no failures are reported by this or any other emission related diagnostic.
    • Clear the MIL and the DTC with a scan tool.

Diagnostic Aids

    • The EVAP system tests run when the engine is first started and meets the Conditions for Running the DTC. An intermittent condition could be caused by a damaged EVAP canister vent solenoid valve housing, a temporary blockage at the EVAP canister vent solenoid valve inlet or a pinched vent hose. A blockage in the EVAP canister vent system may also cause a poor fuel fill condition.
    • Reviewing the Failure Records vehicle mileage since the diagnostic test last failed may help determine how often the condition that caused the DTC to be set occurs. This may assist in diagnosing the condition.
    • For intermittent conditions refer to Intermittent Conditions .

Test Description

The number below refers to the step number on the diagnostic table.

  1. DTC P0498 may indicate a short to ground in the control circuit of the EVAP canister vent solenoid valve. This will cause the valve to close and DTC P0446 to set.

Step

Action

Values

Yes

No

Schematic Reference: Evaporative Emissions Hose Routing Diagram and Engine Controls Schematics

1

Did you perform the Diagnostic System Check-Engine Controls?

--

Go to Step 2

Go to Diagnostic System Check - Engine Controls

2

Is DTC P0498 set ?

--

Go to Diagnostic Trouble Code (DTC) List

Go to Step 3

3

Inspect the evaporative emission (EVAP) system for the following conditions:

    • A damaged EVAP canister vent solenoid valve--Refer to Evaporative Emission Canister Vent Solenoid Valve Replacement .
    • A pinched EVAP vent hose
    • A damaged EVAP canister--Refer to Evaporative Emission Canister Replacement .

Did you find and correct the condition?

--

Go to Step 14

Go to Step 4

4

  1. Turn OFF the ignition.
  2. Remove the fuel filler cap.
  3. Turn ON the ignition, with the engine OFF.

Is the Fuel Tank Pressure Sensor parameter within the specified range?

-1 to +1 in H2O

Go to Step 5

Go to Step 9

5

Important: DO NOT exceed the specified value in this step. Exceeding the specified value may produce incorrect test results.

  1. Turn OFF the ignition.
  2. Connect the J 41413-200 (J 41413-100) Evaporative Emissions System Tester (EEST) power supply clips to a known good 12-volt source.
  3. Install the J 41415-40 Fuel Fill Cap Adapter to the fuel fill pipe.
  4. Connect the fuel fill cap to the J 41415-40 .
  5. Connect the J 41413-200 (J 41413-100) nitrogen/smoke supply hose to the J 41415-40 .
  6. Turn ON the ignition, with the engine OFF
  7. Command the EVAP canister vent solenoid valve closed with a scan tool.
  8. Turn the nitrogen/smoke valve on the J 41413-200 (J 41413-100) control panel to NITROGEN.
  9. Monitor the pressure gage on the J 41413-200 (J 41413-100).
  10. Pressurize the EVAP system to the specified value with the remote switch.
  11. Observe the Fuel Tank Pressure Sensor parameter with a scan tool.

Does the Fuel Tank Pressure sensor parameter closely match the gage reading on the EEST?

5 in H2O

Go to Step 6

Go to Step 9

6

Command the EVAP canister vent solenoid valve open with a scan tool.

Is the Fuel Tank Pressure Sensor parameter less than the specified value?

1 in H2O

Go to Diagnostic Aids

Go to Step 7

7

Remove the EVAP canister vent solenoid valve from the EVAP canister. Refer to Evaporative Emission Canister Vent Solenoid Valve Replacement .

Is the Fuel Tank Pressure Sensor parameter less than the specified value ?

1 in H2O

Go to Step 11

Go to Step 8

8

Disconnect the EVAP vent hose from the EVAP canister.

Is the Fuel Tank Pressure Sensor parameter less than the specified value?

1 in H2O

Go to Step 12

Go to Step 10

9

Test for an intermittent and for a poor connection at the fuel tank pressure (FTP) sensor. Refer to Testing for Intermittent Conditions and Poor Connections and Connector Repairs in Wiring Systems.

Did you find and correct the condition?

--

Go to Step 14

Go to Step 13

10

Repair the pinched or restricted EVAP vent hose.

Did you complete the repair?

--

Go to Step 14

--

11

Replace the EVAP canister vent solenoid valve. Refer to Evaporative Emission Canister Vent Solenoid Valve Replacement .

Did you complete the replacement?

--

Go to Step 14

--

12

Replace the EVAP canister. Refer to Evaporative Emission Canister Replacement .

Did you complete the replacement?

--

Go to Step 14

--

13

Replace the FTP sensor. Refer to Fuel Tank Pressure Sensor Replacement .

Did you complete the replacement?

--

Go to Step 14

--

14

Important: DO NOT exceed the specified value in this step. Exceeding the specified value may produce incorrect test results.

  1. Turn OFF the ignition.
  2. Connect all disconnected components.
  3. Connect the J 41413-200 (J 41413-100) to the fuel fill pipe.
  4. Turn ON the ignition, with the engine OFF.
  5. Command the EVAP canister vent solenoid valve closed with a scan tool.
  6. Turn the nitrogen/smoke valve on the J 41413-200 (J 41413-100) control panel to NITROGEN.
  7. Pressurize the EVAP system to the first specified value with the remote switch.
  8. Observe the Fuel Tank Pressure Sensor parameter with a scan tool.
  9. Command the EVAP canister vent solenoid valve open with a scan tool.

Is the Fuel Tank Pressure Sensor parameter less than the second specified value within 60 seconds.

5 in H2O

1 in H2O

Go to Step 15

Go to Step 2

15

Observe the Capture Info with a scan tool.

Are there any DTCs that have not been diagnosed?

--

Go to Diagnostic Trouble Code (DTC) List

System OK