GM Service Manual Online
For 1990-2009 cars only

Object Number: 890590  Size: MF

Circuit Description

The body control module (BCM) controls the right front turn signal, hazard lamp, and daytime running lamp (DRL). The BCM supplies voltage to control the lighting functions. The BCM monitors the right turn signal lamp supply voltage circuit for proper operation.

Conditions for Setting the DTC

    • The BCM detects that the right turn signal lamp supply voltage circuit is shorted to ground or open.
    • The condition must be present for 0.3 seconds.

Action Taken When the DTC Sets

    • The service vehicle soon message will displayed.
    • Stores a DTC B3949 in the BCM memory.
    • If failure is open, short to ground, or to power the rear turn signal flashes at double rate.

Conditions for Clearing the DTC

    • This DTC requires an ignition cycle in order to change from current to history.
    • The BCM no longer detects continuous battery voltage on the RH turn signal monitor circuit for longer than 5 seconds.
    • A history DTC will clear after 50 consecutive ignition cycles if the condition for the malfunction is no longer present.

Diagnostic Aids

    • The following conditions may cause an intermittent malfunction:
       - There is an intermittent short to voltage in the RH turn signal monitor circuit.
       - The turn signal switch or the hazard switch is internally shorted or is sticking.
    • The BCM needs to detect voltage oscillations on the RH turn signal monitor circuit in order to de-energize the RH DRL relay. If the BCM detects continuous voltage on the RH turn signal monitor circuit, the BCM interprets this as a short to voltage. The BCM will continue with normal DRL operation, and the RF turn signal will remain inoperative.
    • If the DTC is a history DTC, the problem may be intermittent. Perform the tests shown while moving related wiring and connectors. This can often cause the malfunction to occur. Refer to Testing for Intermittent Conditions and Poor Connections in Wiring Systems.

Step

Action

Yes

No

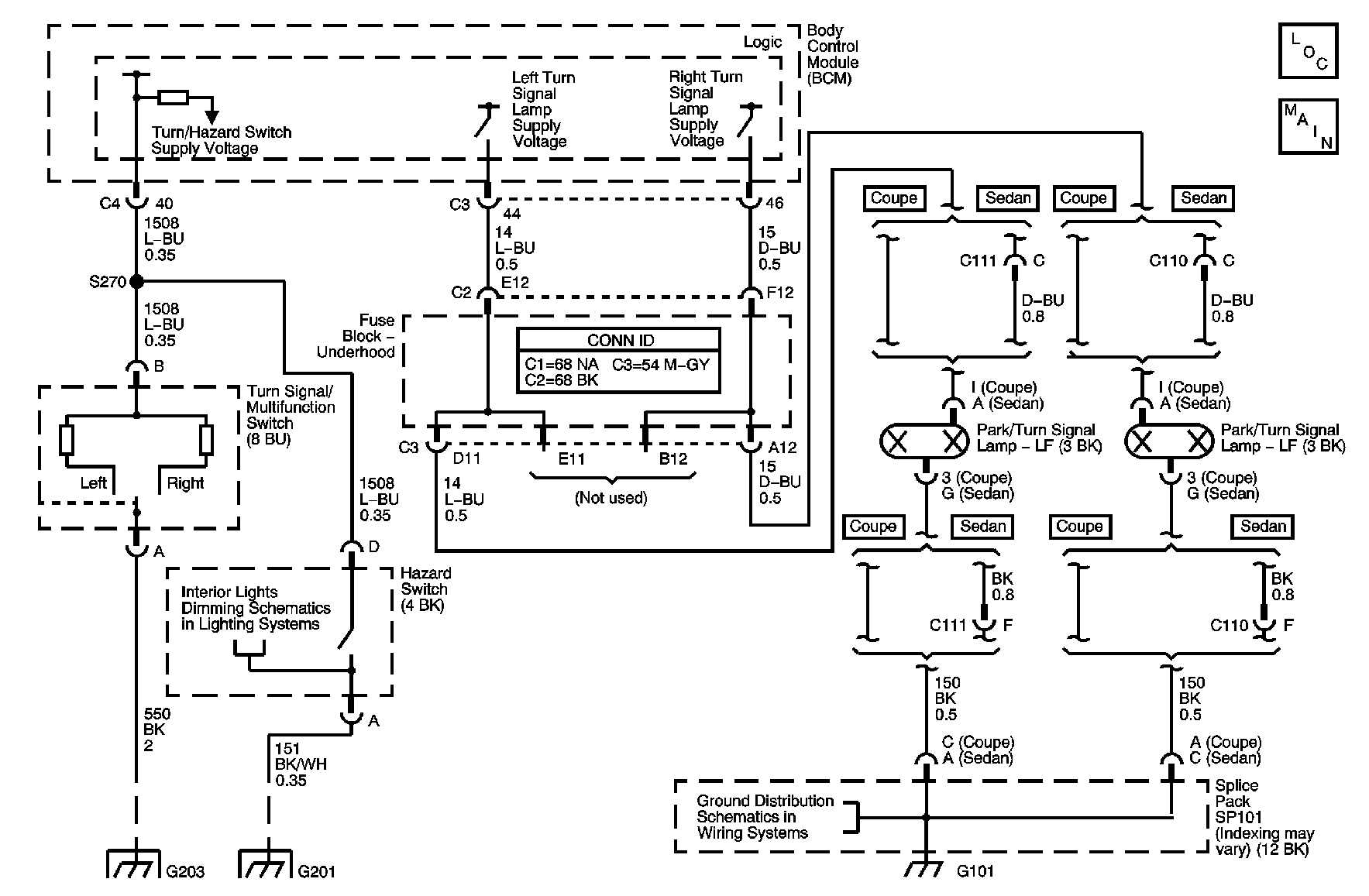
Schematic Reference: Exterior Lights Schematics

Connector End View Reference: Lighting Systems Connector End Views

1

Did you perform the Diagnostic System Check - Lighting Systems?

Go to Step 2

Go to Diagnostic System Check - Lighting Systems

2

  1. Turn ON the ignition, with the engine OFF.
  2. Place the turn signal switch in the right turn position.

Does the right front turn signal operate properly?

Go to Testing for Intermittent Conditions and Poor Connections in Wiring Systems

Go to Step 3

3

Observe the right front turn signal lamp.

Is the lamp always on?

Go to Step 6

Go to Step 4

4

Inspect the condition of the right front turn signal bulb.

Is the bulb burned out?

Go to Step 8

Go to Step 5

5

Test for an open, high resistance, or short to ground in the right turn signal lamp supply voltage circuit. Refer to Circuit Testing and Wiring Repairs in Wiring Systems.

Did you find and correct the condition?

Go to Step 10

Go to Step 7

6

Test for a short to voltage in the right turn signal lamp supply voltage circuit. Refer to Circuit Testing and Wiring Repairs in Wiring Systems.

Did you find and correct the condition?

Go to Step 10

Go to Step 7

7

Inspect for poor connections at the harness connector of the body control module (BCM). Refer to Testing for Intermittent Conditions and Poor Connections and Connector Repairs in Wiring Systems.

Did you find and correct the condition?

Go to Step 10

Go to Step 9

8

Replace the right front turn signal bulb. Refer to Headlamp Assembly or Headlamp Bulb and/or Cornering, Sidemarker, Park, Turn Signal Bulb Replacement for sedans or Park/Turn Signal Lamp Bulb Replacement for coupes.

Did you complete the replacement?

Go to Step 10

--

9

Important: Perform the set up procedure for the BCM. Refer to Body Control Module (BCM) Programming/RPO Configuration in Body Control System.

Replace the BCM. Refer to Body Control Module Replacement in Body Control System.

Did you complete the replacement?

Go to Step 10

--

10

  1. Use the scan tool in order to clear the DTCs.
  2. Operate the vehicle within the Conditions for Setting the DTC as specified in the supporting text.

Does the DTC reset?

Go to Step 2

System OK