GM Service Manual Online
For 1990-2009 cars only
Makes
🢒
Saturn
🢒
2005
🢒
ION
🢒
Accessories
🢒
Cruise Control
🢒 Cruise Control Schematics
Figure
1:
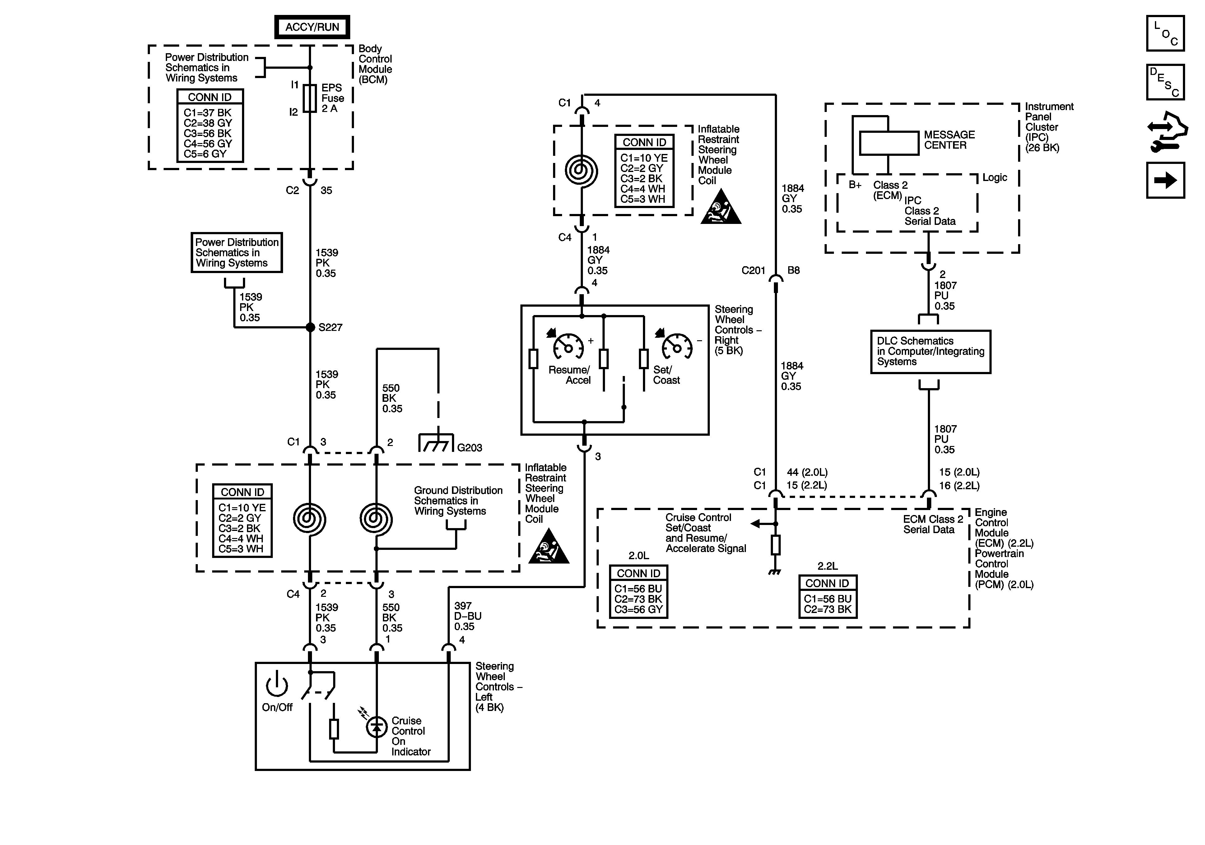
Driver Controls
Master Electrical Component List
Cruise Control Description and Operation non 2.0L
Control Module References
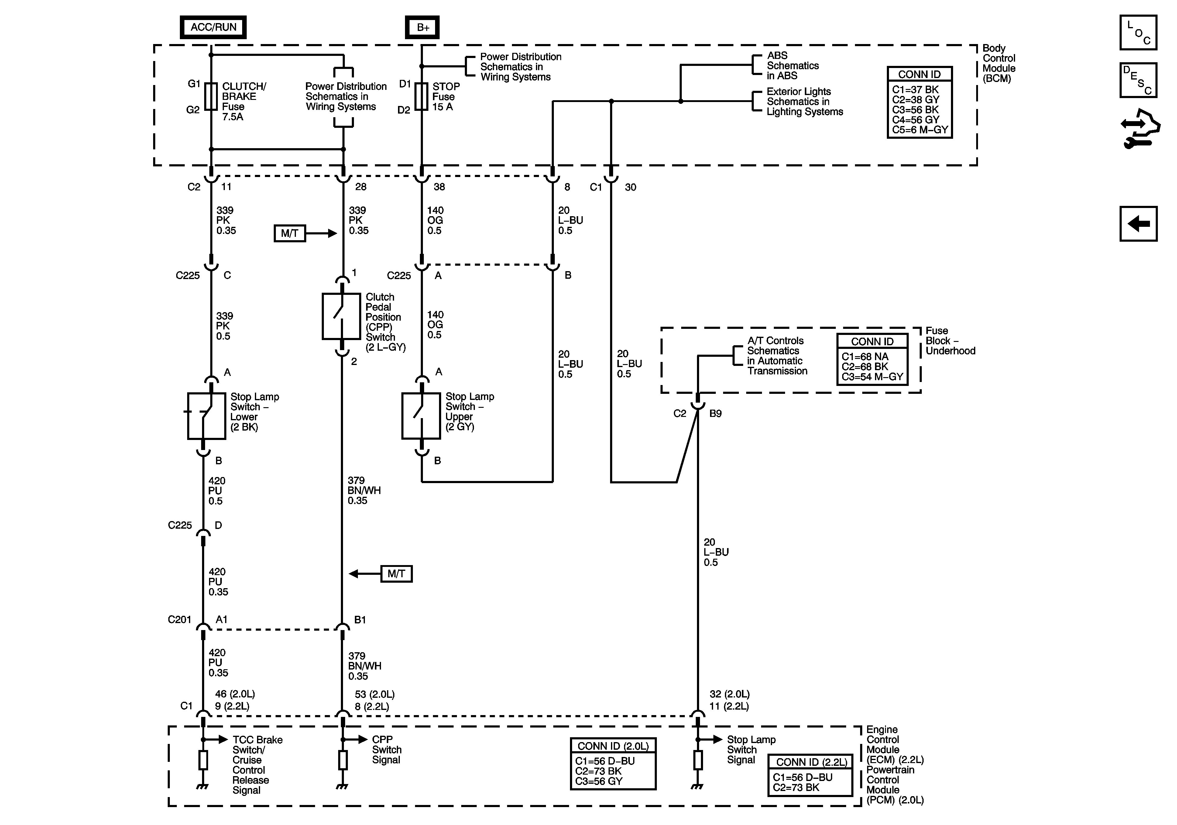
Stop Lamp and Clutch Switches
SIR Caution for Zoning
SIR Caution for Zoning
AIR BAG, CLUTCH/BRAKE, and 2A EPS (2A) Fuses
AIR BAG, CLUTCH/BRAKE, and 2A EPS (2A) Fuses
DLC Power, Ground, Class 2, and Low Speed GM LAN
G203
G203
Figure
2:
Stop Lamp and Clutch Switches
Master Electrical Component List
Cruise Control Description and Operation non 2.0L
Control Module References
Driver Controls
AIR BAG, CLUTCH/BRAKE, and 2A EPS (2A) Fuses
Fuseblock - Underhood Bus
Traction Control, DLC, and Indicators
Stop Lamps
Accessory Voltage, Stop Lamp Switch, and Serial Data