GM Service Manual Online
For 1990-2009 cars only
Makes
🢒
Saturn
🢒
2005
🢒
ION
🢒
Steering
🢒
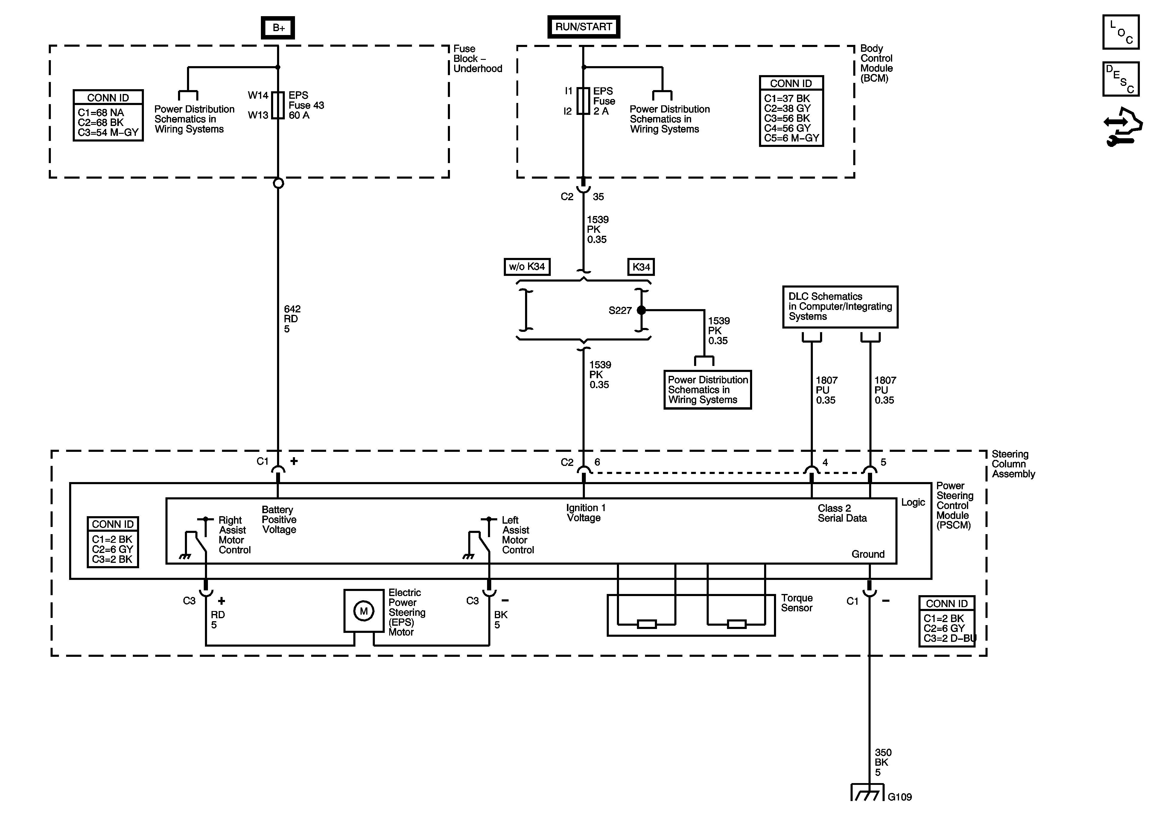
Power Steering System
🢒 Power Steering Schematics
Master Electrical Component List
Power Steering System Description and Operation
Control Module References
Fuseblock - Underhood Bus
AIR BAG, CLUTCH/BRAKE, and 2A EPS (2A) Fuses
AIR BAG, CLUTCH/BRAKE, and 2A EPS (2A) Fuses
DLC Power, Ground, Class 2, and Low Speed GM LAN
G103 (2.2L), G105 (2.2L), G109