GM Service Manual Online
For 1990-2009 cars only
Makes
🢒
Saturn
🢒
2005
🢒
ION
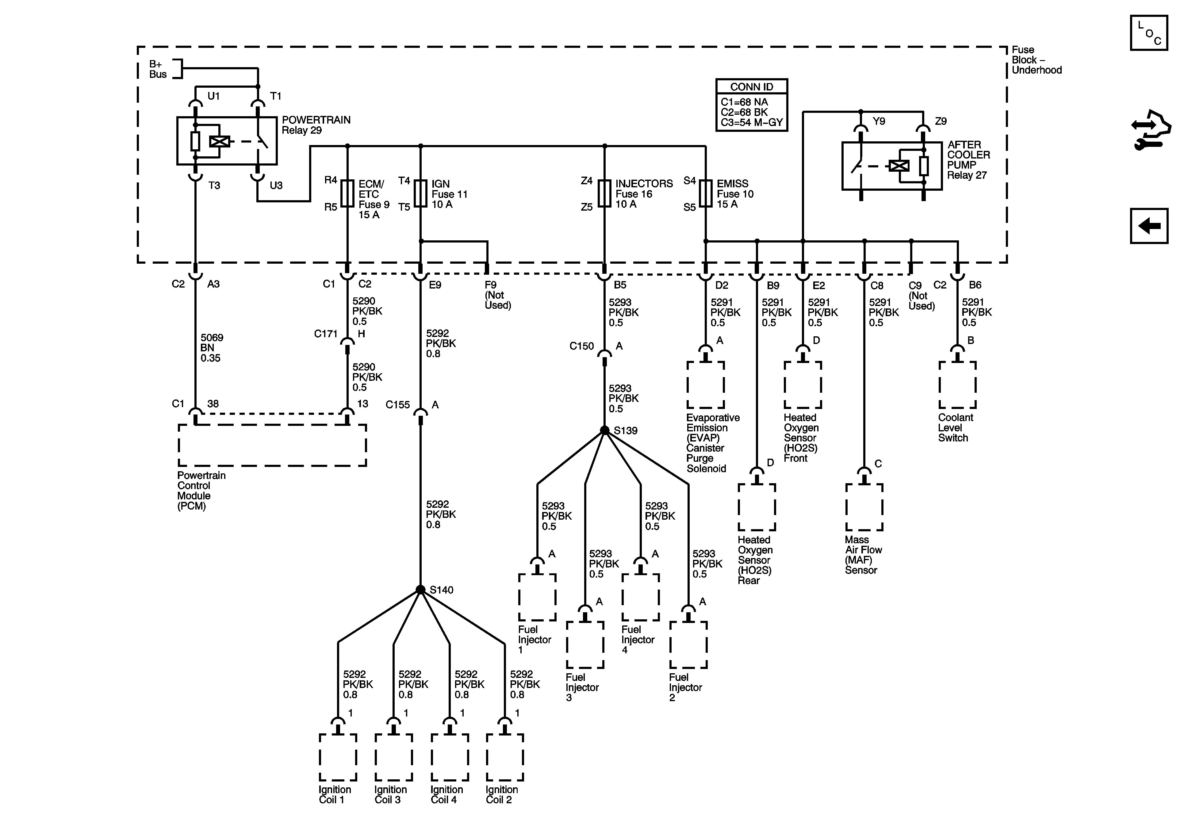
🢒 ECM/ETC, EMISS, IGN, and INJECTORS Fuses - 2.0L
ECM/ETC, EMISS, IGN, and INJECTORS Fuses - 2.0L
ECM/ETC, IGN, INJECTORS, and EMISS Fuses - 2.0L
Master Electrical Component List
Control Module References
ECM/ETC, EMISS, IGN, and INJECTORS Fuses - 2.2L
Fuseblock - Underhood Bus