GM Service Manual Online
For 1990-2009 cars only
Makes
🢒
Saturn
🢒
2005
🢒
ION
🢒 Fog Lights
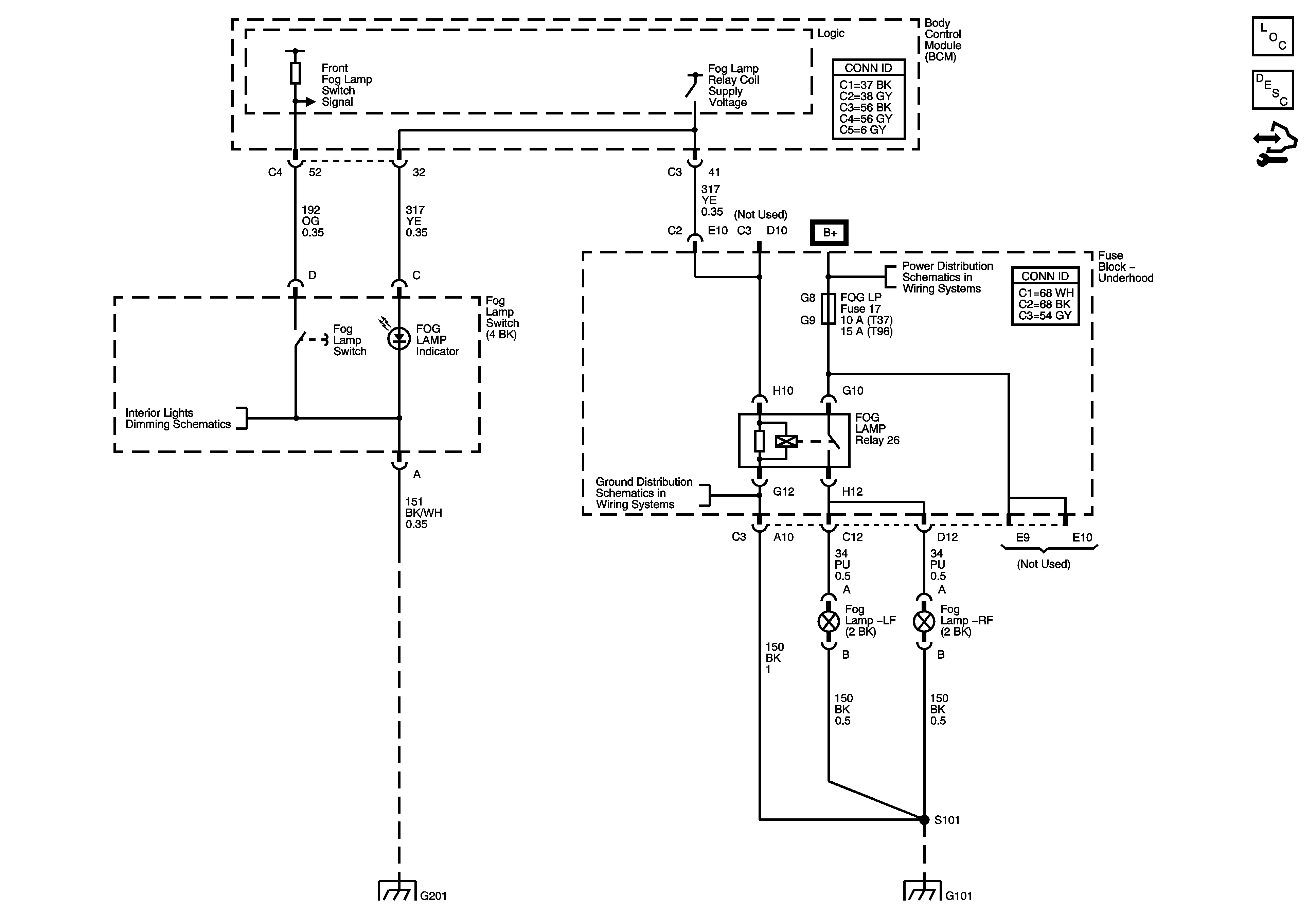
Fog Lights
Master Electrical Component List
Exterior Lighting Systems Description and Operation
Control Module References
Controls and Lamps (1 of 2)
G101
Fuseblock - Underhood Bus
G201
G101