GM Service Manual Online
For 1990-2009 cars only
Makes
🢒
Saturn
🢒
2005
🢒
ION
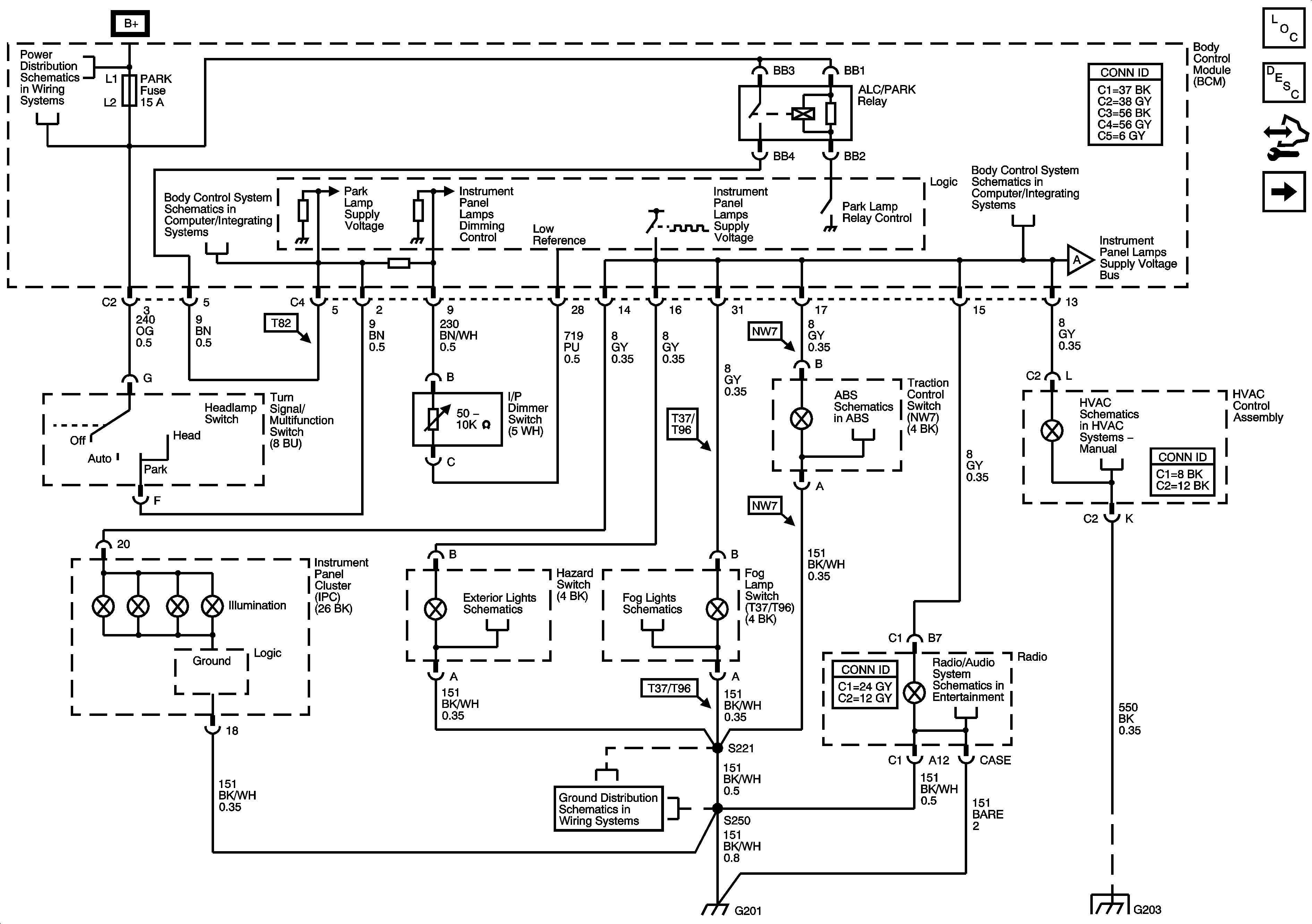
🢒 Controls and Lamps (1 of 2)
Controls and Lamps (1 of 2)
Controls and Lamps (1 of 2)
Master Electrical Component List
Interior Lighting Systems Description and Operation
Control Module References
BCM (PWR), DASH, IP BATT 1, IP BATT 1A, LIGHTER, ONSTAR, PARK, PWR OUTLET, PWR WINDOWS, RADIO (ACC.), RADIO (BATT), SUN ROOF, and WIPER SW Fuses
References to Lighting - 1 of 2
BCM Power, Ground, and References to Brakes, Lights Dimming, DLC, HVAC, Shift Lock, and Theft Deterrent
Traction Control, DLC, and Indicators
Air Recirculation Controls - C60
Turn/Hazard Lamps
Fog Lights
Ground, Power, Signals, and References to Cellular Communications and Lighting
G203
G201
G203