GM Service Manual Online
For 1990-2009 cars only
Makes
🢒
Saturn
🢒
2005
🢒
ION
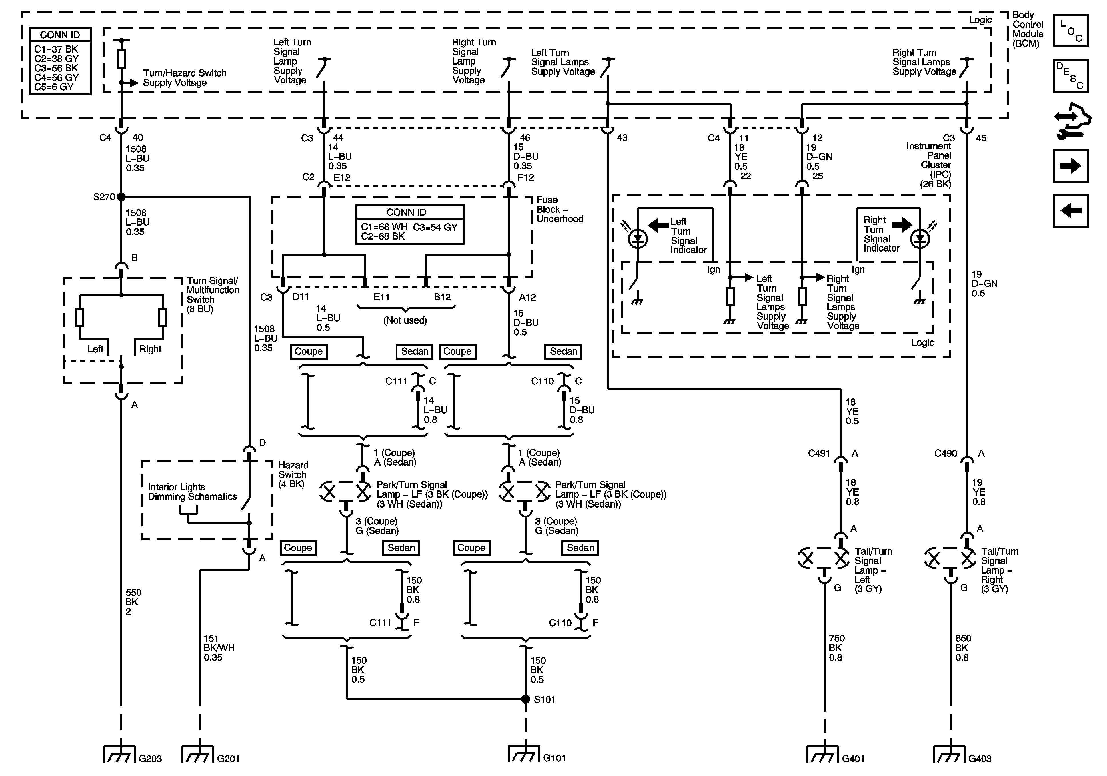
🢒 Turn/Hazard Lamps
Turn/Hazard Lamps
Turn/Hazard Lamps
Master Electrical Component List
Exterior Lighting Systems Description and Operation
Control Module References
Stop Lamps
Parking Lamps
Controls and Lamps (1 of 2)
G203
G201
G101
G401
G403 and G502