GM Service Manual Online
For 1990-2009 cars only
Makes
🢒
Saturn
🢒
2006
🢒
ION
🢒
Engine
🢒
Engine Electrical
🢒 Starting and Charging Schematics
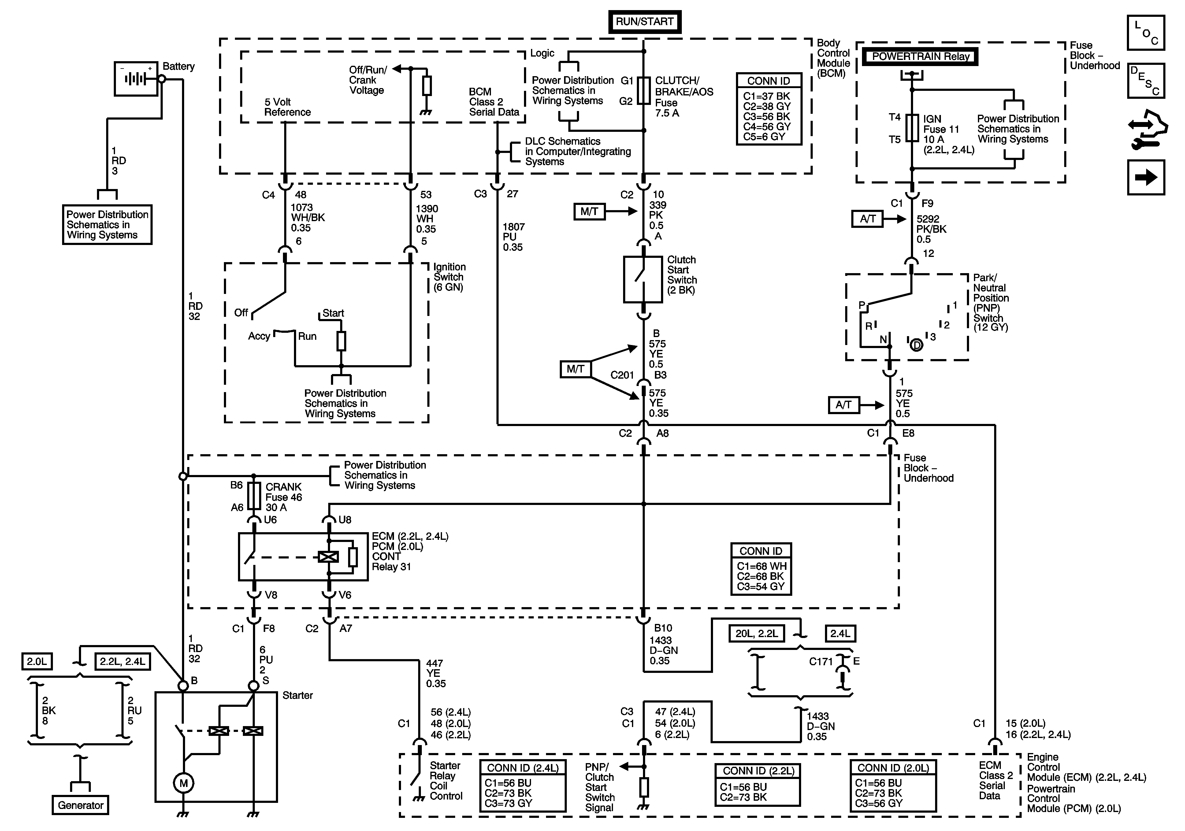
Figure
1:
Starting
Master Electrical Component List
Starting System Description and Operation
Control Module References
Charging
B+ Bus
AIR BAG/AOS, CLUTCH/BRAKE/AOS, and EPS/CRUISE Fuses
DLC Power, Ground, Class 2, and Low Speed GM LAN
AIR PUMP RLY, ECM/ETC, EMISS, IGN, and INJECTOR Fuses, AIR SOLENOID, POWERTRAIN Relays - 2.2L
Ignition Switch, RUN/CRANK Fuse, RUN/CRANK (IGN1) Relay
B+ Bus
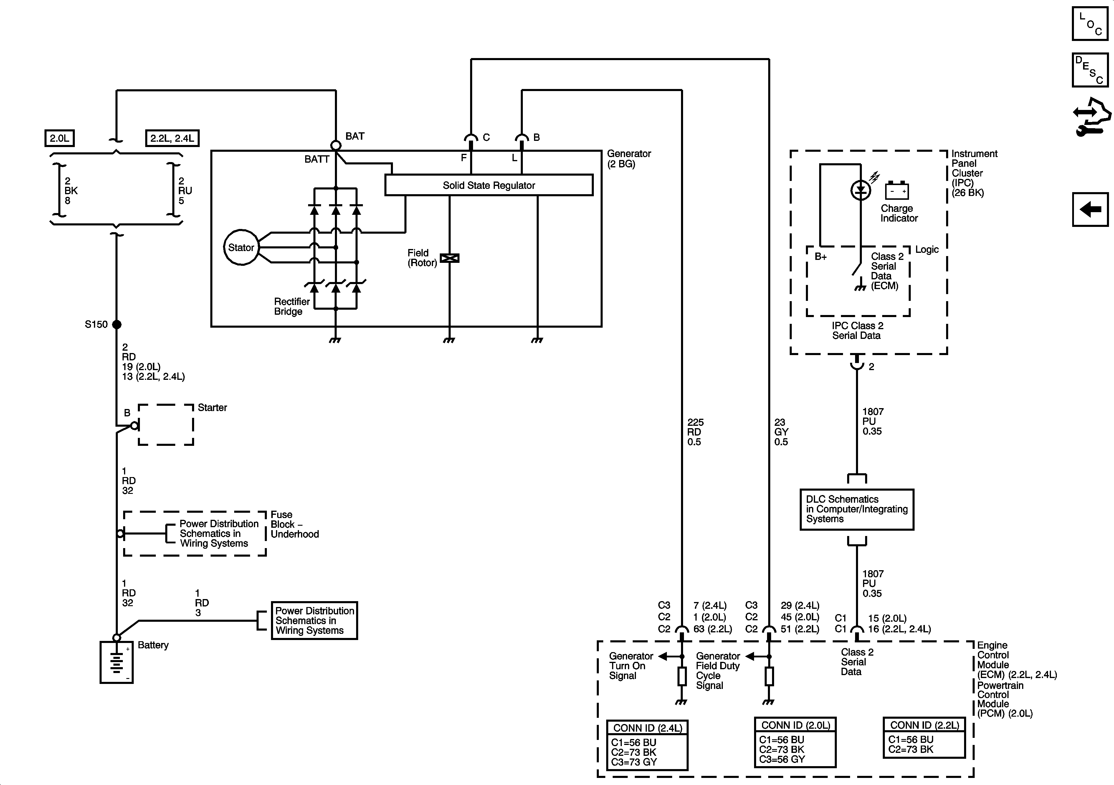
Figure
2:
Charging
Master Electrical Component List
Charging System Description and Operation
Control Module References
Starting
B+ Bus
B+ Bus
DLC Power, Ground, Class 2, and Low Speed GM LAN