GM Service Manual Online
For 1990-2009 cars only
Makes
🢒
Saturn
🢒
2006
🢒
ION
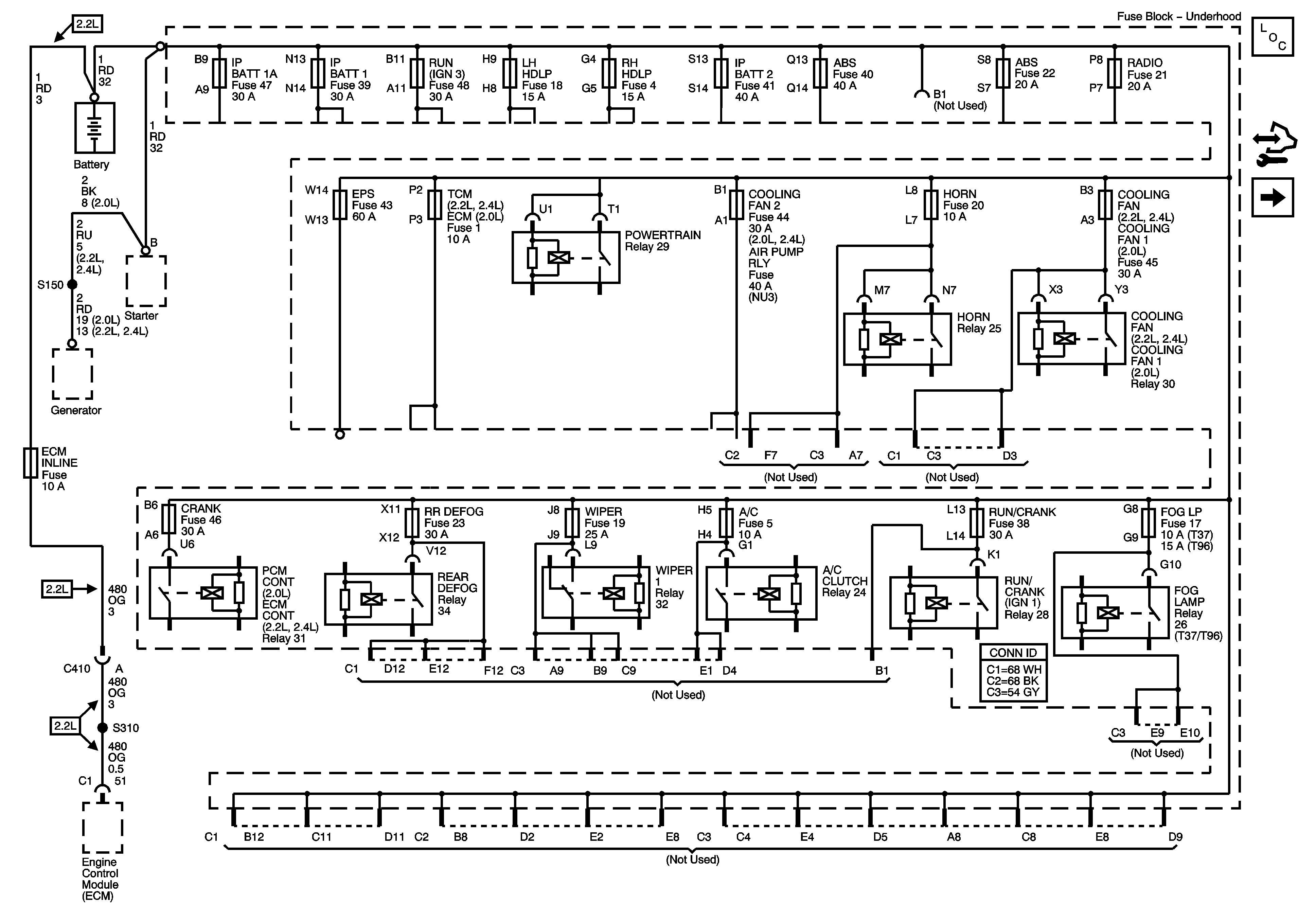
🢒 B+ Bus
B+ Bus
B+ Bus
Master Electrical Component List
Control Module References
ABS (40A), ABS (20A), ECM, LH HDLP, RADIO, RH HDLP, and TCM Fuses