GM Service Manual Online
For 1990-2009 cars only
Makes
🢒
Saturn
🢒
2006
🢒
ION
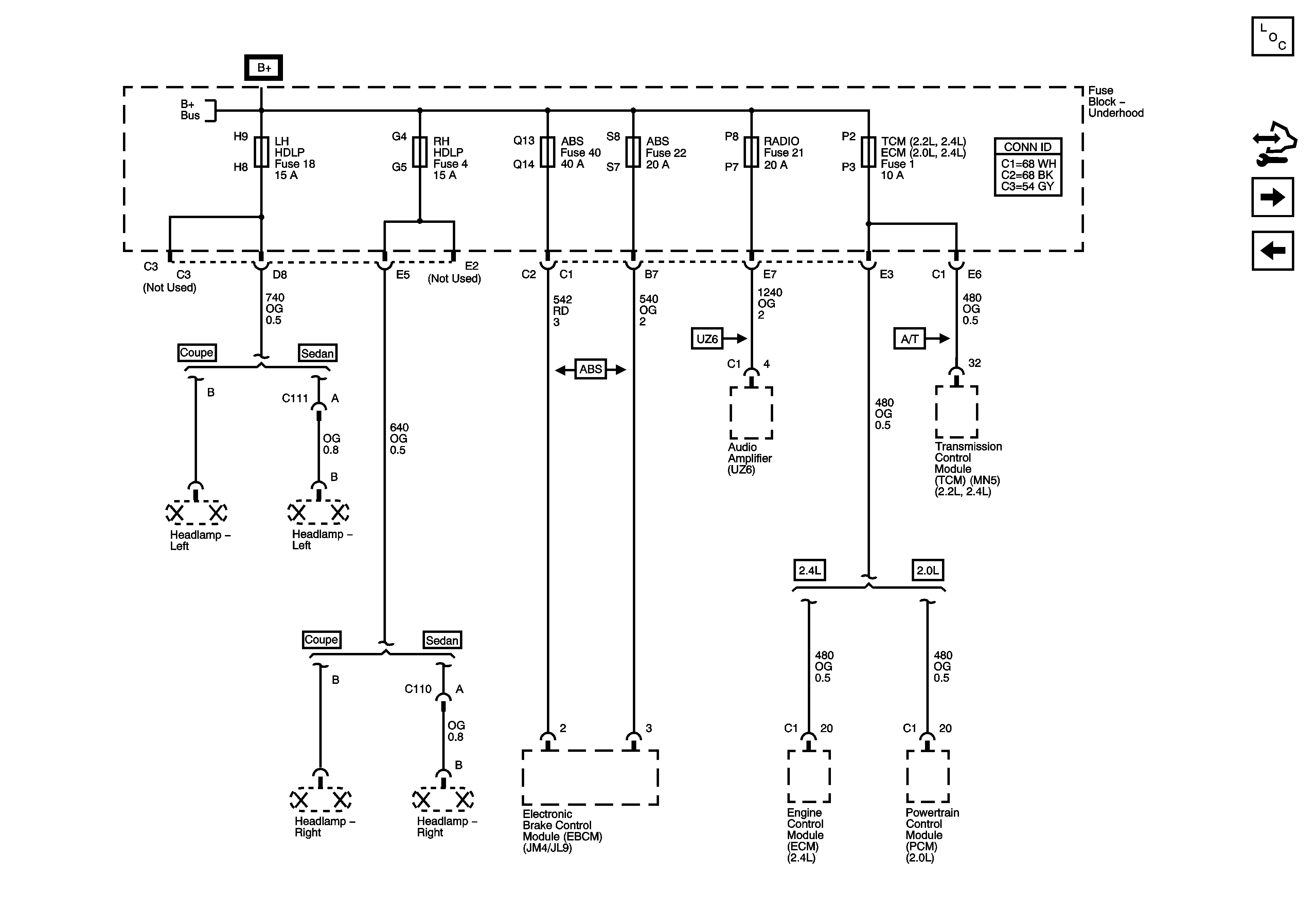
🢒 ABS (40A), ABS (20A), ECM, LH HDLP, RADIO, RH HDLP, and TCM Fuses
ABS (40A), ABS (20A), ECM, LH HDLP, RADIO, RH HDLP, and TCM Fuses
ABS (40A), ABS (20A), ECM, LH HDLP, RADIO, RH HDLP, and TCM Fuses
Master Electrical Component List
Control Module References
BCM (PWR), DASH, IP BATT 1, IP BATT 1A, LIGHTER, ONSTAR, PARK, PWR OUTLET, PWR WINDOWS, RADIO (ACC.), RADIO (BATT), SUN ROOF, and WIPER SW Fuses
B+ Bus
B+ Bus