GM Service Manual Online
For 1990-2009 cars only
Makes
🢒
Saturn
🢒
2006
🢒
ION
🢒
Vehicle Control Systems
🢒
Computer/Integrating Systems
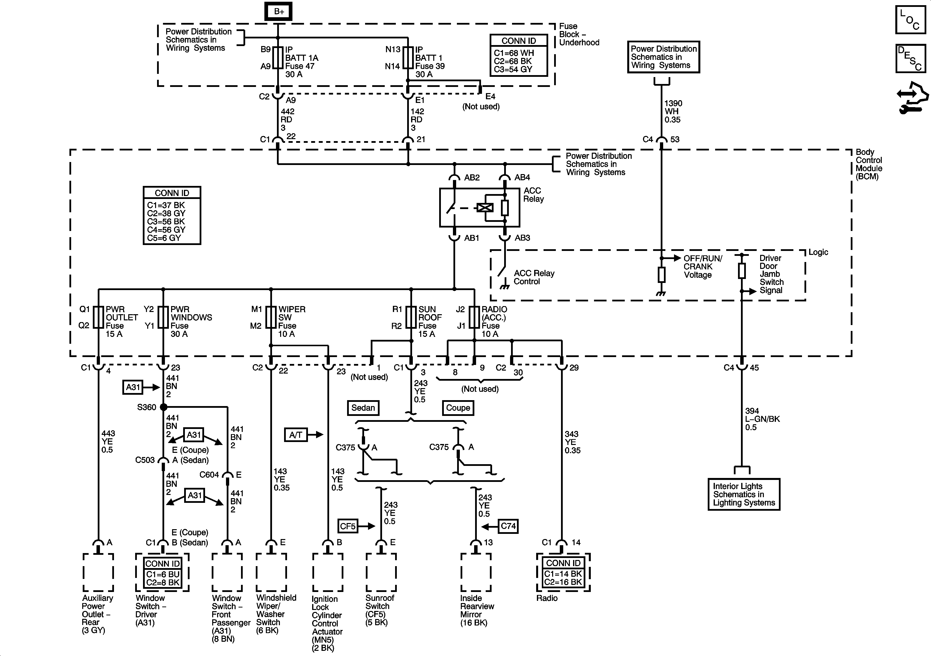
🢒 Retained Accessory Power (RAP) Schematics
Master Electrical Component List
Retained Accessory Power (RAP) Description and Operation
Control Module References
B+ Bus
Ignition Switch, RUN/CRANK Fuse, RUN/CRANK (IGN1) Relay
Interior Lights