GM Service Manual Online
For 1990-2009 cars only
Figure 1:

Power, Ground, MIL, and Serial Data


Object Number: 1430848  Size: FS
Master Electrical Component List
Powertrain Control Module Description
Control Module References
Engine Data Sensors - 5-Volt and Low Reference Bussing - 2.0L
Engine Controls Schematic Icons
B+ Bus
Ignition Switch, RUN/CRANK Fuse, RUN/CRANK (IGN1) Relay
Ignition Switch, RUN/CRANK Fuse, RUN/CRANK (IGN1) Relay
ABS (10A), BACK UP, BOOST, ECM, TRANS 1, and TRANS 2 Fuses
Ignition Switch, RUN/CRANK Fuse, RUN/CRANK (IGN1) Relay
BCM ELECT, CLUSTER/AOS, EPS (60A), FUEL PUMP, HVAC, IGN SW, IP BATT 2, RUN (IGN 3), and STOP Fuses, RUN and FUEL PUMP Relays
DLC Power, Ground, Class 2, and Low Speed GM LAN
G103 and G105 - 2.0L, and G107 - 2.4L
G101
Figure 2:

Engine Data Sensors - 5-Volt and Low Reference Busing


Object Number: 1592625  Size: FS
Master Electrical Component List
Powertrain Control Module Description
Control Module References
Engine Data Sensors - Pressure and Temperature - 2.0L
Power, Ground, MIL, and Serial Data - 2.0L
Engine Controls Schematic Icons
Figure 3:

Engine Data Sensors - Pressure and Temperature


Object Number: 1470939  Size: FS
Master Electrical Component List
Powertrain Control Module Description
Control Module References
Engine Data Sensors - MAF/IAT, CKP, KS, CMP and Stop Lamp Switch Lower - 2.0L
Engine Data Sensors - 5-Volt and Low Reference Bussing - 2.0L
Engine Controls Schematic Icons
Fuel Level and Oil Pressure
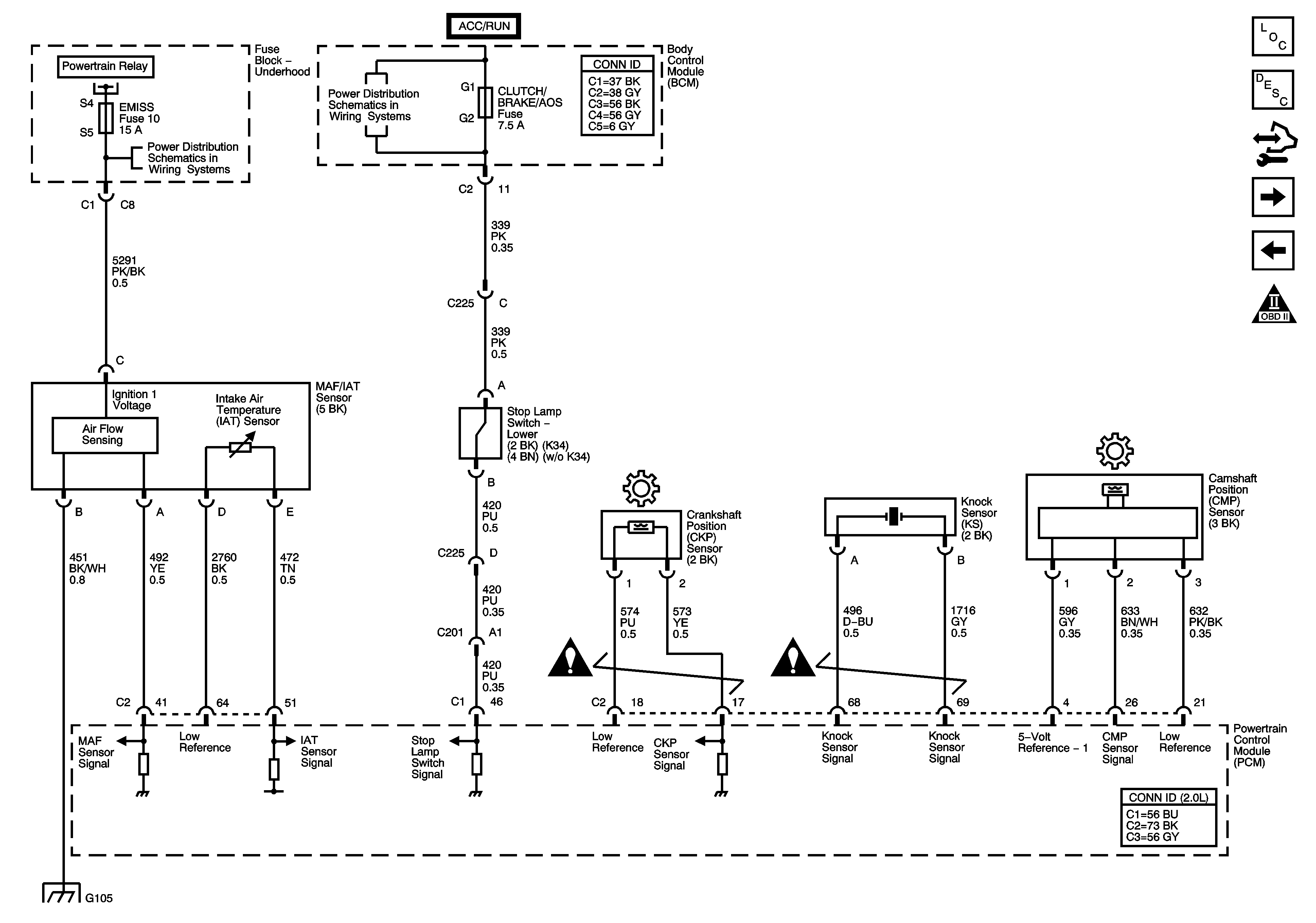
Figure 4:

Engine Data Sensors - MAF/IAT, CKP, KS and Stop Lamp Switch - Lower


Object Number: 1618168  Size: FS
Master Electrical Component List
Electronic Ignition (EI) System Description
Control Module References
Engine Data Sensors - HO2S- 2.0L
Engine Data Sensors - Pressure and Temperature - 2.0L
Engine Controls Schematic Icons
COOLING FAN, ECM/ETC, EMISS, INJECTORS, and IGN Fuses, AFTER COOLER PUMP and POWERTRAIN Relays - 2.0L
AIR BAG/AOS, CLUTCH/BRAKE/AOS, and EPS/CRUISE Fuses
G103 and G105 - 2.0L, and G107 - 2.4L
Figure 5:

Engine Data Sensors - HO2S


Object Number: 1470948  Size: FS
Master Electrical Component List
Powertrain Control Module Description
Control Module References
Engine Data Sensors - APP and TAC- 2.0L
Engine Data Sensors - MAF/IAT, CKP, KS, CMP and Stop Lamp Switch Lower - 2.0L
Engine Controls Schematic Icons
Power, Ground, MIL, and Serial Data - 2.0L
COOLING FAN, ECM/ETC, EMISS, INJECTORS, and IGN Fuses, AFTER COOLER PUMP and POWERTRAIN Relays - 2.0L
Figure 6:

Engine Data Sensors - APP and TAC


Object Number: 1470952  Size: FS
Master Electrical Component List
Throttle Actuator Control (TAC) System Description
Control Module References
Ignition Controls - 2.0L
Engine Data Sensors - HO2S- 2.0L
Engine Controls Schematic Icons
Figure 7:

Ignition Controls


Object Number: 1470955  Size: FS
Master Electrical Component List
Electronic Ignition (EI) System Description
Control Module References
Fuel Controls - 2.0L
Engine Data Sensors - APP and TAC- 2.0L
Engine Controls Schematic Icons
Power, Ground, MIL, and Serial Data - 2.0L
G103 and G105 - 2.0L, and G107 - 2.4L
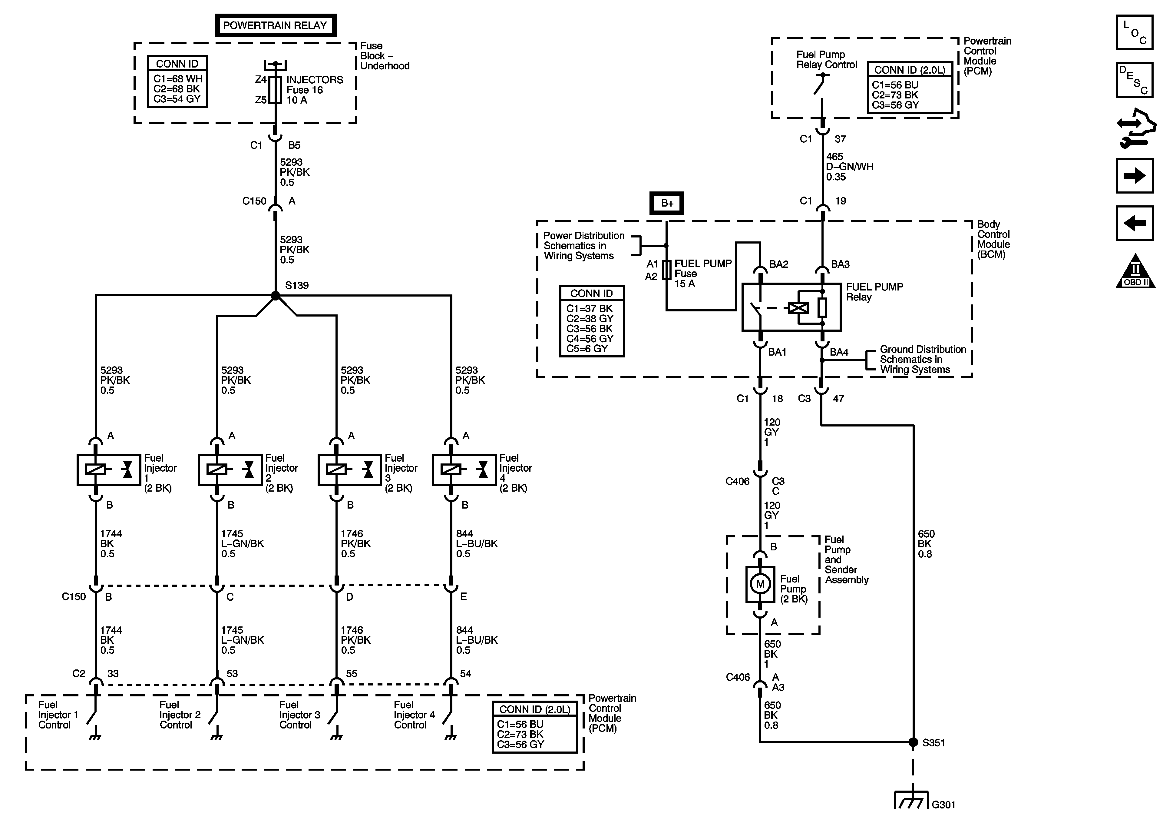
Figure 8:

Fuel Controls


Object Number: 1592622  Size: FS
Master Electrical Component List
Fuel System Description
Control Module References
Engine Data Sensors - EVAP. After Cooler Pump and Super Charger By-Pass Valve - 2.0L
Ignition Controls - 2.0L
Engine Controls Schematic Icons
Power, Ground, MIL, and Serial Data - 2.0L
BCM ELECT, CLUSTER/AOS, EPS (60A), FUEL PUMP, HVAC, IGN SW, IP BATT 2, RUN (IGN 3), and STOP Fuses, RUN and FUEL PUMP Relays
G301
G301
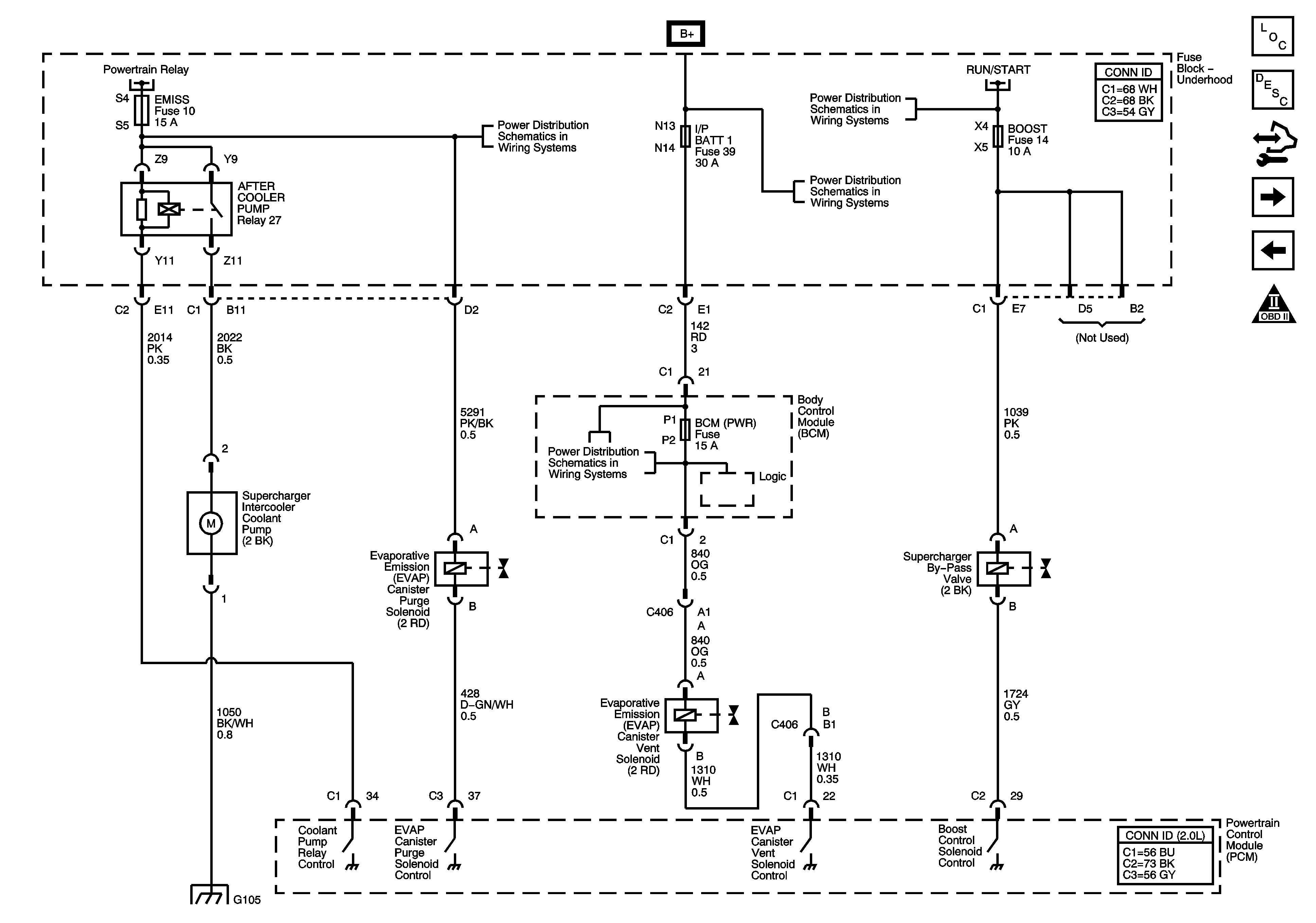
Figure 9:

EVAP Controls, After Cooler Pump, and Supercharger By-Pass Valve Solenoid


Object Number: 1592626  Size: FS
Master Electrical Component List
Supercharger Description and Operation
Control Module References
Controlled/Monitored Subsystem Reference - 2.0L
Fuel Controls - 2.0L
Engine Controls Schematic Icons
Power, Ground, MIL, and Serial Data - 2.0L
COOLING FAN, ECM/ETC, EMISS, INJECTORS, and IGN Fuses, AFTER COOLER PUMP and POWERTRAIN Relays - 2.0L
ABS (10A), BACK UP, BOOST, ECM, TRANS 1, and TRANS 2 Fuses
B+ Bus
BCM (PWR), DASH, IP BATT 1, IP BATT 1A, LIGHTER, ONSTAR, PARK, PWR OUTLET, PWR WINDOWS, RADIO (ACC.), RADIO (BATT), SUN ROOF, and WIPER SW Fuses
G103 and G105 - 2.0L, and G107 - 2.4L
Figure 10:

Controlled/Monitored Subsystem Reference


Object Number: 1592637  Size: FS
Master Electrical Component List
Powertrain Control Module Description
Control Module References
Engine Data Sensors - EVAP. After Cooler Pump and Super Charger By-Pass Valve - 2.0L
Engine Controls Schematic Icons
Fuel Level and Oil Pressure
Driver Controls
Stop Lamp and Clutch Switches
Boost Gage / Shift Indicator Module (UXE)
Engine Cooling Schematics - 2.0L
A/C Compressor Controls (C60)
Charging
Starting
Manual Transmission Schematics (MU3)