GM Service Manual Online
For 1990-2009 cars only
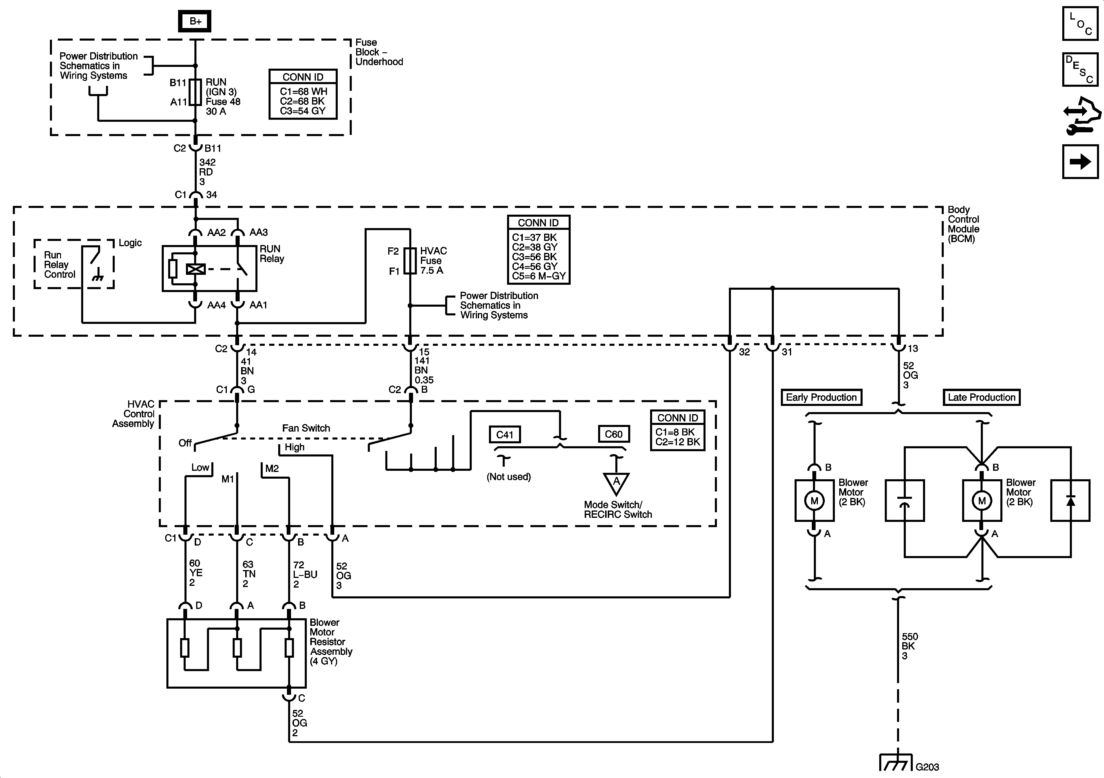
Figure 1:

Blower Controls


Object Number: 1664002  Size: FS
Master Electrical Component List
Air Temperature Description and Operation
Control Module References
A/C Compressor Controls (C60)
BCM ELECT, CLUSTER/AOS, EPS (60A), FUEL PUMP, HVAC, IGN SW, IP BATT 2, RUN (IGN 3), and STOP Fuses, RUN and FUEL PUMP Relays
BCM ELECT, CLUSTER/AOS, EPS (60A), FUEL PUMP, HVAC, IGN SW, IP BATT 2, RUN (IGN 3), and STOP Fuses, RUN and FUEL PUMP Relays
Air Recirculation Controls (C60)
G203
Figure 2:

A/C Compressor Controls - C60


Object Number: 1592456  Size: FS
Master Electrical Component List
Air Temperature Description and Operation
Control Module References
Air Recirculation Controls (C60)
Blower Controls
Ignition Switch, RUN/CRANK Fuse, RUN/CRANK (IGN1) Relay
B+ Bus
Ignition Switch, RUN/CRANK Fuse, RUN/CRANK (IGN1) Relay
G101
G101
Figure 3:

Air Recirculation Controls - C60


Object Number: 1470974  Size: FS
Master Electrical Component List
Air Temperature Description and Operation
Control Module References
A/C Compressor Controls (C60)
Blower Controls
Defogger Schematics
Turn Signal/Multifunction Switch, Instrument Panel Cluster, I/P Dimmer Switch, Hazard Switch, Fog Lamp Switch, Traction Control Switch and Radio
G203