GM Service Manual Online
For 1990-2009 cars only
Figure 1:

Power, Ground, MIL, and Serial Data


Object Number: 1461590  Size: FS
Master Electrical Component List
Engine Control Module Description
Control Module References
Engine Data Sensors - 5-Volt and Reference Bussing - 2.2L
Engine Controls Schematic Icons
B+ Bus
B+ Bus
B+ Bus
ABS (10A), BACK UP, BOOST, ECM, TRANS 1, and TRANS 2 Fuses
ABS (10A), BACK UP, BOOST, ECM, TRANS 1, and TRANS 2 Fuses
Ignition Switch, RUN/CRANK Fuse, RUN/CRANK (IGN1) Relay
BCM ELECT, CLUSTER/AOS, EPS (60A), FUEL PUMP, HVAC, IGN SW, IP BATT 2, RUN (IGN 3), and STOP Fuses, RUN and FUEL PUMP Relays
Accessory Voltage, Stop Lamp Switch, and Serial Data
B+ Bus
High Speed GM LAN - 2.2L
DLC Power, Ground, Class 2, and Low Speed GM LAN
G103 and G105 - 2.2L, 2.4L, and G109
G101
Figure 2:

Engine Data Sensors - 5-Volt and Low Reference Bussing


Object Number: 1592468  Size: FS
Master Electrical Component List
Engine Control Module Description
Control Module References
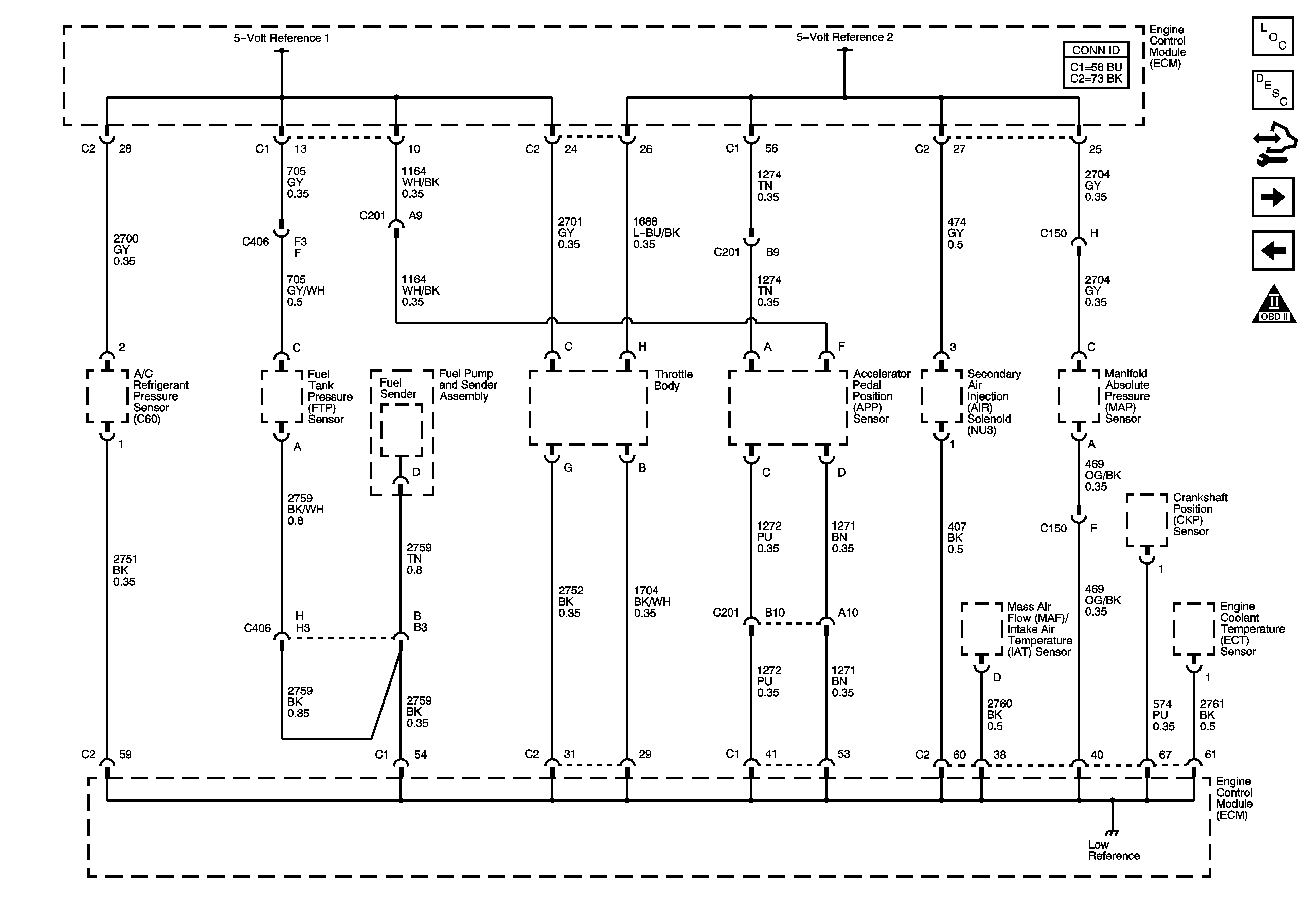
Engine Data Sensors - Pressure, Temperature, and MAF/IAT - 2.2L
Power, Ground, MIL, and Serial Data - 2.2L
Engine Controls Schematic Icons
Figure 3:

Engine Data Sensors - Pressure, Temperature, and MAF/IAT


Object Number: 1592469  Size: FS
Master Electrical Component List
Engine Control Module Description
Control Module References
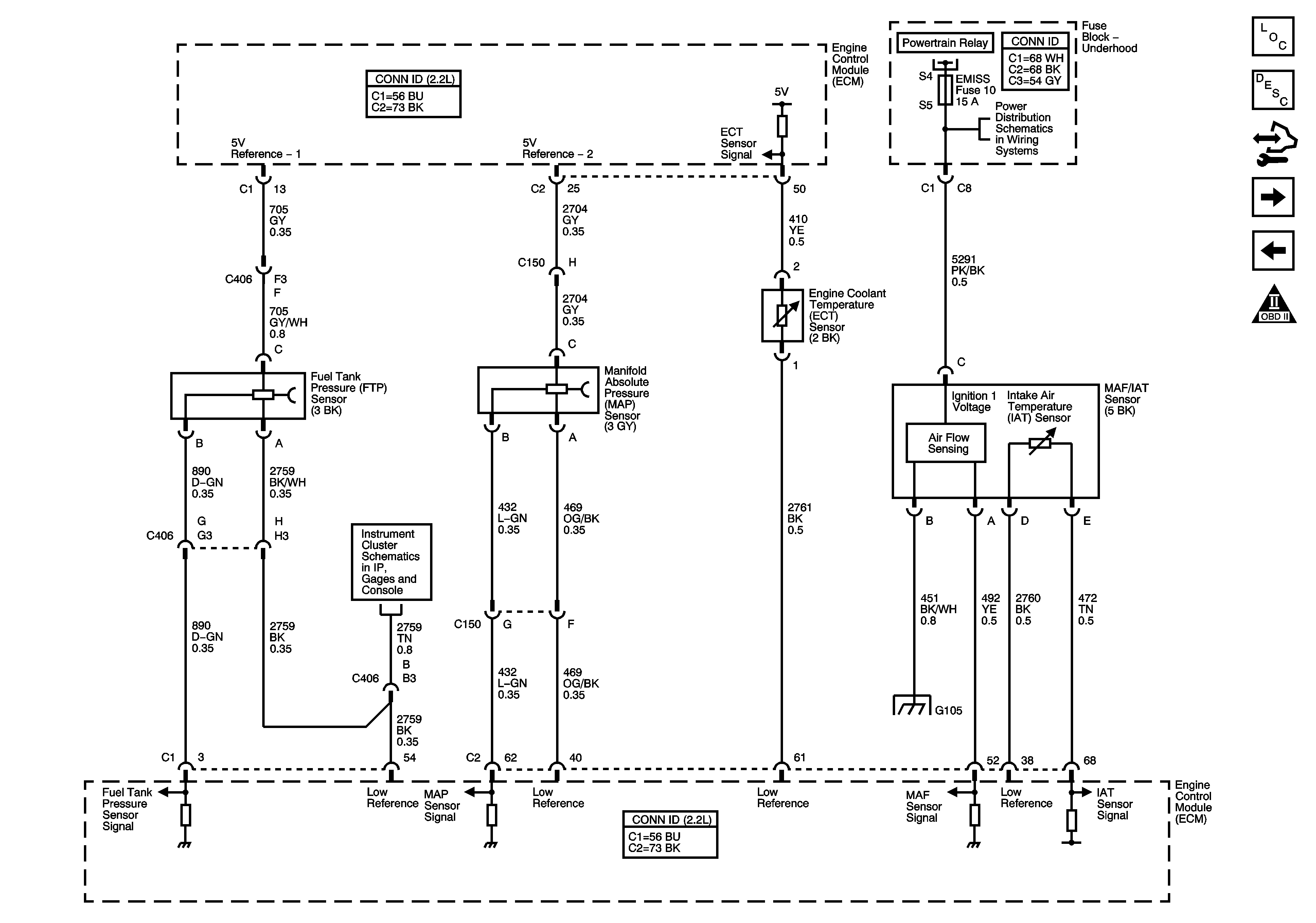
Engine Data Sensors - HO2S - 2.2L
Engine Data Sensors - 5-Volt and Reference Bussing - 2.2L
Engine Controls Schematic Icons
Power, Ground, MIL, and Serial Data - 2.2L
AIR PUMP RLY, ECM/ETC, EMISS, IGN, and INJECTOR Fuses, AIR SOLENOID, POWERTRAIN Relays - 2.2L
Fuel Level and Oil Pressure
G103 and G105 - 2.2L, 2.4L, and G109
Figure 4:

Engine Data Sensors - HO2S


Object Number: 1424845  Size: FS
Master Electrical Component List
Engine Control Module Description
Control Module References
Engine Data Sensors, APP and TAC - 2.2L
Engine Data Sensors - Pressure, Temperature, and MAF/IAT - 2.2L
Engine Controls Schematic Icons
AIR PUMP RLY, ECM/ETC, EMISS, IGN, and INJECTOR Fuses, AIR SOLENOID, POWERTRAIN Relays - 2.2L
Figure 5:

Engine Data Sensors - APP and TAC


Object Number: 1424847  Size: FS
Master Electrical Component List
Throttle Actuator Control (TAC) System Description
Control Module References
Ignition Controls - 2.2L
Engine Data Sensors - HO2S - 2.2L
Engine Controls Schematic Icons
Figure 6:

Ignition Controls


Object Number: 1424848  Size: FS
Master Electrical Component List
Electronic Ignition (EI) System Description
Control Module References
Secondary Air Injection System (NU3)
Engine Data Sensors, APP and TAC - 2.2L
Engine Controls Schematic Icons
AIR BAG/AOS, CLUTCH/BRAKE/AOS, and EPS/CRUISE Fuses
Power, Ground, MIL, and Serial Data - 2.2L
Engine Controls Schematic Icons
Engine Controls Schematic Icons
G103 and G105 - 2.2L, 2.4L, and G109
Figure 7:

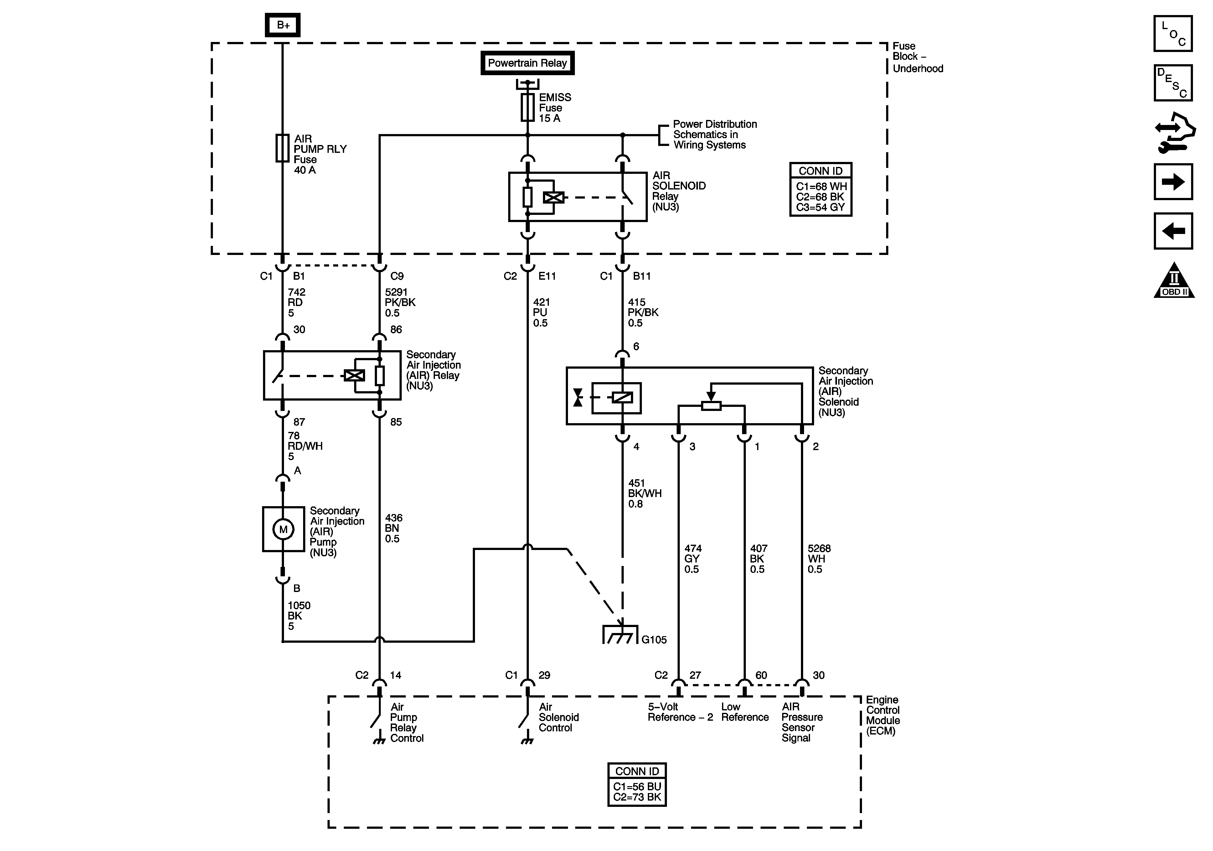
Secondary Air Injection System (NV3)


Object Number: 1592472  Size: FS
Master Electrical Component List
Secondary Air Injection System Description
Control Module References
Fuel Controls - 2.2L
Ignition Controls - 2.2L
Engine Controls Schematic Icons
Power, Ground, MIL, and Serial Data - 2.2L
AIR PUMP RLY, ECM/ETC, EMISS, IGN, and INJECTOR Fuses, AIR SOLENOID, POWERTRAIN Relays - 2.2L
G103 and G105 - 2.2L, 2.4L, and G109
Figure 8:

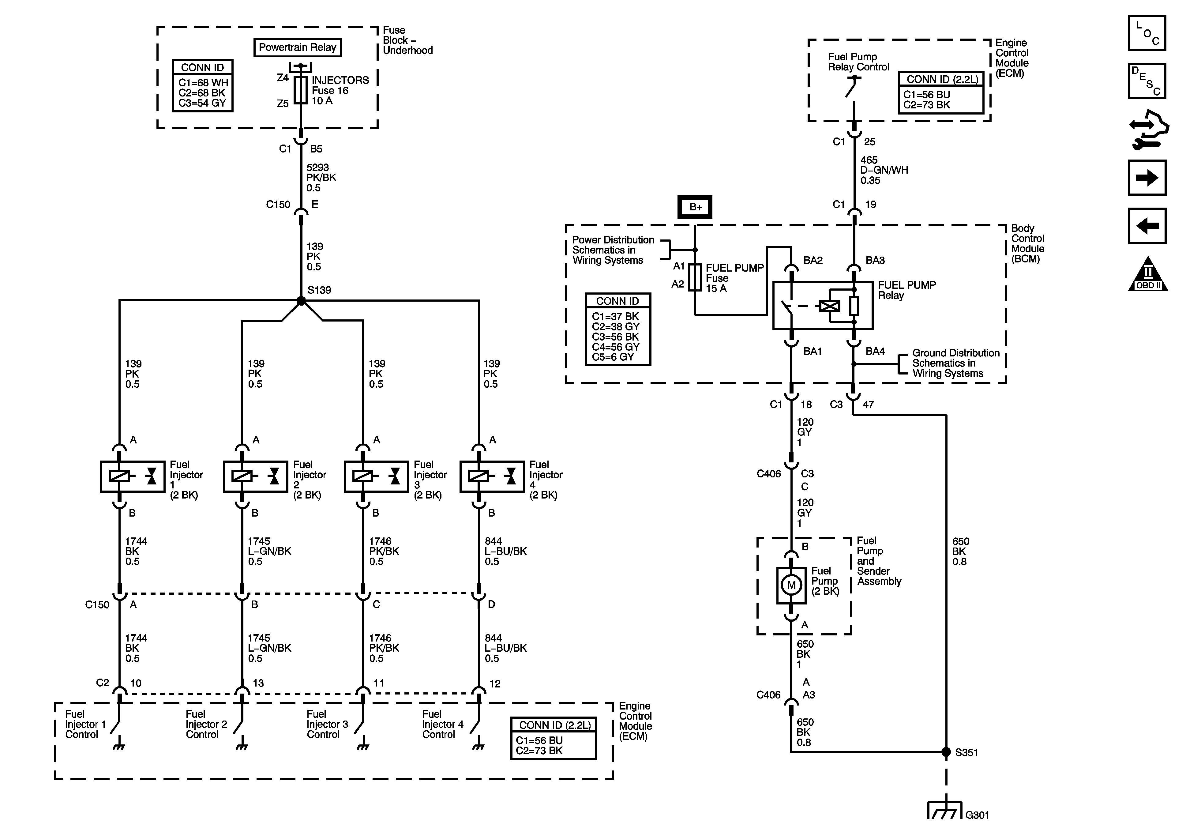
Fuel Controls


Object Number: 1592474  Size: FS
Master Electrical Component List
Fuel System Description
Control Module References
EVAP Controls - 2.2L
Secondary Air Injection System (NU3)
Engine Controls Schematic Icons
Power, Ground, MIL, and Serial Data - 2.2L
BCM ELECT, CLUSTER/AOS, EPS (60A), FUEL PUMP, HVAC, IGN SW, IP BATT 2, RUN (IGN 3), and STOP Fuses, RUN and FUEL PUMP Relays
G301
G301
Figure 9:

EVAP Controls


Object Number: 1424851  Size: FS
Master Electrical Component List
Evaporative Emission Control System Description
Control Module References
Controlled/Monitored Subsystem Reference - 2.2L
Fuel Controls - 2.2L
Engine Controls Schematic Icons
BCM (PWR), DASH, IP BATT 1, IP BATT 1A, LIGHTER, ONSTAR, PARK, PWR OUTLET, PWR WINDOWS, RADIO (ACC.), RADIO (BATT), SUN ROOF, and WIPER SW Fuses
Power, Ground, MIL, and Serial Data - 2.2L
AIR PUMP RLY, ECM/ETC, EMISS, IGN, and INJECTOR Fuses, AIR SOLENOID, POWERTRAIN Relays - 2.2L
Figure 10:

Controlled/Monitored Subsystem Reference


Object Number: 1424852  Size: FS
Master Electrical Component List
Engine Control Module Description
Control Module References
EVAP Controls - 2.2L
Engine Controls Schematic Icons
Fuel Level and Oil Pressure
Driver Controls
Stop Lamp and Clutch Switches
Engine Cooling Schematics (2.2L)
A/C Compressor Controls (C60)
Charging
Starting
Manual Transmission Schematics (M86)