GM Service Manual Online
For 1990-2009 cars only
Figure 1:

Ground, Power, Signals, and References to Cellular Communications and Lighting


Object Number: 1592854  Size: FS
Master Electrical Component List
Radio/Audio System Description and Operation
Control Module References
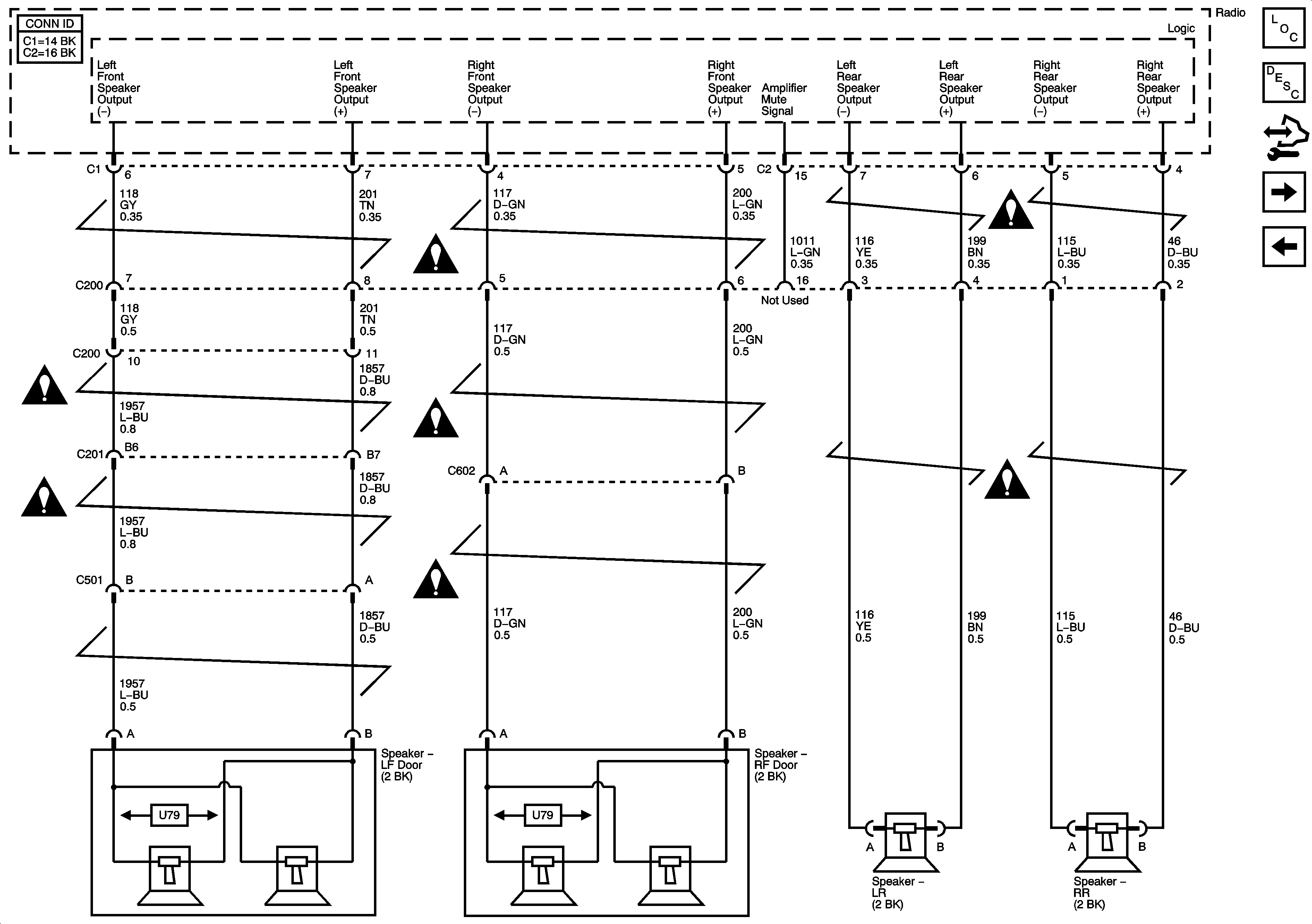
Speakers (U79/UX7)
BCM (PWR), DASH, IP BATT 1, IP BATT 1A, LIGHTER, ONSTAR, PARK, PWR OUTLET, PWR WINDOWS, RADIO (ACC.), RADIO (BATT), SUN ROOF, and WIPER SW Fuses
06 A Sat- Onstar
G201
Turn Signal/Multifunction Switch, Instrument Panel Cluster, I/P Dimmer Switch, Hazard Switch, Fog Lamp Switch, Traction Control Switch and Radio
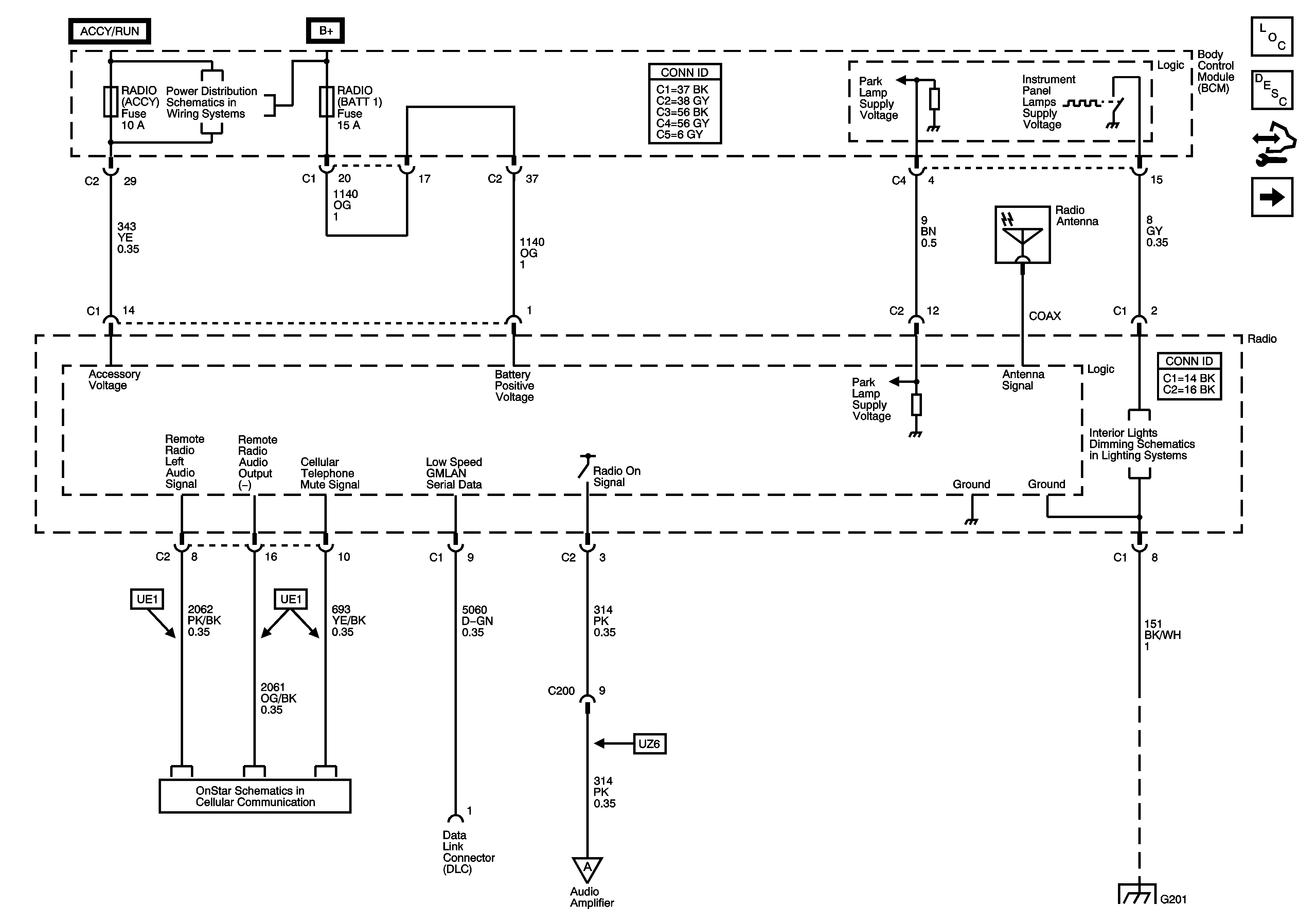
Radio to Amp to Speakers - UZ6
Figure 2:

Radio to Speakers - U79 or UX7


Object Number: 1592855  Size: FS
Master Electrical Component List
Radio/Audio System Description and Operation
Control Module References
Radio to Amp to Speakers - UZ6
Power and Ground, Signals, and References
Entertainment Schematic Icons
Entertainment Schematic Icons
Entertainment Schematic Icons
Entertainment Schematic Icons
Entertainment Schematic Icons
Entertainment Schematic Icons
Entertainment Schematic Icons
Figure 3:

Radio to Amplifier to Speakers - UZ6


Object Number: 1592856  Size: FS
Master Electrical Component List
Radio/Audio System Description and Operation
Control Module References
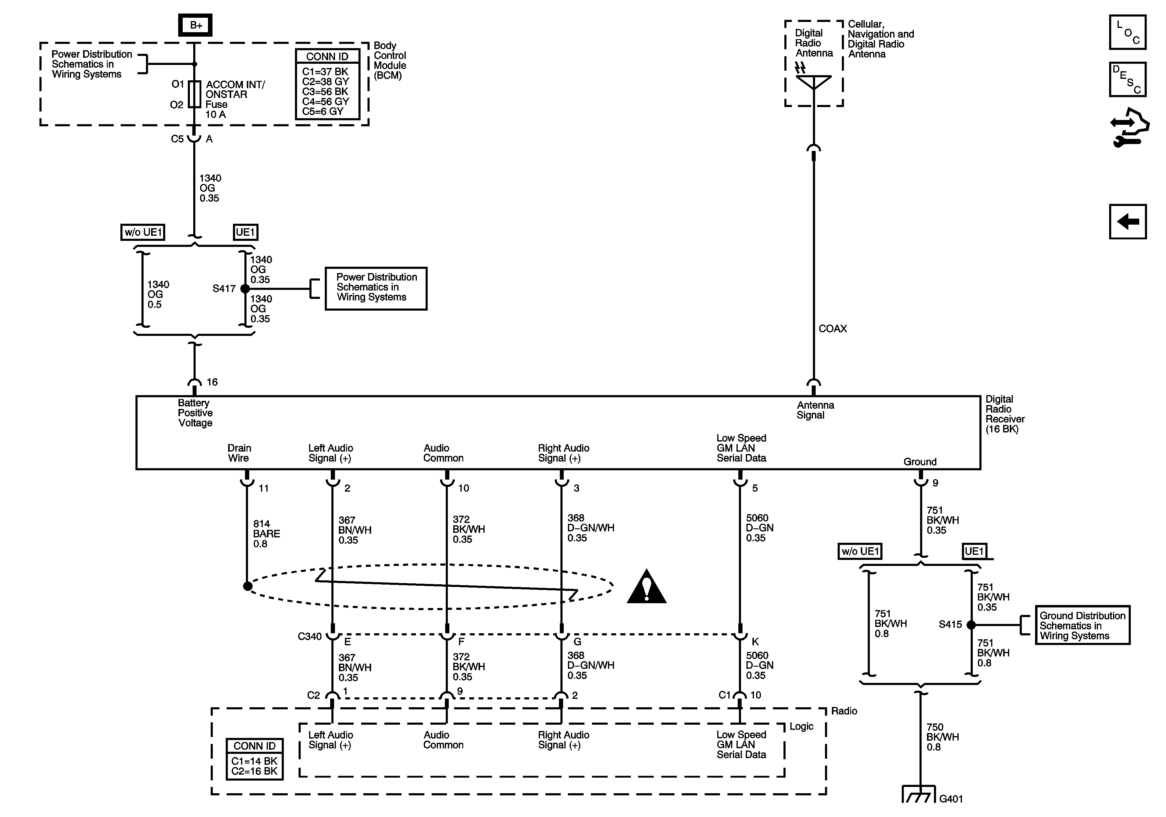
Digital Radio (U2K)
Speakers (U79/UX7)
B+ Bus
Power and Ground, Signals, and References
Entertainment Schematic Icons
Entertainment Schematic Icons
Entertainment Schematic Icons
Entertainment Schematic Icons
Entertainment Schematic Icons
Entertainment Schematic Icons
Entertainment Schematic Icons
G401
Figure 4:

Digital Radio (U2K)


Object Number: 1592857  Size: FS
Master Electrical Component List
Radio/Audio System Description and Operation
Control Module References
Radio to Amp to Speakers - UZ6
BCM (PWR), DASH, IP BATT 1, IP BATT 1A, LIGHTER, ONSTAR, PARK, PWR OUTLET, PWR WINDOWS, RADIO (ACC.), RADIO (BATT), SUN ROOF, and WIPER SW Fuses
BCM (PWR), DASH, IP BATT 1, IP BATT 1A, LIGHTER, ONSTAR, PARK, PWR OUTLET, PWR WINDOWS, RADIO (ACC.), RADIO (BATT), SUN ROOF, and WIPER SW Fuses
Entertainment Schematic Icons
G401
G401
G401