GM Service Manual Online
For 1990-2009 cars only
Figure 1:

Power, Ground, and BPMV Controls


Object Number: 1434115  Size: FS
Master Electrical Component List
ABS Description and Operation
Control Module References
Traction Control, DLC, and Indicators
B+ Bus
G101
B+ Bus
ABS (10A), BACK UP, BOOST, ECM, TRANS 1, and TRANS 2 Fuses
G101
G103 and G105 - 2.2L, 2.4L, and G109
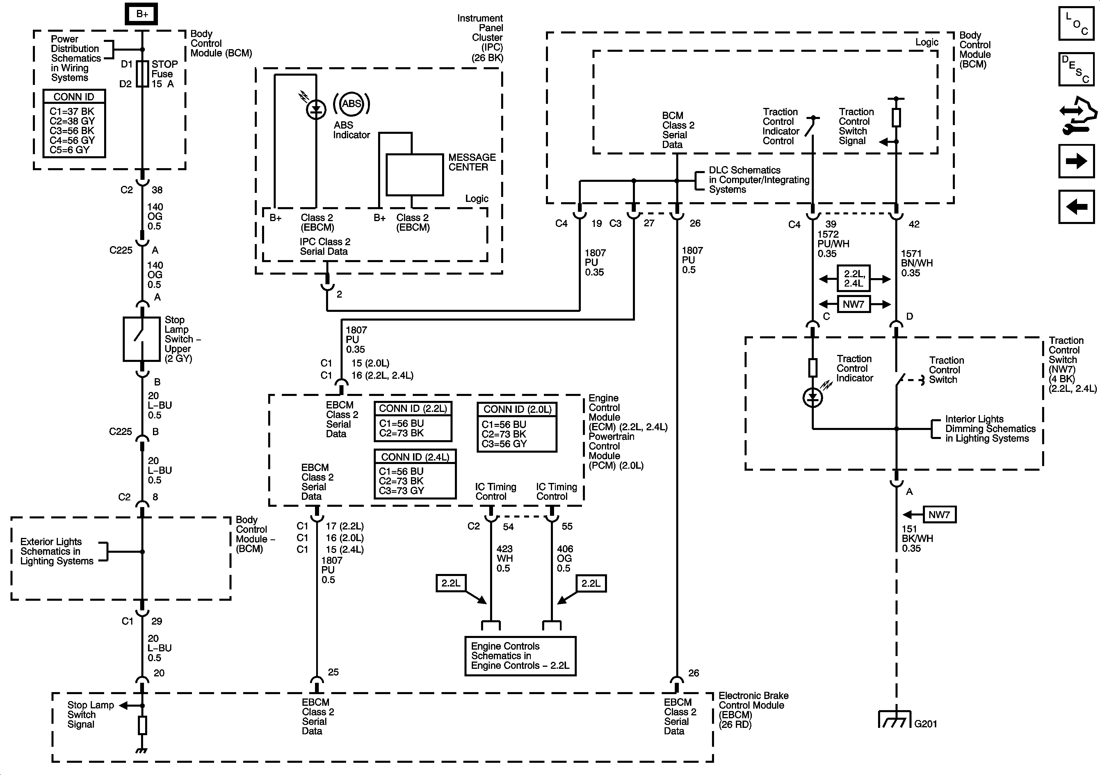
Figure 2:

Traction Control, DLC, and Indicators


Object Number: 1592461  Size: FS
Master Electrical Component List
ABS Description and Operation
Control Module References
WSS
Power, Ground, and BPMV Controls
BCM ELECT, CLUSTER/AOS, EPS (60A), FUEL PUMP, HVAC, IGN SW, IP BATT 2, RUN (IGN 3), and STOP Fuses, RUN and FUEL PUMP Relays
DLC Power, Ground, Class 2, and Low Speed GM LAN
Stop Lamps
Turn Signal/Multifunction Switch, Instrument Panel Cluster, I/P Dimmer Switch, Hazard Switch, Fog Lamp Switch, Traction Control Switch and Radio
Ignition Controls - 2.2L
G201
Figure 3:

Wheel Speed Sensors


Object Number: 1470969  Size: FS
Master Electrical Component List
ABS Description and Operation
Control Module References
Traction Control, DLC, and Indicators
Antilock Brake System Schematic Icons
Antilock Brake System Schematic Icons
Antilock Brake System Schematic Icons
Antilock Brake System Schematic Icons