GM Service Manual Online
For 1990-2009 cars only
Makes
🢒
Saturn
🢒
2006
🢒
ION
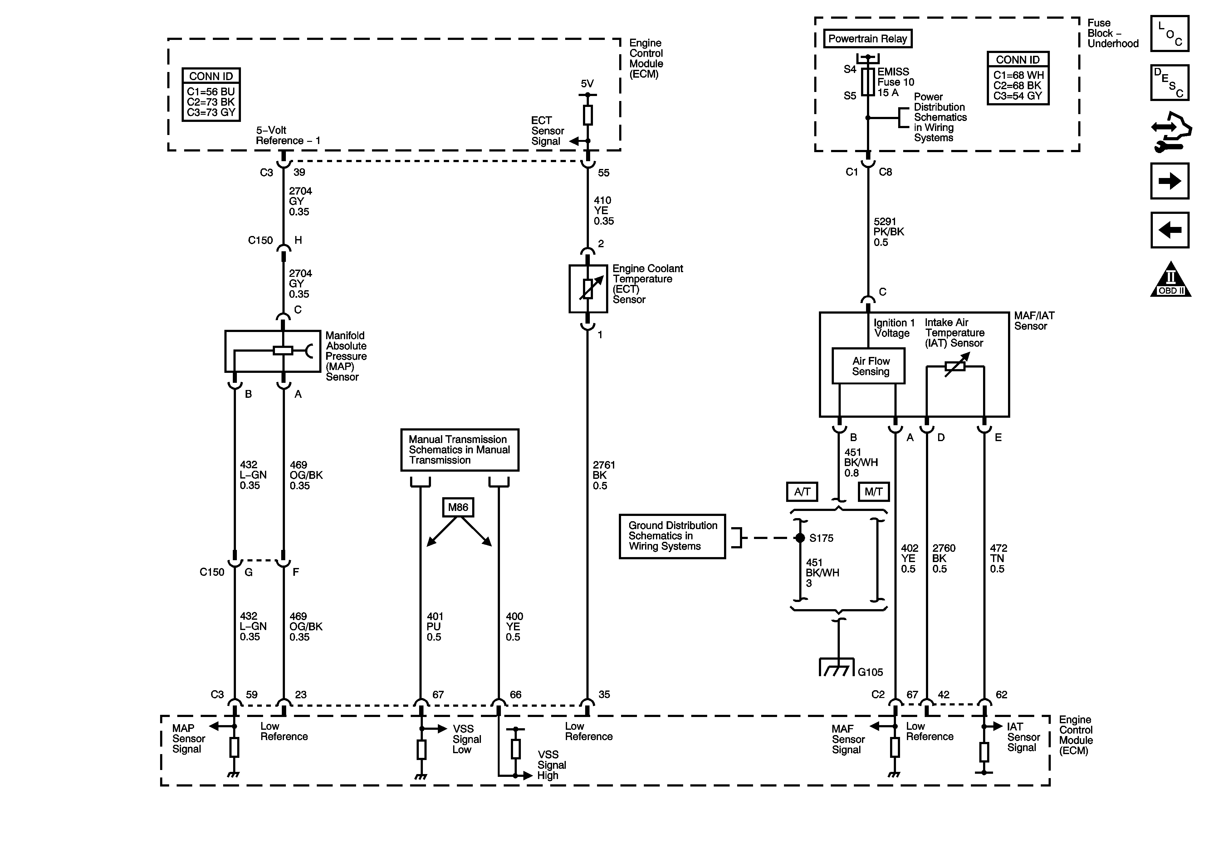
🢒 Engine Data Sensors Pressure, Temp and MAF/IAT
Engine Data Sensors Pressure, Temp and MAF/IAT
Engine Data Sensors- Pressure, Temp & MAF/IAT
Master Electrical Component List
Engine Control Module Description
Control Module References
Engine Data Sensors, HO2
Engine Data Sensors-5-Volt and Low References
Engine Controls Schematic Icons
Power, Ground, MIL and Serial Data
COOLING FAN2, ECM/ETC, EMISS, IGN and INJECTORS Fuses, POWERTRAIN Relay - 2.4L
Manual Transmission Schematics (M86)
G103 and G105 - 2.2L, 2.4L, and G109
G103 and G105 - 2.2L, 2.4L, and G109