GM Service Manual Online
For 1990-2009 cars only
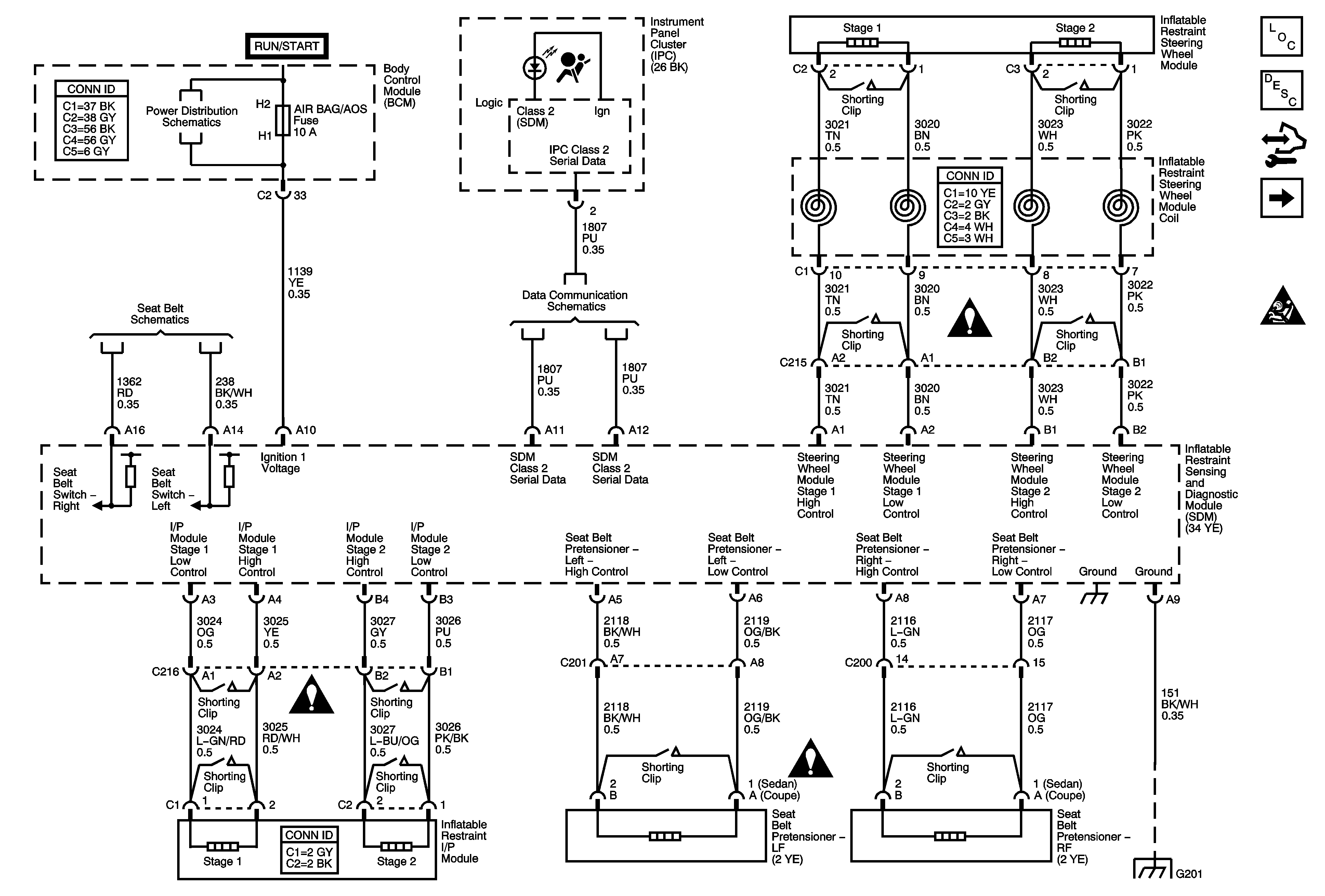
Figure 1:

Indicators and Power


Object Number: 1769197  Size: FS
Master Electrical Component List
SIR System Description and Operation
Control Module References
Side Impact ASF
SIR Schematic Icons
AIR BAG/AOS, CLUTCH/BRAKE/AOS, EPS/CRUISE Fuses
Seat Belt Schematics
Power, Ground, Class 2, and Low Speed GMLAN
SIR Schematic Icons
SIR Schematic Icons
SIR Schematic Icons
G201
Figure 2:

Side Impact - ASF


Object Number: 1769220  Size: FS
Master Electrical Component List
SIR System Description and Operation
Control Module References
Passenger Presence System
Indicators and Power
SIR Schematic Icons
SIR Schematic Icons
SIR Schematic Icons
SIR Schematic Icons
SIR Schematic Icons
SIR Schematic Icons
Figure 3:

Passenger Presence System


Object Number: 1769223  Size: FS
Master Electrical Component List
SIR System Description and Operation
Control Module References
Side Impact ASF
SIR Schematic Icons
AIR BAG/AOS, CLUTCH/BRAKE/AOS, EPS/CRUISE Fuses
BCM, ELECT, CLUSTER/AOS, EPS (60A), FUEL PUMP, HVAC, IGN SW, IP BATT 2, RUN (IGN3), and STOP Fuses, RUN and Fuel Pump Relays
AIR BAG/AOS, CLUTCH/BRAKE/AOS, EPS/CRUISE Fuses
SIR Schematic Icons
G201
G203