GM Service Manual Online
For 1990-2009 cars only
Makes
🢒
Saturn
🢒
2007
🢒
ION
🢒
Steering
🢒
Power Steering
🢒 Power Steering Schematics
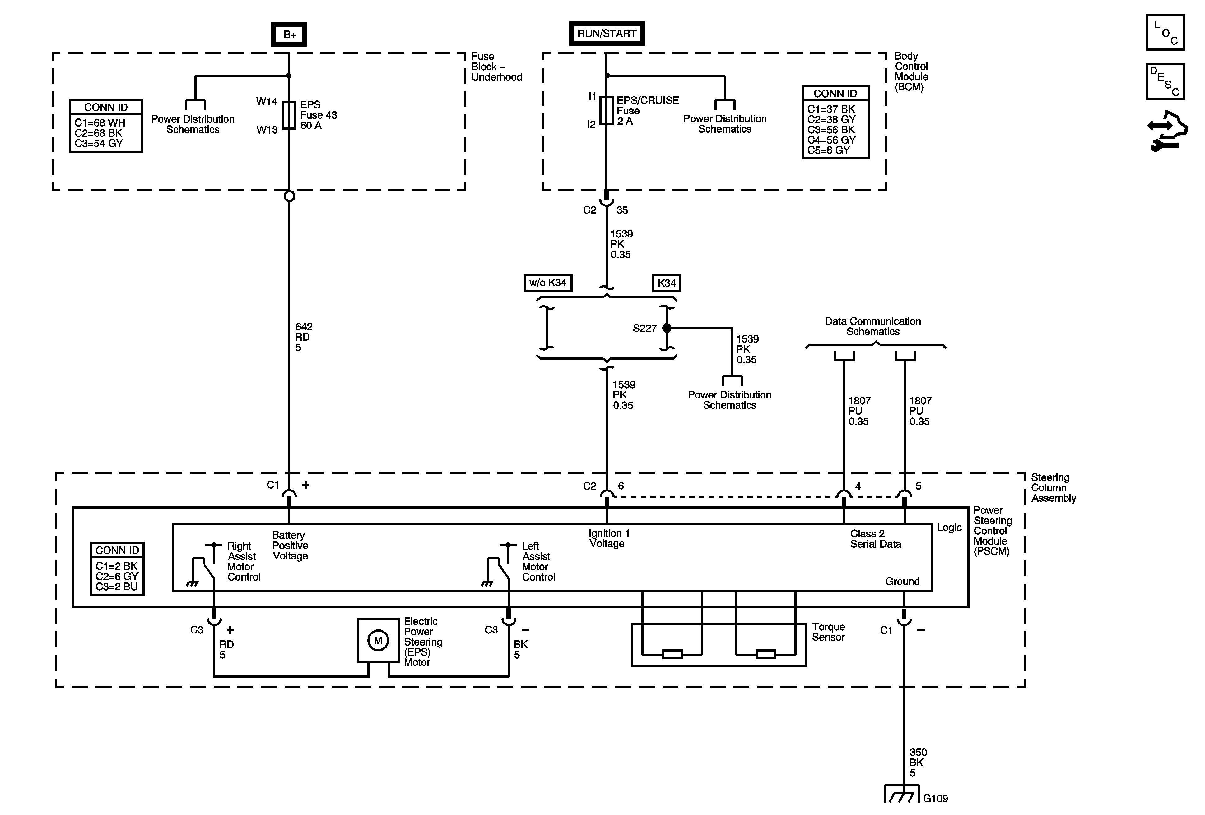
Master Electrical Component List
Power Steering System Description and Operation
Control Module References
BCM, ELECT, CLUSTER/AOS, EPS (60A), FUEL PUMP, HVAC, IGN SW, IP BATT 2, RUN (IGN3), and STOP Fuses, RUN and Fuel Pump Relays
AIR BAG/AOS, CLUTCH/BRAKE/AOS, EPS/CRUISE Fuses
Power, Ground, Class 2, and Low Speed GMLAN
AIR BAG/AOS, CLUTCH/BRAKE/AOS, EPS/CRUISE Fuses
G103, G105 - 2.2L, 2.4L, G109