GM Service Manual Online
For 1990-2009 cars only
Makes
🢒
Saturn
🢒
2007
🢒
ION
🢒
Power and Signal Distribution
🢒
Wiring Systems and Power Management
🢒 Cruise Control Schematics
Figure
1:
Driver Controls
Master Electrical Component List
Cruise Control Description and Operation (2.0L)
Control Module References
Stop Lamp and Clutch Switches
AIR BAG/AOS, CLUTCH/BRAKE/AOS, EPS/CRUISE Fuses
Cruise Control Schematic Icons
Cruise Control Schematic Icons
AIR BAG/AOS, CLUTCH/BRAKE/AOS, EPS/CRUISE Fuses
G203
Power, Ground, Class 2, and Low Speed GMLAN
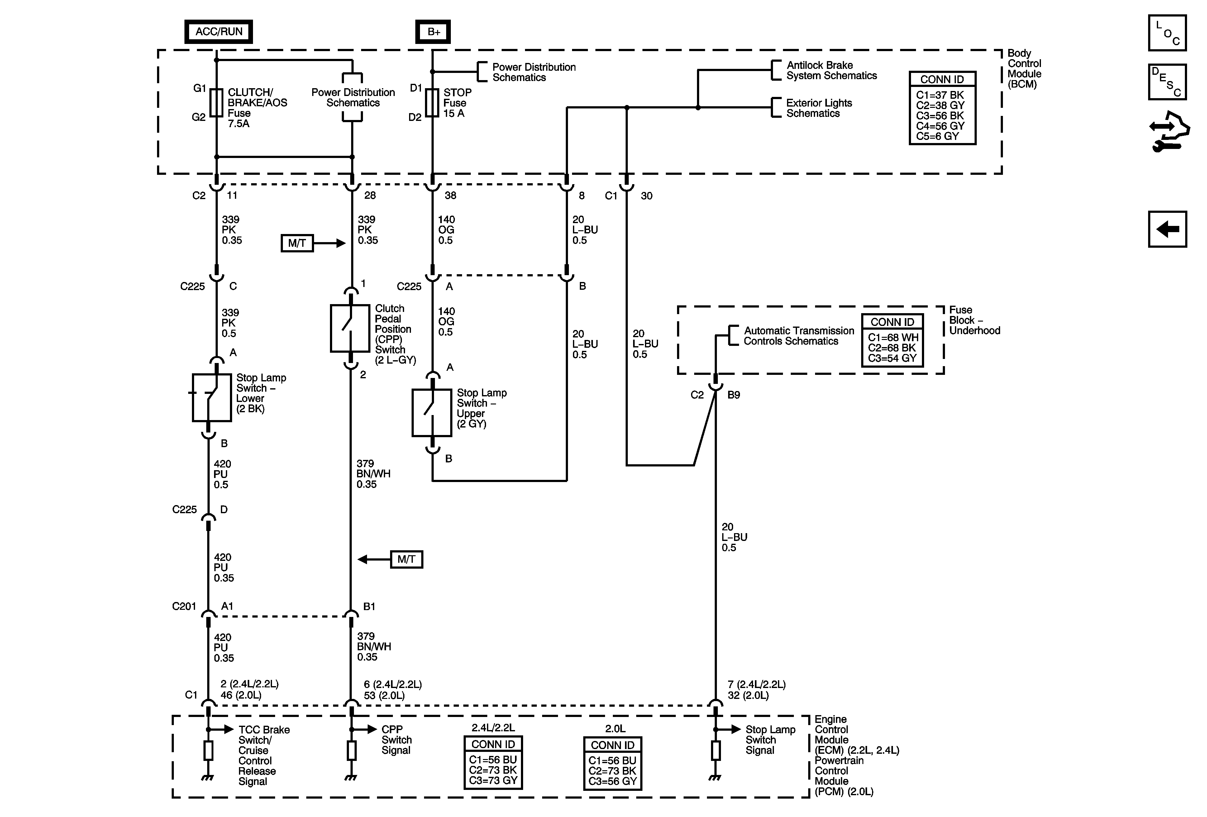
Figure
2:
Stop Lamp and Clutch Switches
Master Electrical Component List
Cruise Control Description and Operation (2.0L)
Control Module References
Driver Controls
AIR BAG/AOS, CLUTCH/BRAKE/AOS, EPS/CRUISE Fuses
BCM, ELECT, CLUSTER/AOS, EPS (60A), FUEL PUMP, HVAC, IGN SW, IP BATT 2, RUN (IGN3), and STOP Fuses, RUN and Fuel Pump Relays
Traction Control, DLC, and Indicators
Stop Lamps
Accessory Voltage, Stop Lamp Switch, and Serial Data