GM Service Manual Online
For 1990-2009 cars only

2.0L

2.0L


Object Number: 1769051  Size: FS
Master Electrical Component List
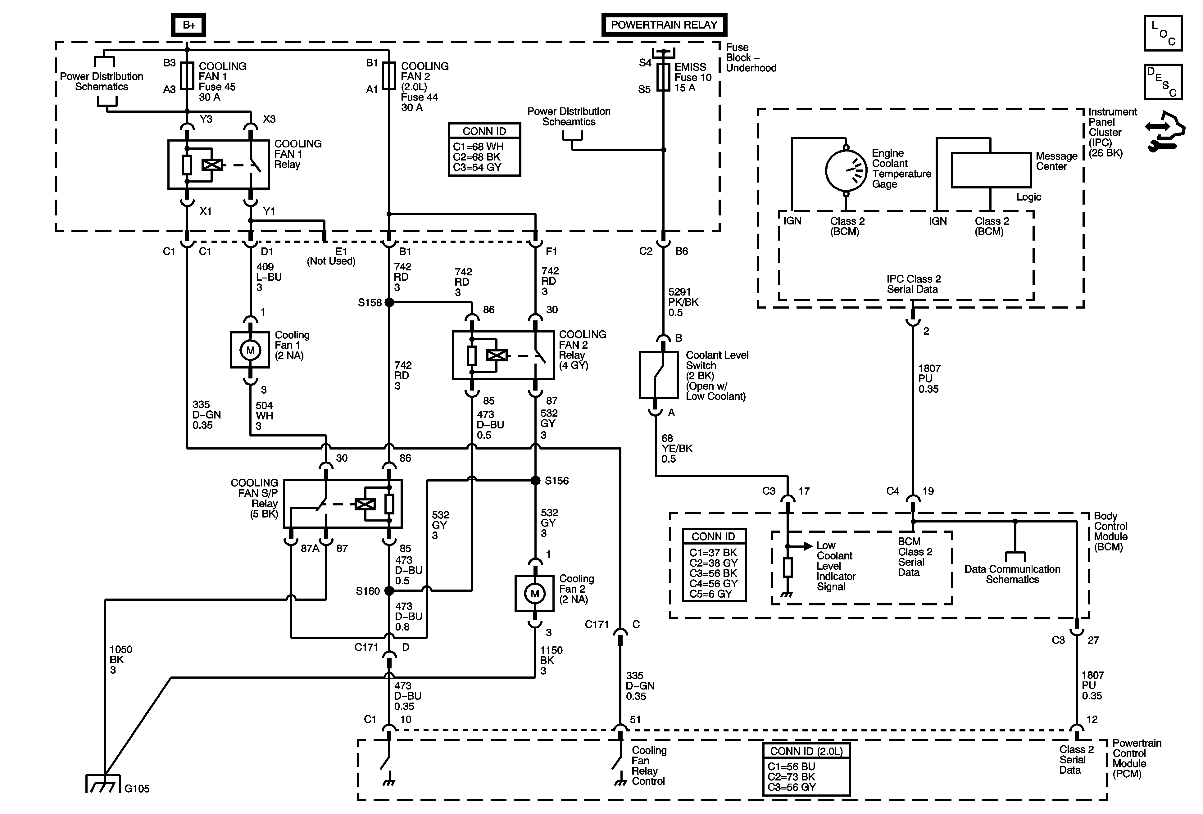
Cooling Fan Description and Operation
Control Module References
B+ Bus
Cooling Fan, ECM/ETC, EMISS, INJECTORS, IGN Fuses, AFTER COOLER PUMP, and POWERTRAIN Relays - 2.0L
Power, Ground, MIL, and Serial Data
Power, Ground, Class 2, and Low Speed GMLAN
G103 and G105 - 2.0L, G107 - 2.2L / 2.4L