GM Service Manual Online
For 1990-2009 cars only

2.2L

2.2L


Object Number: 1769052  Size: FS
Master Electrical Component List
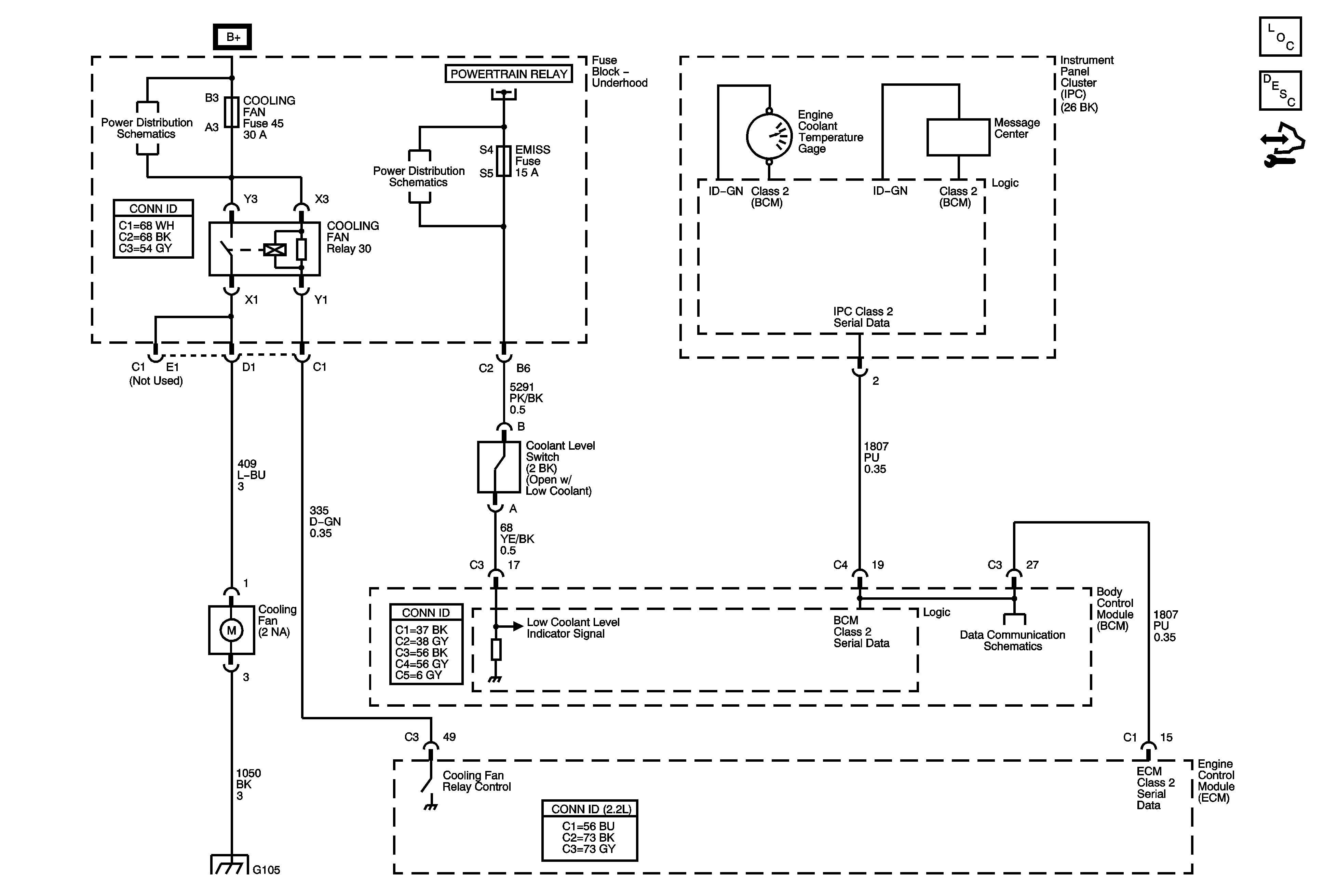
Cooling Fan Description and Operation
Control Module References
Power, Ground, MIL, and Serial Data
B+ Bus
AIR PUMP RLY, ECM/ETC, EMISS, IGN, and INJECTOR Fuse, AIR SOLENOID, POWERTRAIN Relays - 2.2L
Power, Ground, Class 2, and Low Speed GMLAN
G103, G105 - 2.2L, 2.4L, G109