GM Service Manual Online
For 1990-2009 cars only
Makes
🢒
Saturn
🢒
2007
🢒
ION
🢒 Starting
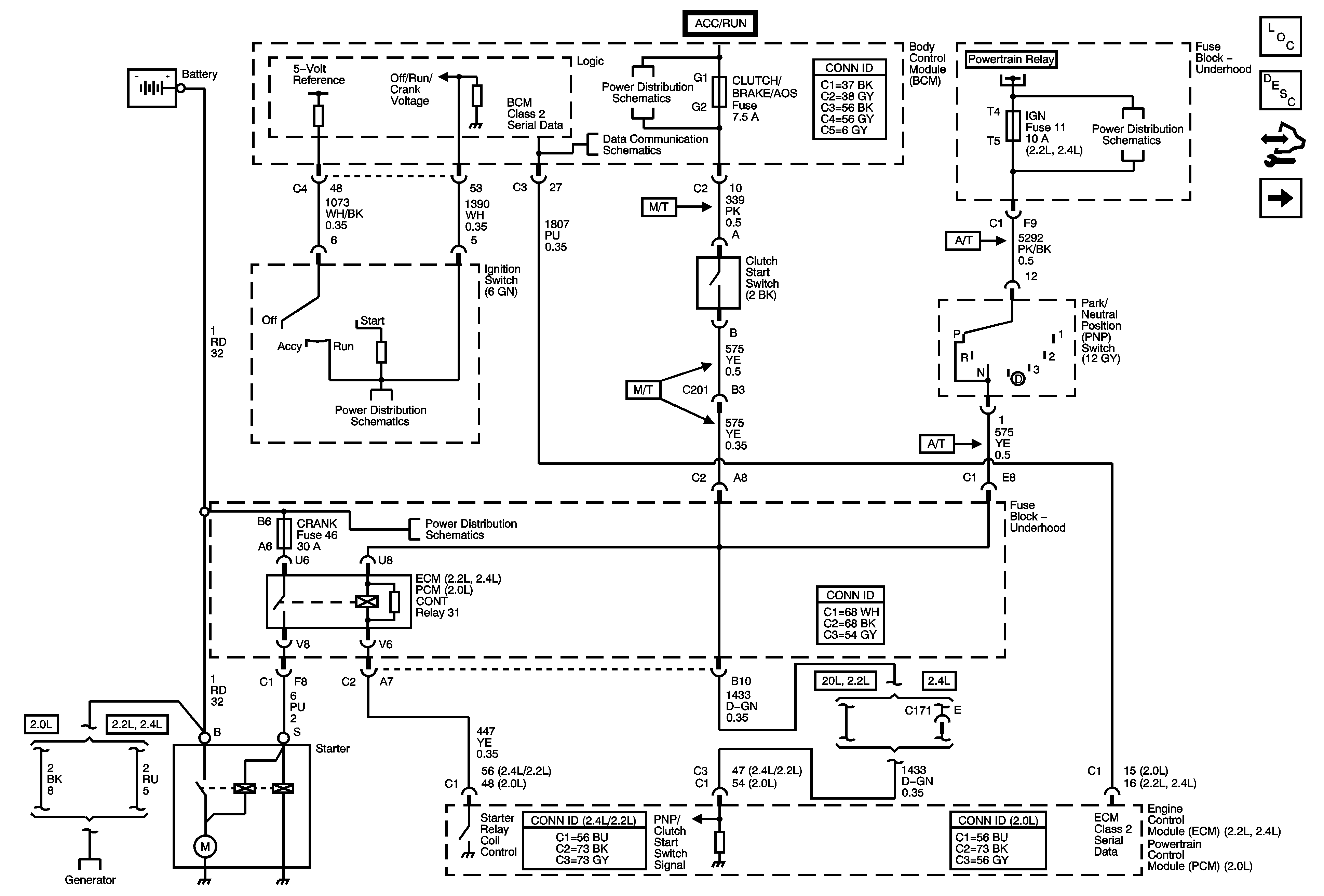
Starting
Starting
Master Electrical Component List
Starting System Description and Operation
Control Module References
Charging
AIR BAG/AOS, CLUTCH/BRAKE/AOS, EPS/CRUISE Fuses
Audible Warning Schematics
B+ Bus
Ignition Switch, RUN/CRANK Fuse, RUN/CRANK (IGN1) Relay
B+ Bus