GM Service Manual Online
For 1990-2009 cars only
Makes
🢒
Saturn
🢒
2007
🢒
ION
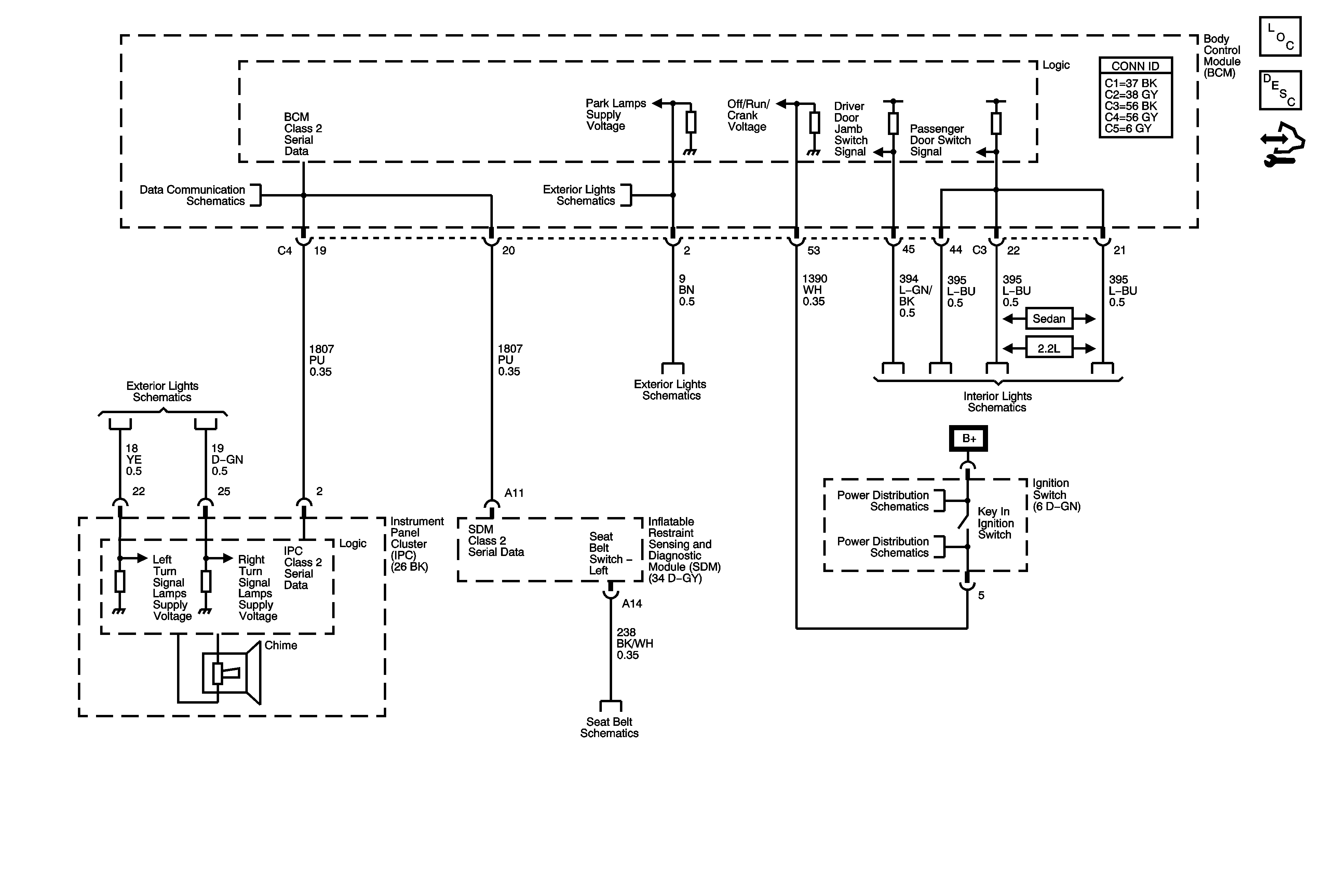
🢒 Audible Warning Schematics
Audible Warning Schematics
Master Electrical Component List
Audible Warnings Description and Operation
Control Module References
Power, Ground, Class 2, and Low Speed GMLAN
Parking Lamps
Turn/Hazard Lamps
Parking Lamps
Interior Lights Schematics
Ignition Switch, RUN/CRANK Fuse, RUN/CRANK (IGN1) Relay
Ignition Switch, RUN/CRANK Fuse, RUN/CRANK (IGN1) Relay
Seat Belt Schematics