GM Service Manual Online
For 1990-2009 cars only
Makes
🢒
Saturn
🢒
2007
🢒
ION
🢒 Headlights - Sedan
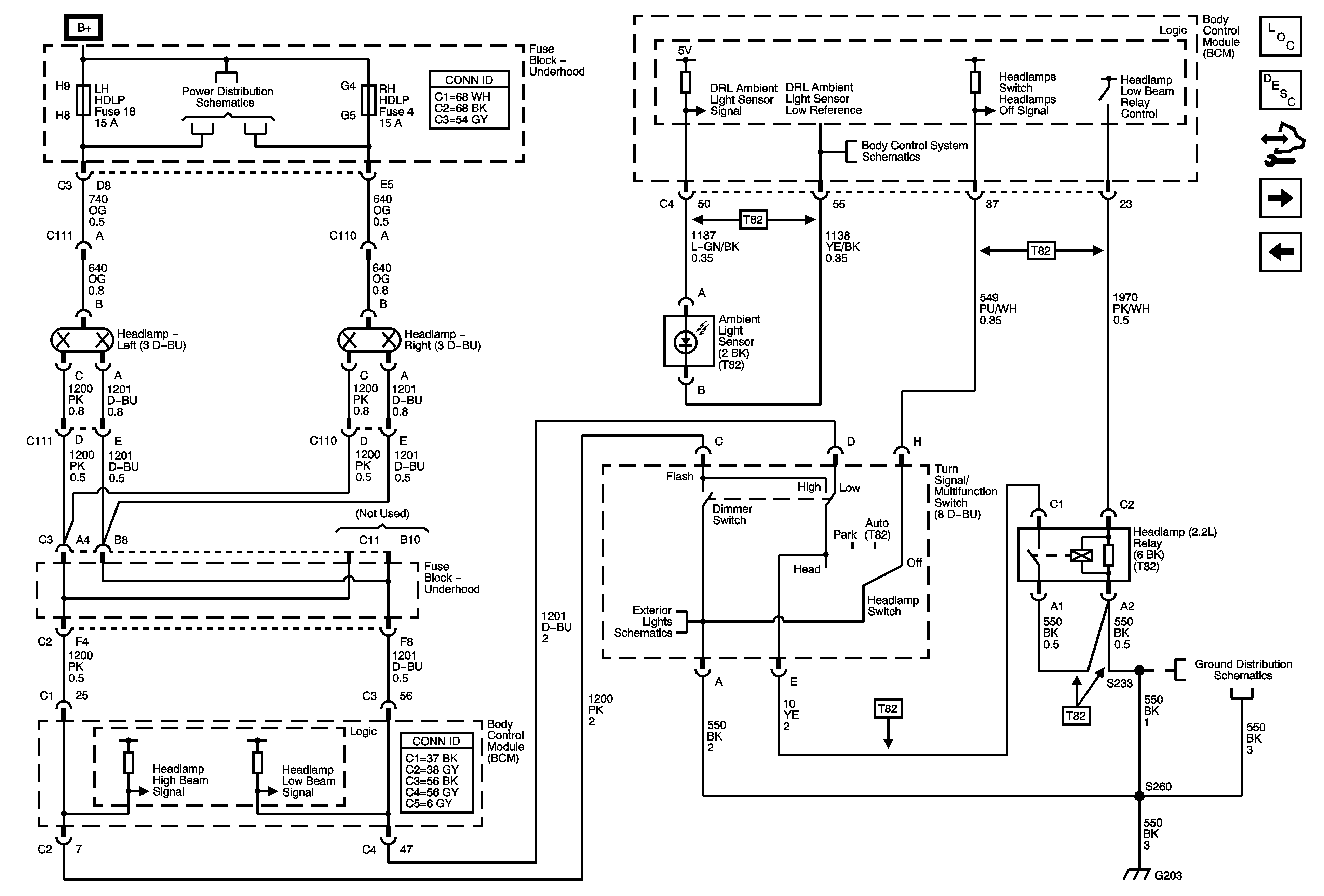
Headlights - Sedan
Headlights - Sedan
Master Electrical Component List
Exterior Lighting Systems Description and Operation
Control Module References
DRL
Headlights - Coupe
ABS (40A), ABS (20A), ECM, LH HDLP, Radio, RH HDLP, and TCM Fuses
References to Lighting - 1 of 2
Turn/Hazard Lamps
G203