GM Service Manual Online
For 1990-2009 cars only

DRL

Daytime Running Lamps


Object Number: 1769090  Size: FS
Master Electrical Component List
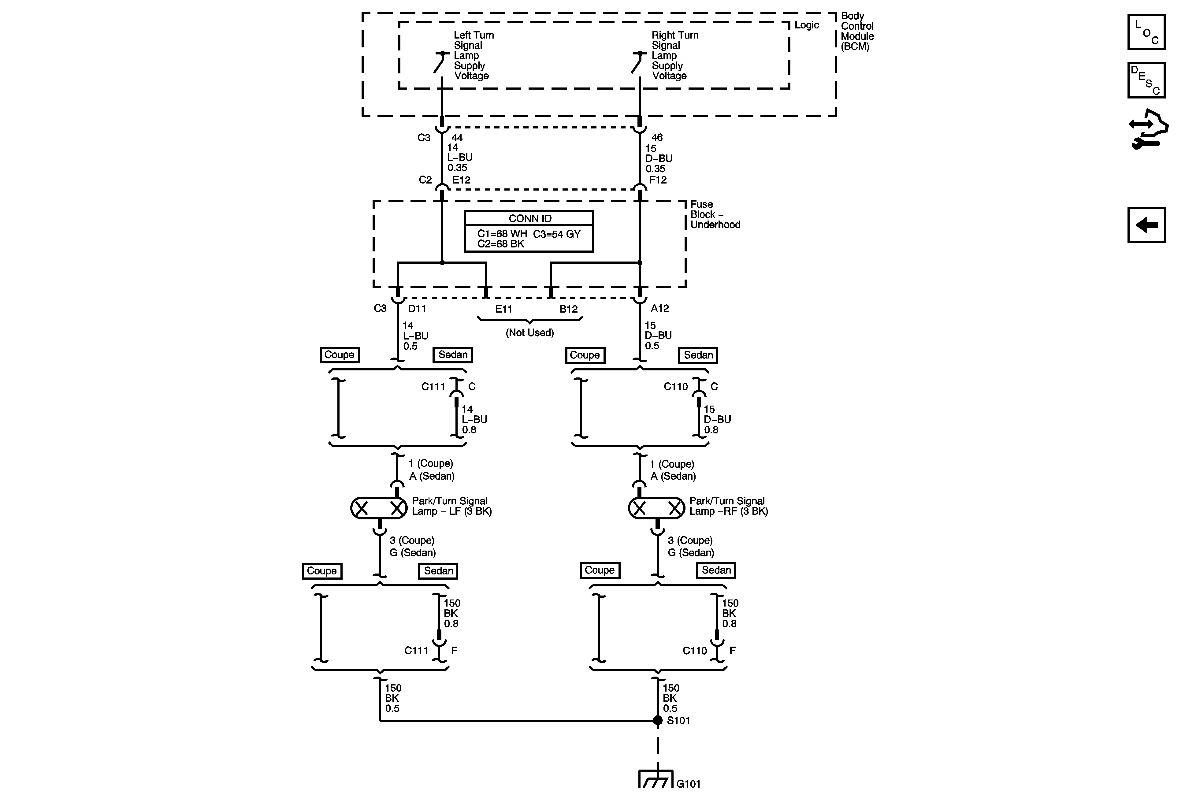
Exterior Lighting Systems Description and Operation
Control Module References
Headlights - Sedan
G101