GM Service Manual Online
For 1990-2009 cars only

Object Number: 1215870  Size: MF
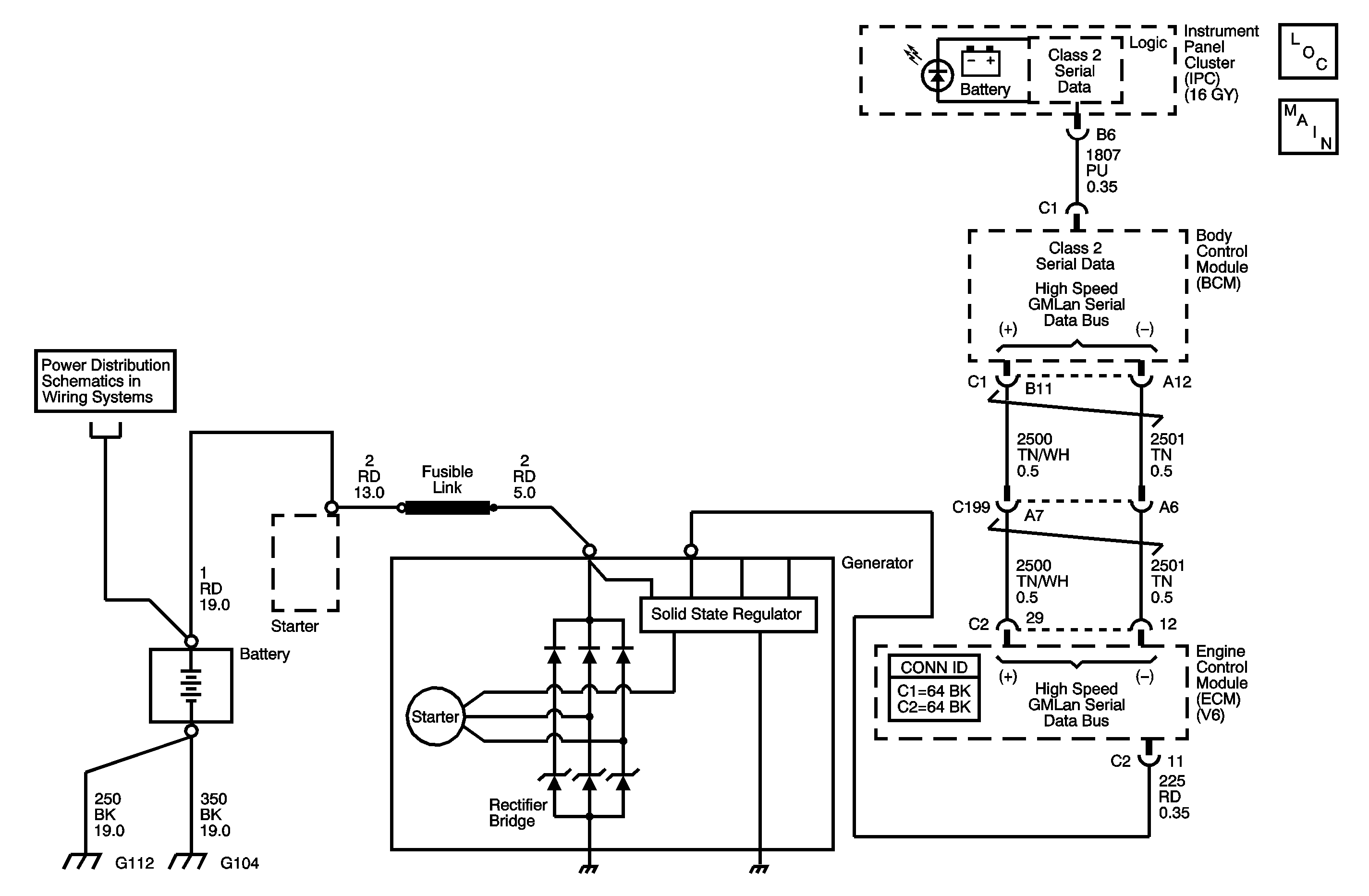
Starting and Charging Schematics
Power and Grounding Component Views
Power Distribution Schematics
Engine Control Module Connector End Views
Engine Controls Component Views

Circuit Description

The engine control module (ECM) uses the generator turn on signal circuit to control the load of the generator on the engine. A high side driver in the ECM applies a voltage to the voltage regulator. This signals the voltage regulator to turn the field circuit ON and OFF. When the ECM turns ON the high side driver, the voltage regulator turns ON the field circuit. When the ECM turns OFF the high side driver, the voltage regulator turns OFF the field circuit.

The ECM monitors the state of the generator turn on signal circuit. The ECM should detect a low generator turn ON signal circuit voltage when the key is ON and the engine is OFF, or when the charging system malfunctions. If the ECM detects a high generator turn ON signal circuit voltage, DTC P2501 will set.

Conditions for Running the DTC

    • No generator, CKP sensors, or CMP sensor DTCs are set.
    • The ignition is in the ON position
    • The engine is not running.

Conditions for Setting the DTC

The ECM detects a high signal voltage on the generator turn on signal circuit for at least 5 seconds.

Action Taken When the DTC Sets

    • The ECM will not illuminate the malfunction indicator lamp (MIL).
    • The ECM will store the conditions present when the DTC set as Fail Records data only.
    • The ECM will send a class 2 serial data message to the IPC and DIC to illuminate the charge indicator or display a charging message.

Conditions for Clearing the MIL/DTC

    • The conditions for setting DTC P2501 are not present.
    • The DTC can be cleared by using the scan tool Clear DTC Information function.

Step

Action

Values

Yes

No

Schematic Reference: Starting and Charging Schematics

Connector End View Reference: Engine Control Module Connector End Views in Engine Controls - 3.0 L (L81)

1

Did you perform the Engine Electrical Diagnostic System Check?

--

Go to Step 2

Go to Diagnostic System Check - Engine Electrical

2

  1. Install a scan tool.
  2. Operate the vehicle within the conditions for running the DTC as specified in the supporting text.
  3. Using the scan tool, observe the specific DTC Information for DTC P2501 until the test runs.

Does the scan tool indicate that DTC P2501 has passed this ignition cycle?

--

Go to Testing for Intermittent Conditions and Poor Connections in Wiring Systems

Go to Step 3

3

  1. Turn OFF the ignition
  2. Disconnect the generator harness connector.
  3. Turn ON the ignition, with the engine OFF.
  4. Measure the voltage between the generator turn on signal circuit of the generator harness connector and a good ground.

Is the voltage within the specified range?

11.5-12.8 V

Go to Step 4

Go to Step 5

4

Test the generator turn on signal circuit for a short to battery voltage. Refer to Circuit Testing and Wiring Repairs in Wiring Systems.

Did you find and correct the condition?

--

Go to Step 8

Go to Step 6

5

Inspect for poor connections at the harness connector of the generator. Refer to Connector Repairs in Wiring Systems.

Did you find and correct the condition?

--

Go to Step 8

Go to Charging System Test

6

Inspect for poor connections at the harness connector of the ECM. Refer to Connector Repairs in Wiring Systems.

Did you find and correct the condition?

--

Go to Step 8

Go to Step 7

7

Important: The replacement ECM must be programmed.

Replace the ECM. Refer to Engine Control Module Replacement in Engine Controls - 3.0 L (L81).

Did you complete the repair?

--

Go to Step 8

--

8

  1. Review and record the scan tool Fail Records data.
  2. Use the scan tool in order to clear the DTC.
  3. Operate the vehicle within the conditions for running DTC.
  4. Using the scan tool, observe the specific DTC information for DTC P2501 until the test runs.

Does the scan tool indicate that DTC P2501 failed?

--

Go to Step 2

System OK