GM Service Manual Online
For 1990-2009 cars only
Makes
🢒
Saturn
🢒
2003
🢒
L200/LW200
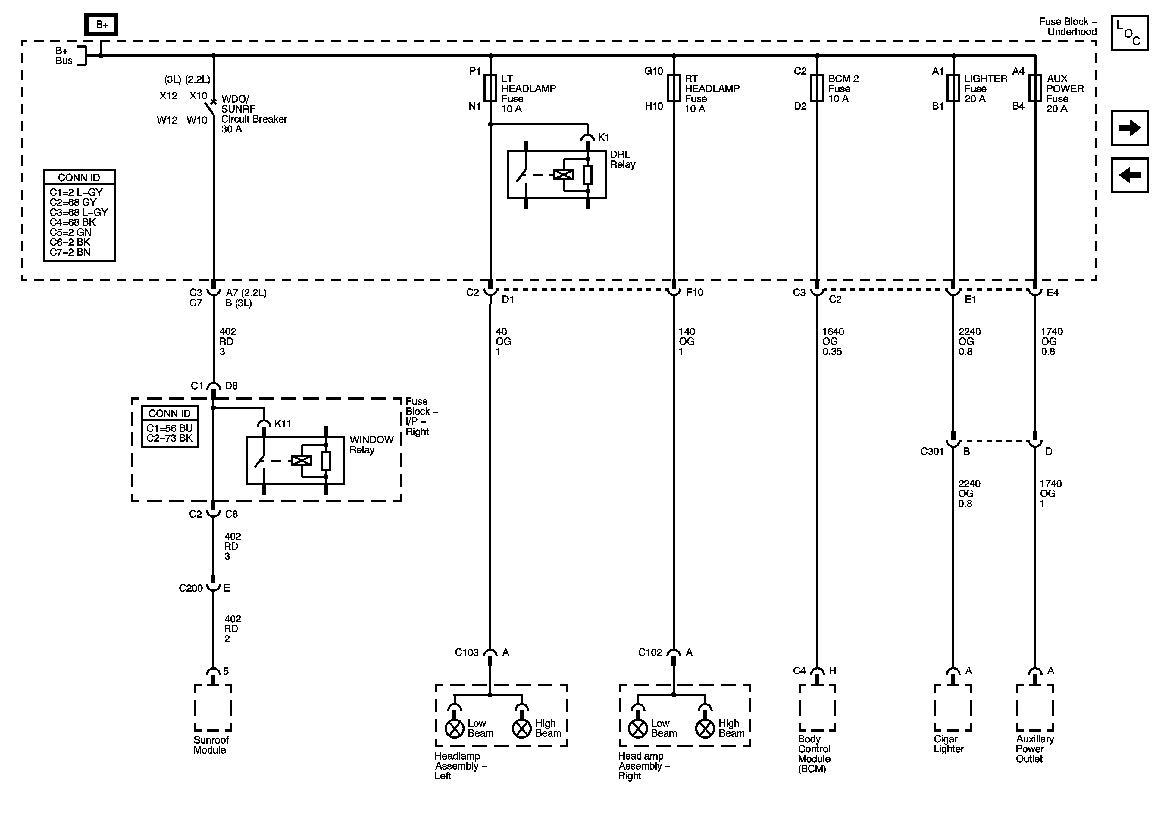
🢒 Fuse Block - Underhood Fuses: WDO/Sunroof, LHHDLP, RHHDLP, BCM2, Lighter, Aux Power
Fuse Block - Underhood Fuses: WDO/Sunroof, LHHDLP, RHHDLP, BCM2, Lighter, Aux Power
Fuse Block-Underhood : Air/Wdo/Sunroof, Air Solenoid, LH HDLP, RH HDLP, BCM2, Lighter and Aux Power
Master Electrical Component List
Fuse Block-Underhood : IGN1/2, IGN0 and IGN0/3/CR - Ignition Switch
Fuse Block - Underhood Fuses: Cooling Fan 2, Cooling Fan 1, ABS1, ABS2, Parklamp
Fuse Block - Underhood Bus