GM Service Manual Online
For 1990-2009 cars only
Makes
🢒
Saturn
🢒
2003
🢒
L200/LW200
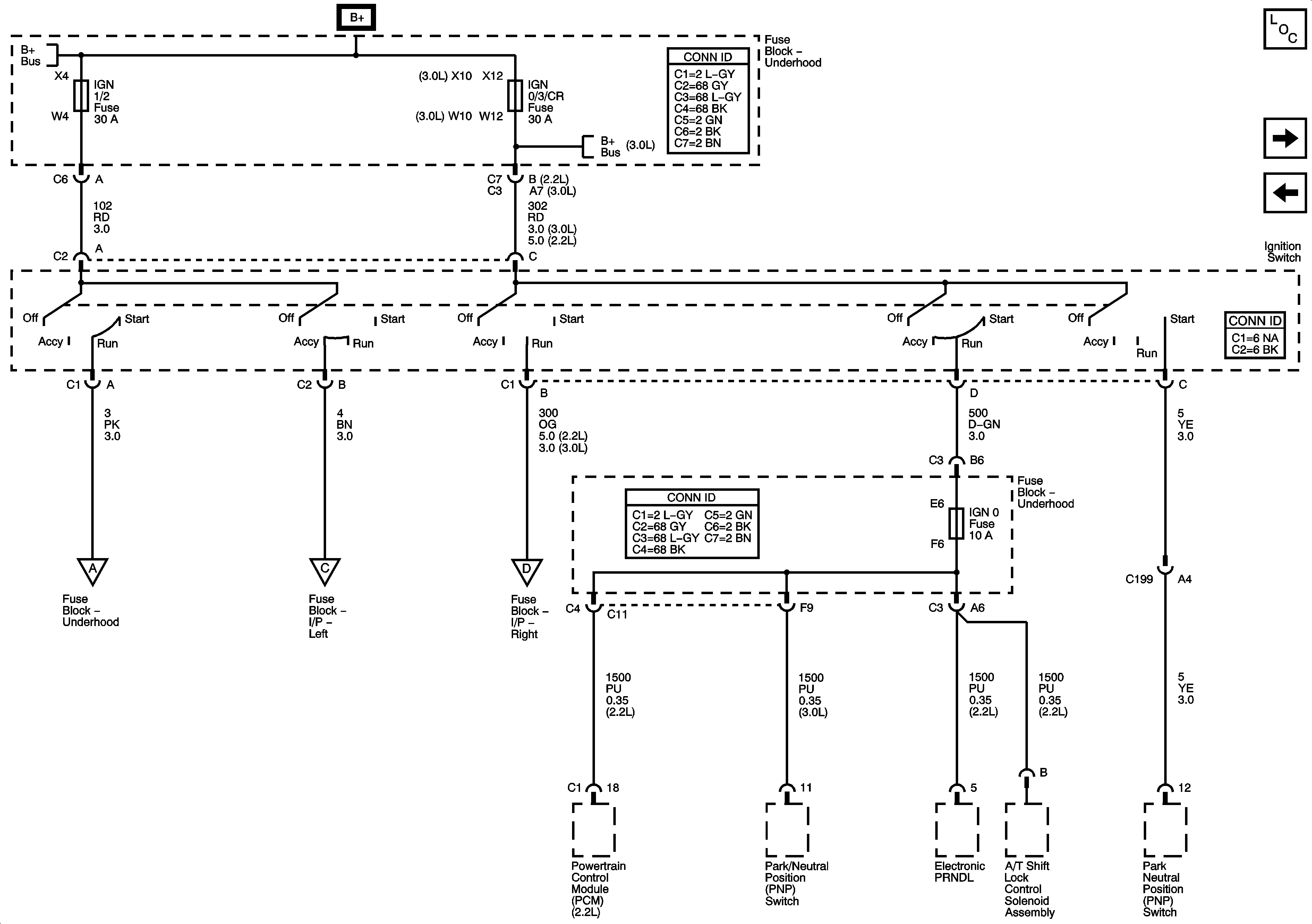
🢒 Fuse Block-Underhood : IGN1/2, IGN0 and IGN0/3/CR - Ignition Switch
Fuse Block-Underhood : IGN1/2, IGN0 and IGN0/3/CR - Ignition Switch
Fuse Block-Underhood : IGN1/2, IGN0 and IGN0/3/CR . Ignition Switch
Master Electrical Component List
Fuse Block - Underhood Fuses: BCM/ECM/CRUISE/ABS, Cruise Switch, IGN1 and Backup/Turn
Fuse Block - Underhood Fuses: WDO/Sunroof, LHHDLP, RHHDLP, BCM2, Lighter, Aux Power
Fuse Block - Underhood Bus
Fuse Block - Underhood Bus
Fuse Block - Underhood Fuses: BCM/ECM/CRUISE/ABS, Cruise Switch, IGN1 and Backup/Turn
Fuse Block-Right I/P: Rear Wiper/Sunroof Fuse Block-Left I/P: Wiper, BTS1/BCM/Mirror, Radio
Fuse Block-Underhood: IGN3; Fuse Block-Right I/P: Heated Seat