GM Service Manual Online
For 1990-2009 cars only
Makes
🢒
Saturn
🢒
2003
🢒
L200/LW200
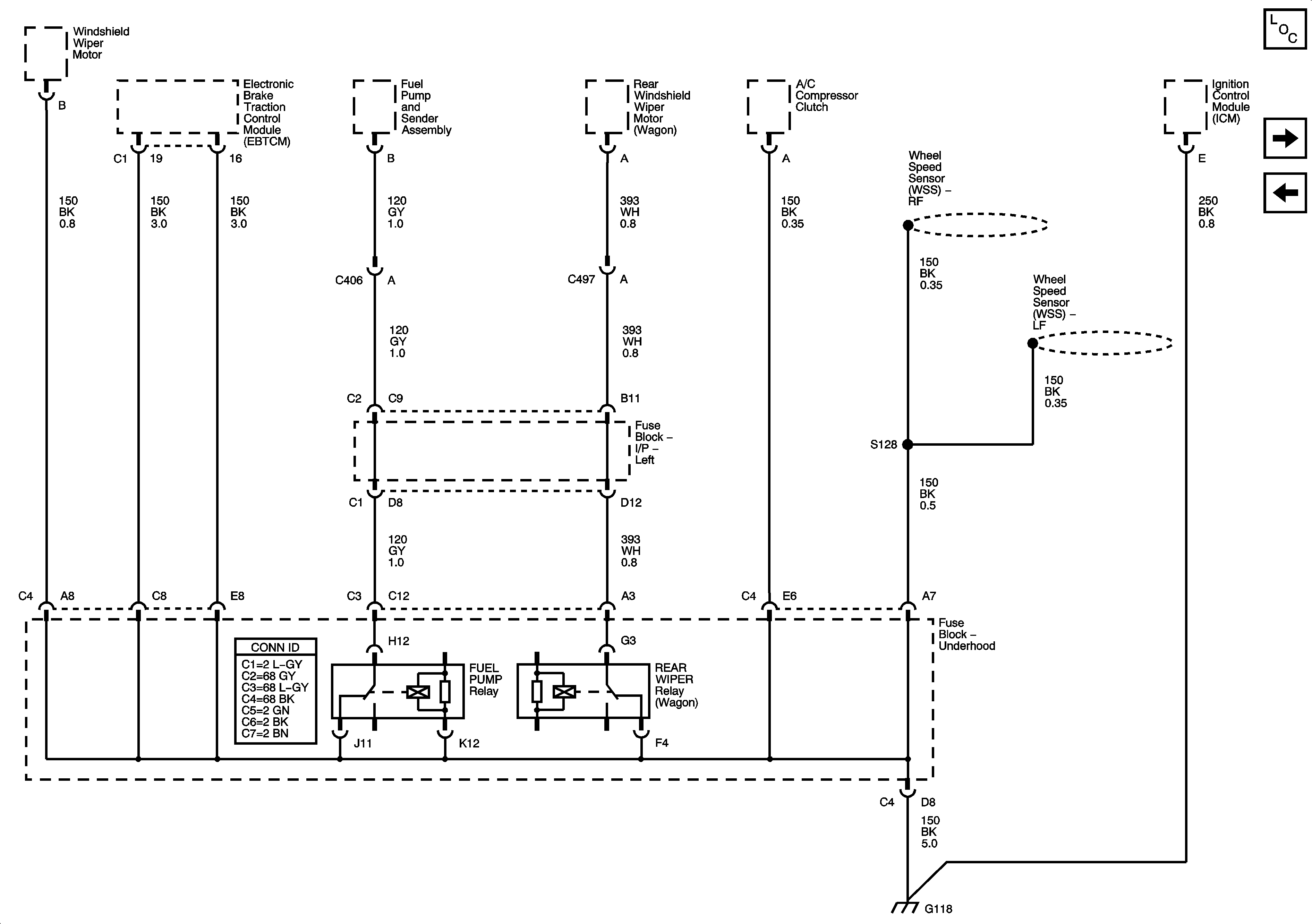
🢒 G118
G118
G118 (l61)
Master Electrical Component List
G300
G102, G110, G118, G114