GM Service Manual Online
For 1990-2009 cars only
Makes
🢒
Saturn
🢒
2003
🢒
L200/LW200
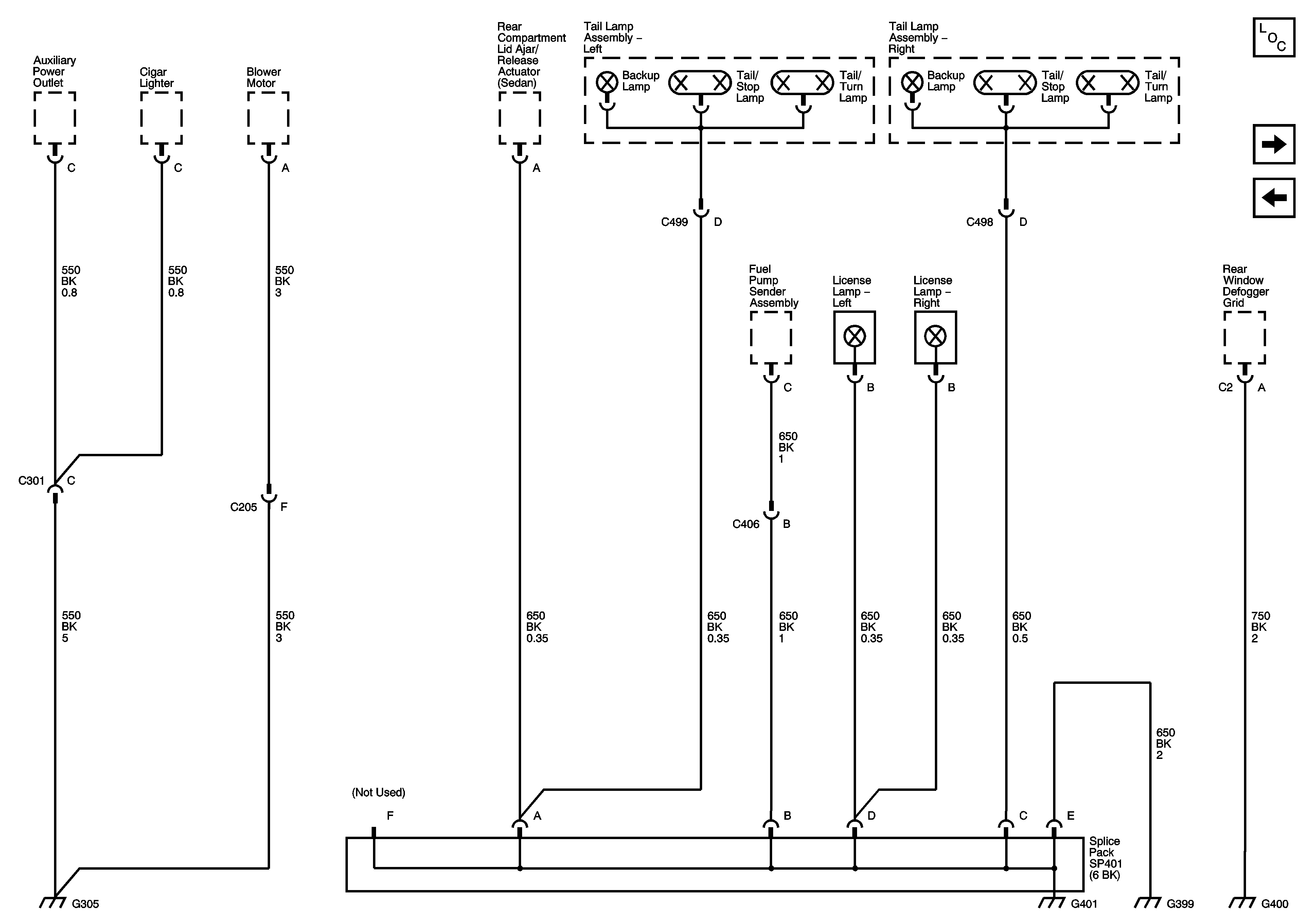
🢒 G305, G401, G399, G400
G305, G401, G399, G400
G305, G401, G399 and G400
Master Electrical Component List
G464, G401, G463, G403
G191, G303