GM Service Manual Online
For 1990-2009 cars only
Makes
🢒
Saturn
🢒
2003
🢒
L200/LW200
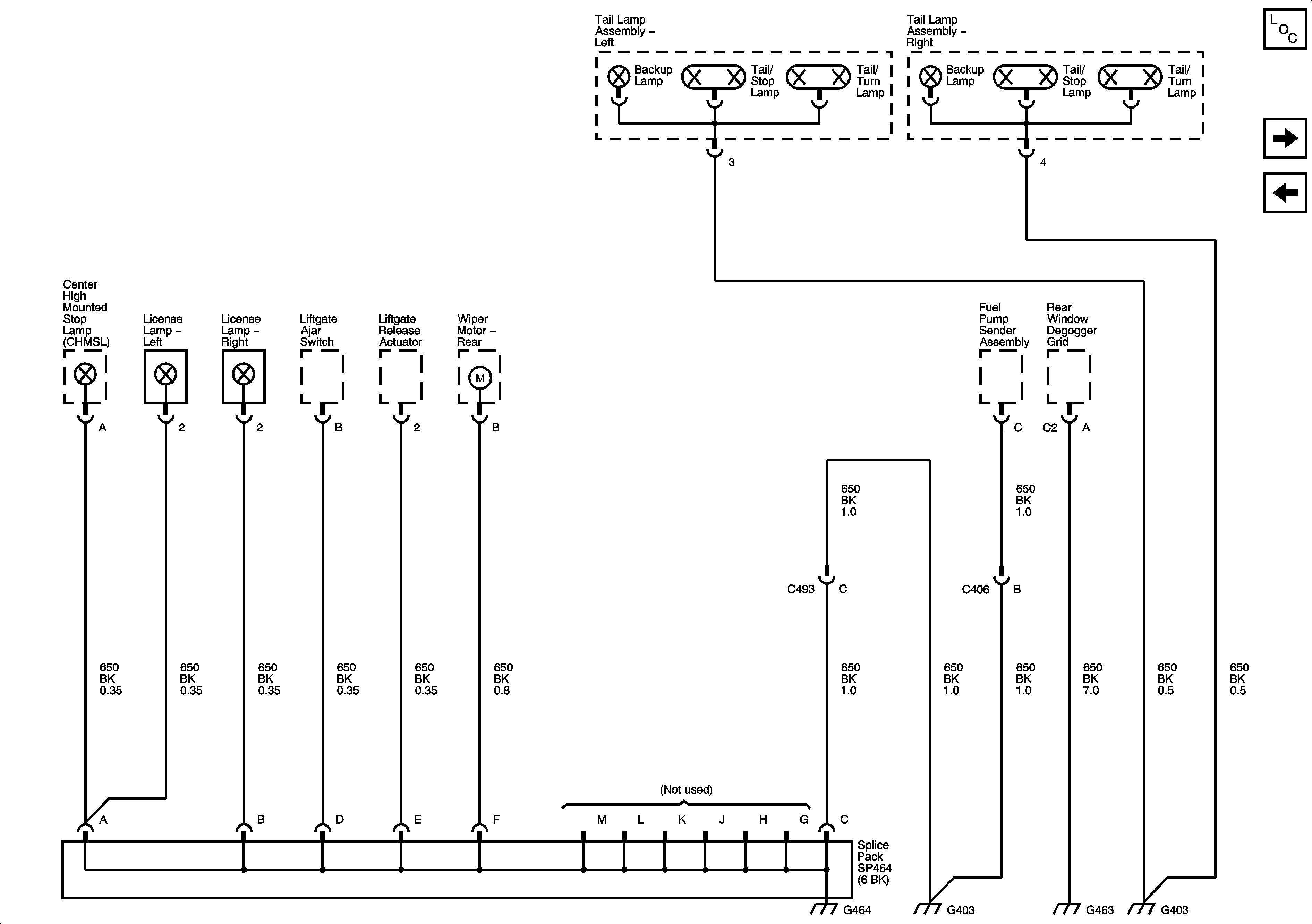
🢒 G464, G401, G463, G403
G464, G401, G463, G403
G464, G401, G463, G403 - (WAG)
Master Electrical Component List
G202
G305, G401, G399, G400