GM Service Manual Online
For 1990-2009 cars only
Makes
🢒
Saturn
🢒
2003
🢒
L200/LW200
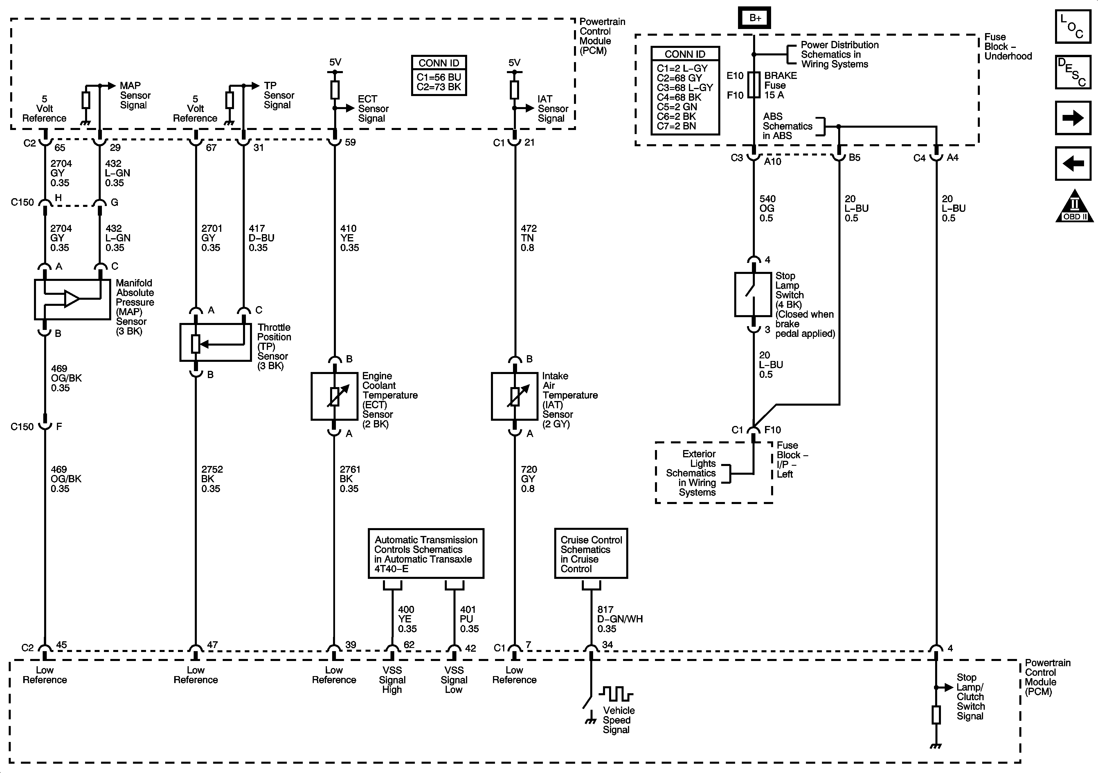
🢒 Engine Data Sensors
Engine Data Sensors
Engine Data Sensors- Sensors and Switches
Master Electrical Component List
Powertrain Control Module Description
HO2S
Engine Data Sensors-5 Volt and Low Reference
OBD II Symbol Description Notice
Fuse Block - Underhood Fuses: Cooling Fan 2, Cooling Fan 1, ABS1, ABS2, Parklamp
Fuse Block-Underhood: IGN3; Fuse Block-Right I/P: Heated Seat
Module Power, Ground, Serial Data, and Switches - 2.2L
Stop Lamps
Sensors, Solenoids, Switches
Cruise Control Schematics - 2.2L