GM Service Manual Online
For 1990-2009 cars only
Makes
🢒
Saturn
🢒
2003
🢒
L200/LW200
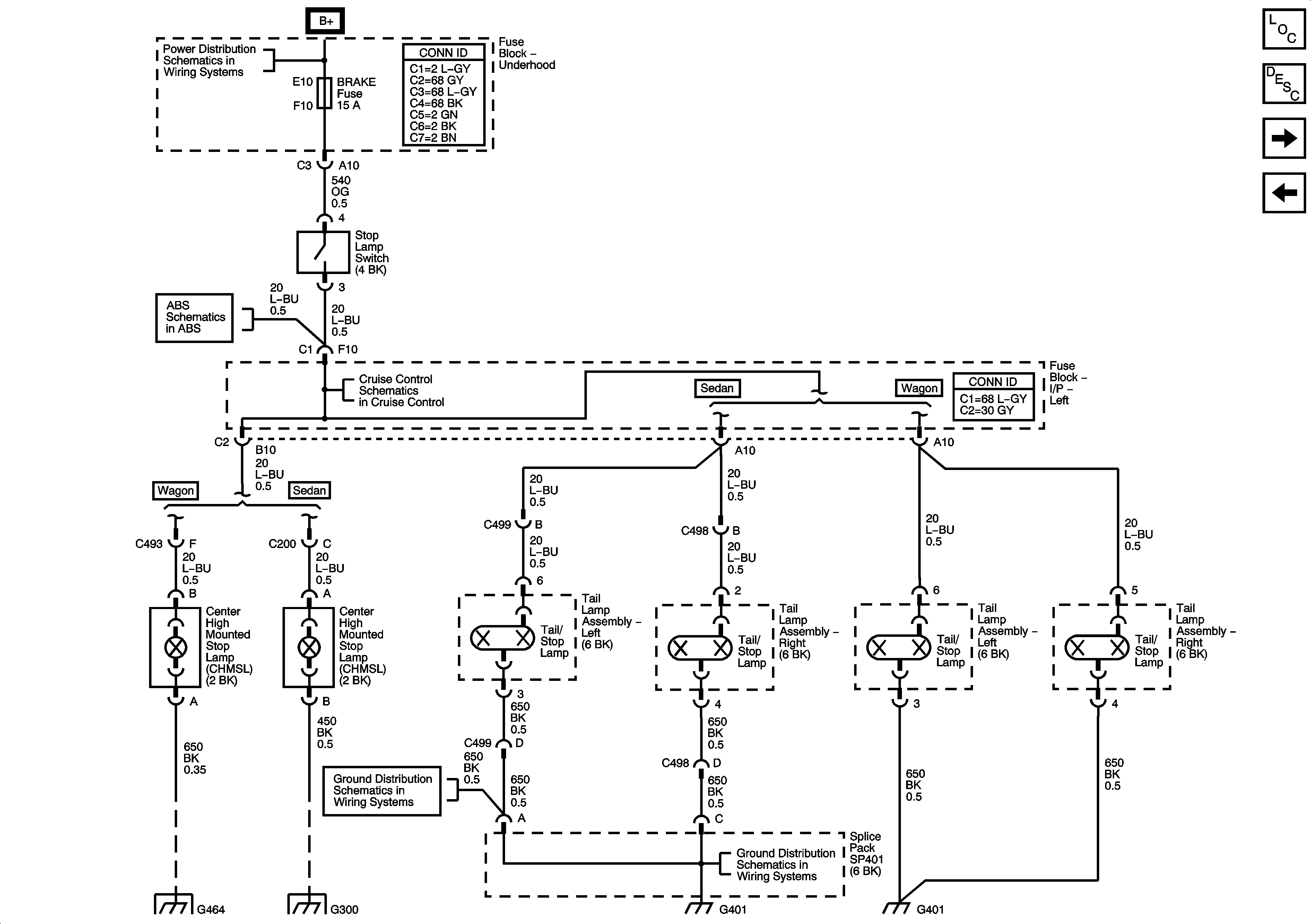
🢒 Stop Lamps
Stop Lamps
Stop Lamps
Master Electrical Component List
Exterior Lighting Systems Description and Operation
Turn/Hazard Lamps
Parking Lamps - Wagon
Fuse Block - Underhood Fuses: Cooling Fan 2, Cooling Fan 1, ABS1, ABS2, Parklamp
Module Power, Ground, Serial Data, and Switches - 3.0L
Cruise Control Schematics - 2.2L
G305, G401, G399, G400
G464, G401, G463, G403
G300
G305, G401, G399, G400