GM Service Manual Online
For 1990-2009 cars only
Makes
🢒
Saturn
🢒
2003
🢒
L200/LW200
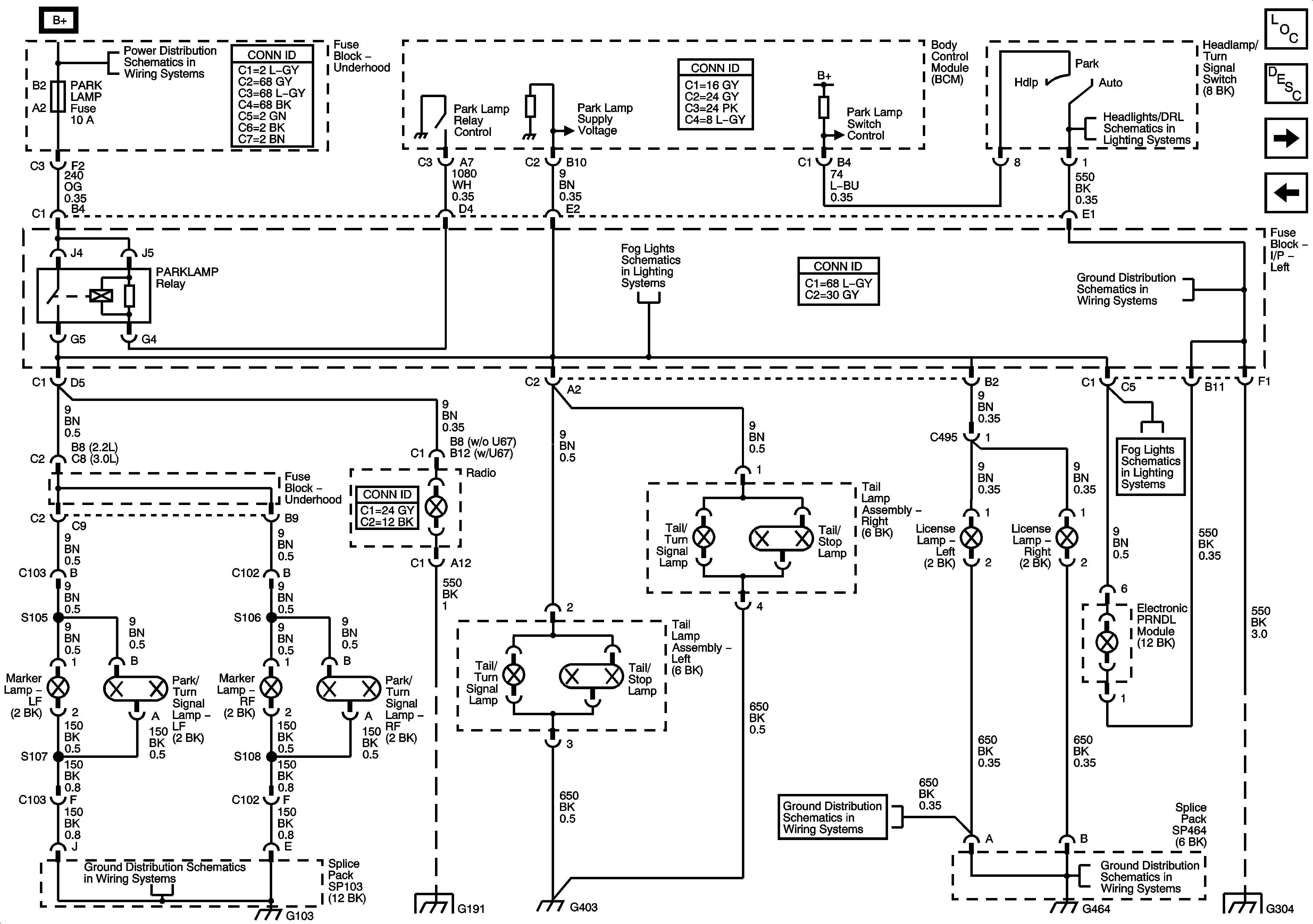
🢒 Parking Lamps - Wagon
Parking Lamps - Wagon
Parking Lamps- Wagon
Master Electrical Component List
Exterior Lighting Systems Description and Operation
Stop Lamps
Parking Lamps - Sedan
Fuse Block - Underhood Bus
Headlights/DRL Schematics
Fog Lights Schematics
G300, G304
Fog Lights Schematics
G105, G103, G113, G107
G464, G401, G463, G403
G464, G401, G463, G403
G191, G303
G300, G304