GM Service Manual Online
For 1990-2009 cars only
Makes
🢒
Saturn
🢒
2003
🢒
L200/LW200
🢒 Engine Data Sensors-Oxygen Sensors
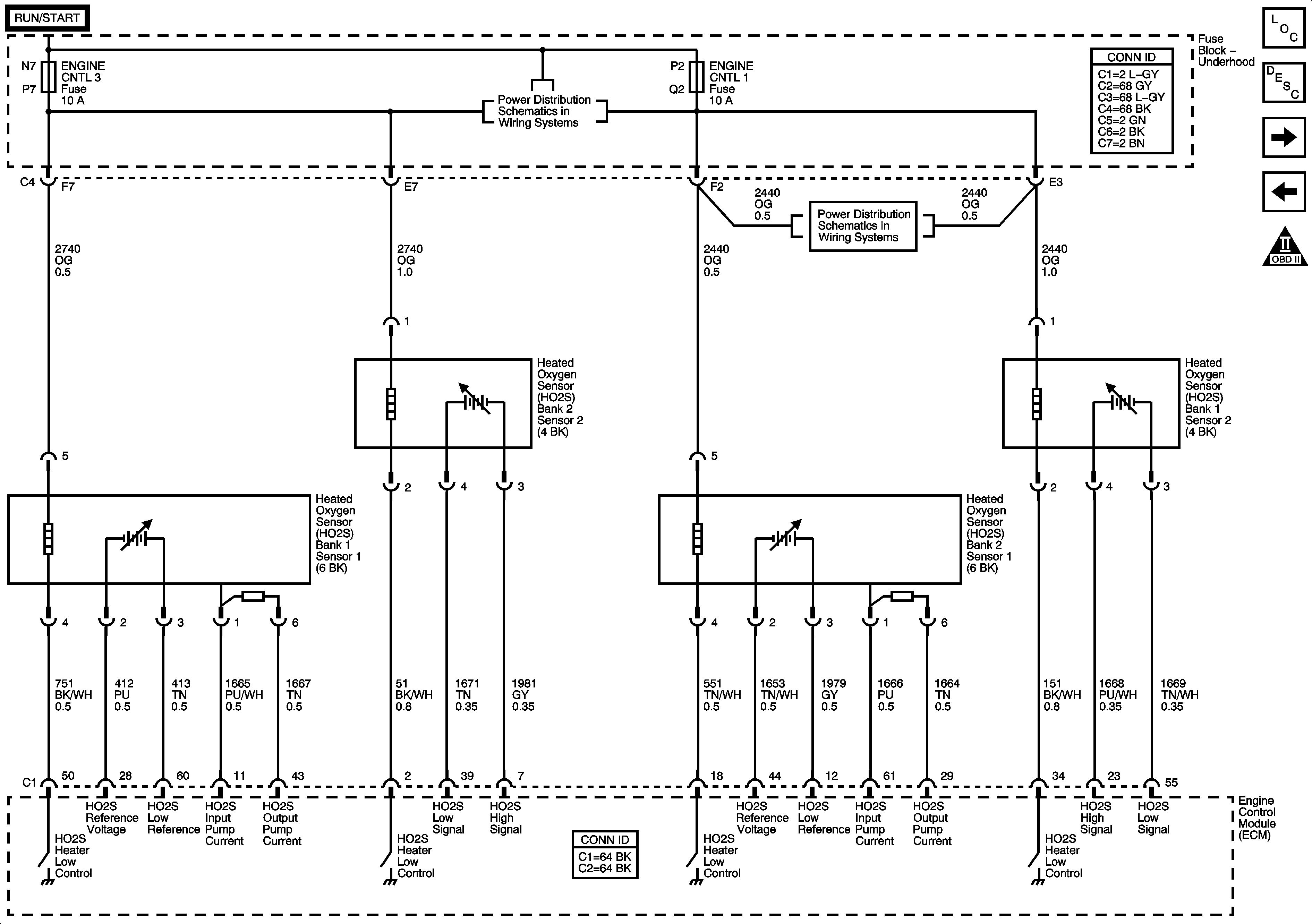
Engine Data Sensors-Oxygen Sensors
Engine Data Sensors - HO2 Sensors
Master Electrical Component List
Engine Control Module Description
Engine Data Sensors-Electronic Throttle Controls
Engine Data Sensors-Pressure, Temperature, VSS w/ ABS
OBD II Symbol Description Notice
Fuse Block Underhood Fuses: AC, Fuel Pump, ENG Control, ENG Control2, ENG Control3
Fuse Block Underhood Fuses: AC, Fuel Pump, ENG Control, ENG Control2, ENG Control3