GM Service Manual Online
For 1990-2009 cars only
Makes
🢒
Saturn
🢒
2003
🢒
L200/LW200
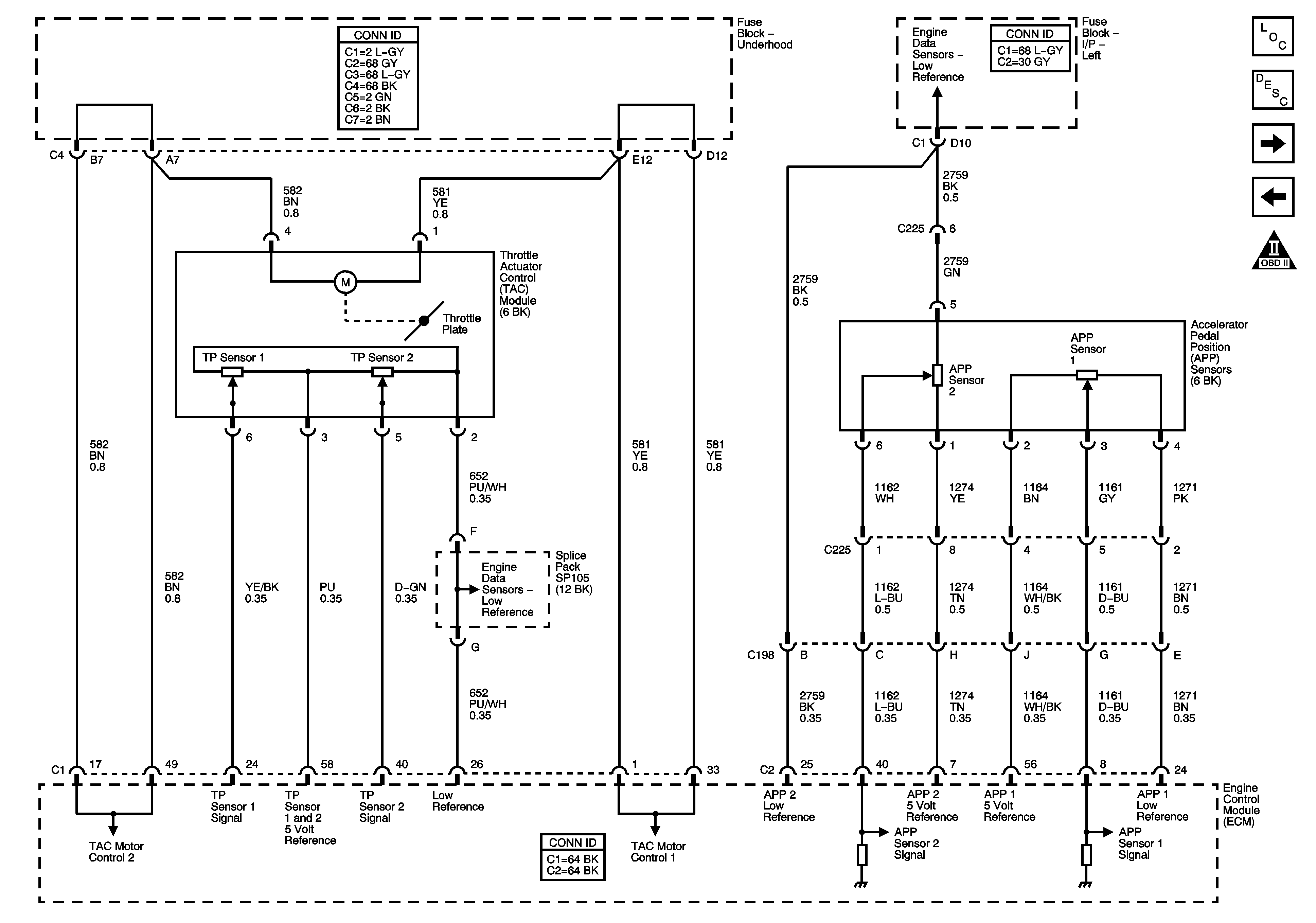
🢒 Engine Data Sensors-Electronic Throttle Controls
Engine Data Sensors-Electronic Throttle Controls
Electronic Throttle Controls
Master Electrical Component List
Engine Control Module Description
Ignition System
Engine Data Sensors-Oxygen Sensors
OBD II Symbol Description Notice
Engine Data Sensors-Low References
Engine Data Sensors-Low References