GM Service Manual Online
For 1990-2009 cars only
Makes
🢒
Saturn
🢒
2003
🢒
L200/LW200
🢒 V6
V6
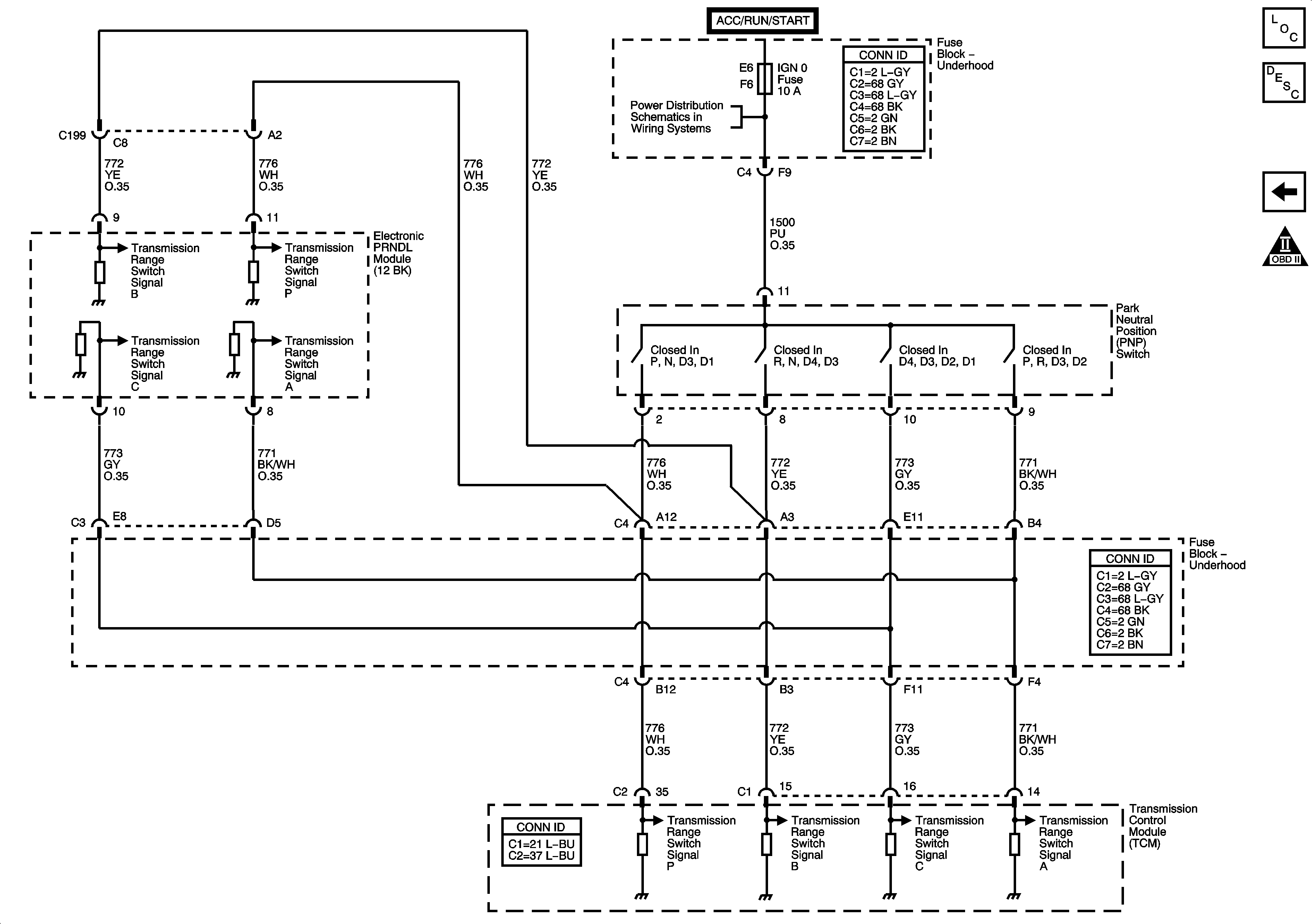
PNP Switch and PRNDL
Master Electrical Component List
Transmission Component and System Description
Sensors and Solenoids
OBD II Symbol Description Notice
Fuse Block-Underhood : IGN1/2, IGN0 and IGN0/3/CR - Ignition Switch