GM Service Manual Online
For 1990-2009 cars only
Makes
🢒
Saturn
🢒
2003
🢒
L200/LW200
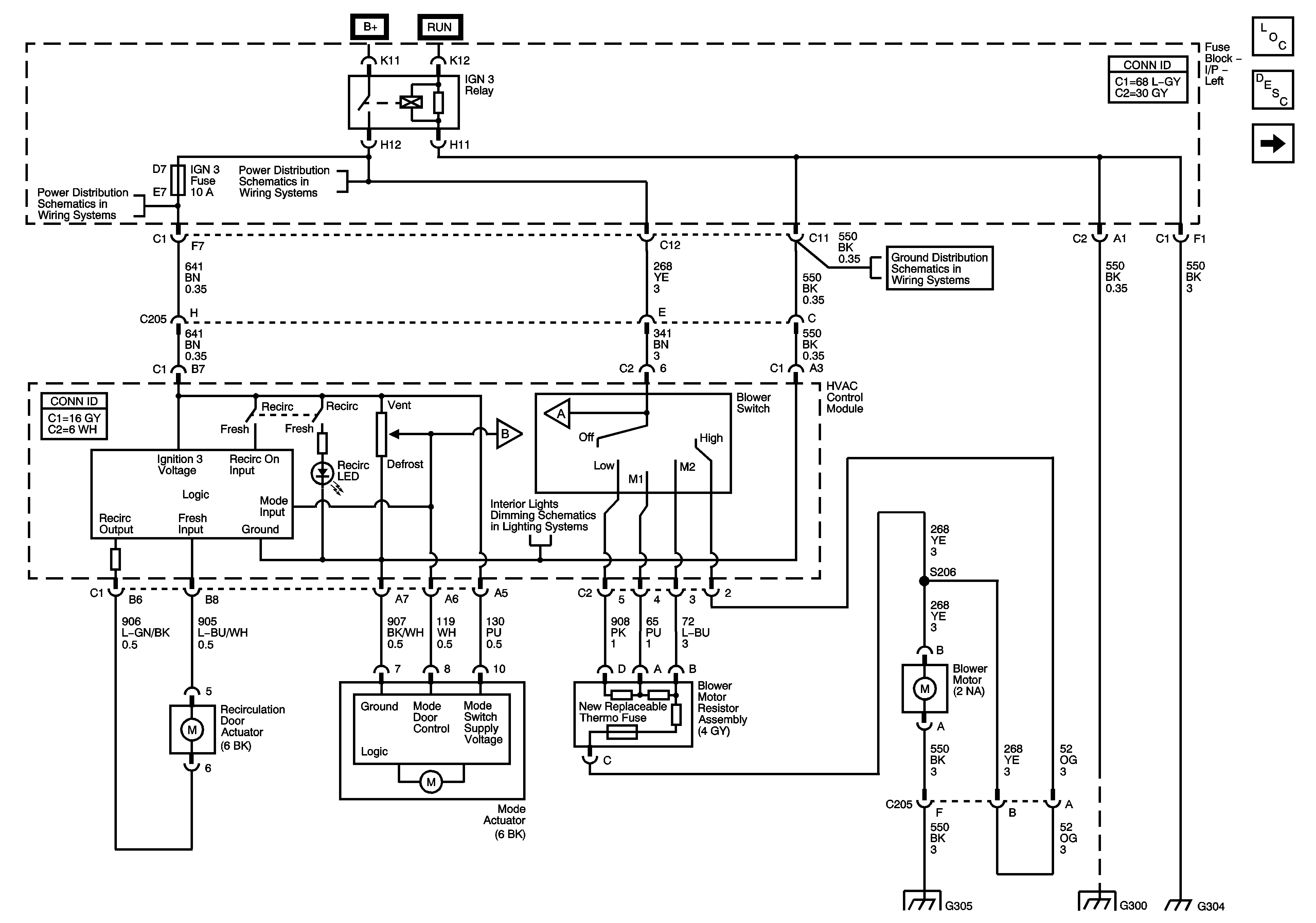
🢒 Blower Controls, Air Delivery
Blower Controls, Air Delivery
Blower Controls and Air Delivery
Master Electrical Component List
Air Delivery Description and Operation
A/C Compressor Controls - 2.2L
Fuse Block Underhood Fuses: HVAC Blower, Radio, CD/DLC Fuse Block-Left I/P Fuses: IGN3
Fuse Block Underhood Fuses: HVAC Blower, Radio, CD/DLC Fuse Block-Left I/P Fuses: IGN3
G300, G304
A/C Compressor Controls - 2.2L
A/C Compressor Controls - 2.2L
G305, G401, G399, G400
G300, G304
G300, G304