GM Service Manual Online
For 1990-2009 cars only
Makes
🢒
Saturn
🢒
2003
🢒
L200/LW200
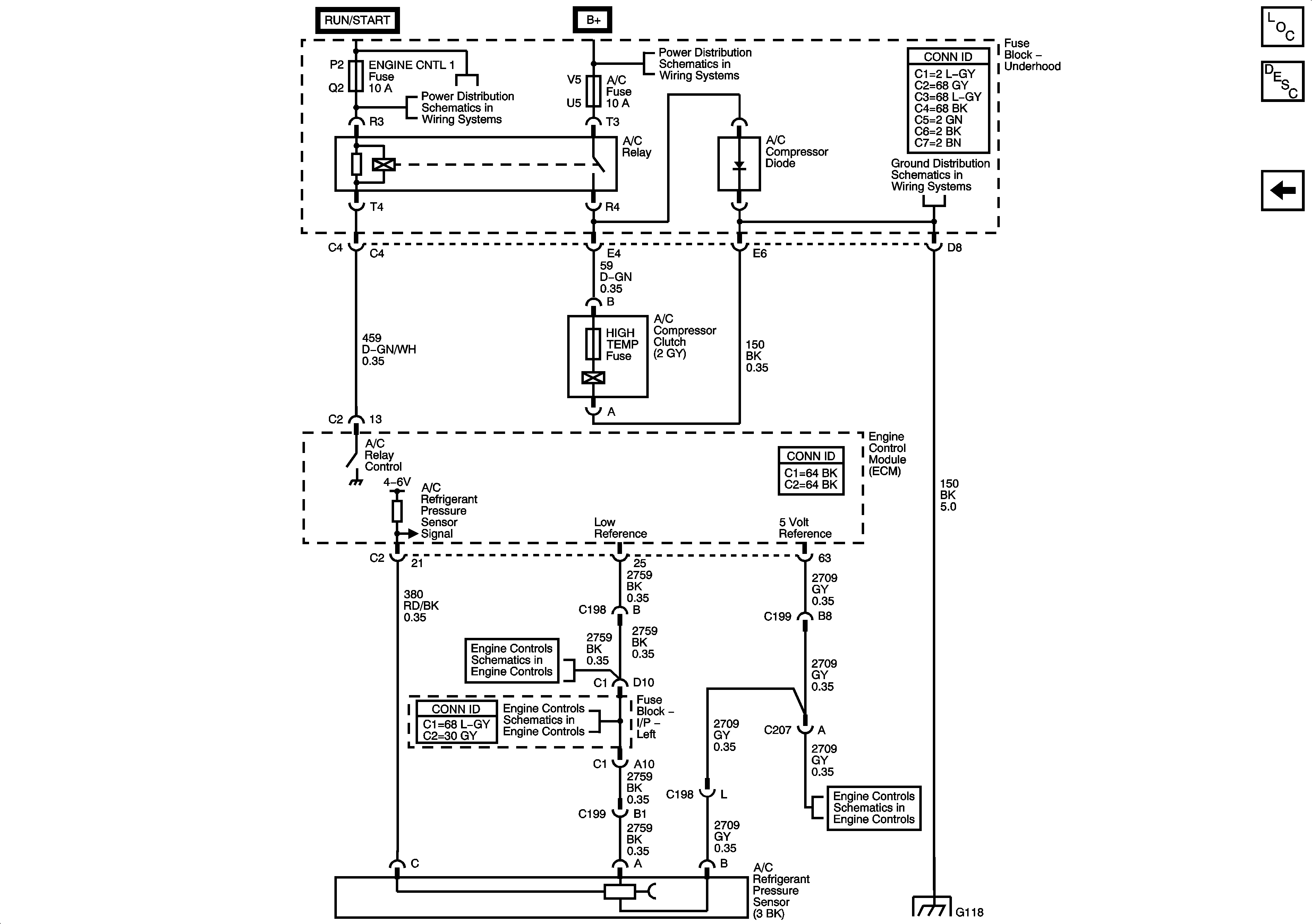
🢒 Compressor Controls - 3.0L
Compressor Controls - 3.0L
A/C Compressor Control- 3.0L
Master Electrical Component List
Air Delivery Description and Operation
Compressor Controls - 2.2L
Fuse Block Underhood Fuses: AC, Fuel Pump, ENG Control, ENG Control2, ENG Control3
Fuse Block Underhood Fuses: AC, Fuel Pump, ENG Control, ENG Control2, ENG Control3
G118
Engine Data Sensors-Low References
Engine Data Sensors-Low References
Engine Data Sensors-5 Volt Reference
G118