GM Service Manual Online
For 1990-2009 cars only
Makes
🢒
Saturn
🢒
2003
🢒
L200/LW200
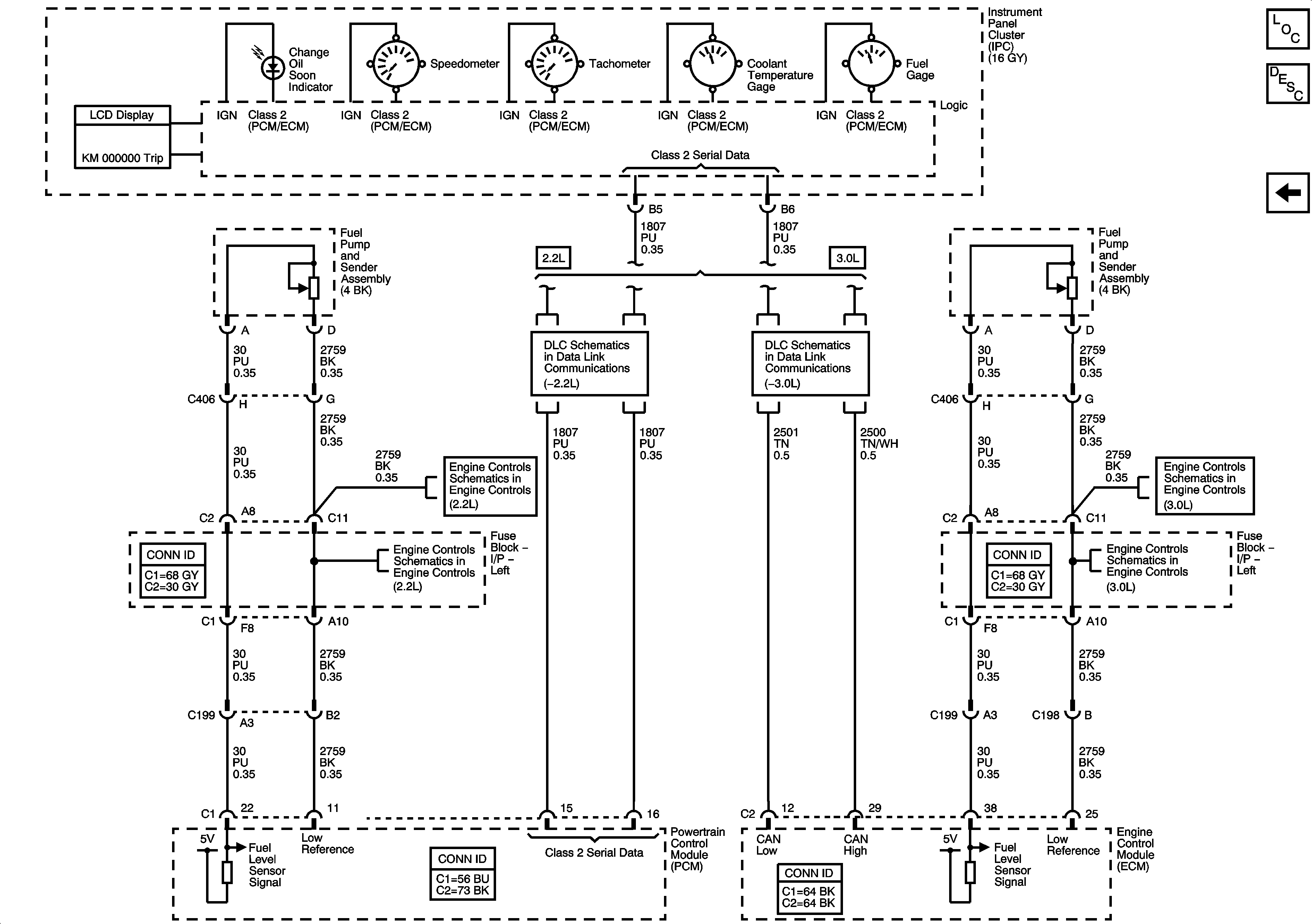
🢒 Gages
Gages
Gages
Master Electrical Component List
Instrument Cluster Description and Operation
Indocators
Fuel Controls - EVAP Controls
Fuel Controls - EVAP Controls
DLC Schematics (2.2L)
DLC Schematics (3.0L)
Engine Data Sensors-Low References
Engine Data Sensors-Low References